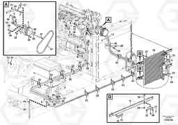
Air conditioning line, cooling and heater экскаватора Volvo Construction Equipment EW180C
Air conditioning line, cooling and heater экскаватора Volvo Construction Equipment EW180C со списком деталей и комплектацией. Каждую деталь можно приобрести в наличии и под заказ с дотавкой по всей России
Код подсистемы:103345
Наименование:Air conditioning line, cooling and heater
Версия:8283692
Air conditioning line, cooling and heater EW180C
| Поз. | Код | Наименование | Кол | Прим. | |
|---|---|---|---|---|---|
| VOE 14584775 | Кронштейн | 1 | |||
| VOE 14509377 | Receiver drier | 1 | |||
| VOE 14547921 | Шланг | 1 | |||
| VOE 14529050 | Кольцо уплотнительное (О-кольцо) | 1 | |||
| VOE 14529050 | Кольцо уплотнительное (О-кольцо) | 1 | |||
| 1 | VOE 11412632 | Compressor | 1 | ||
| 10 | VOE 14386474 | Тарелка клапана | 1 | ||
| 11 | VOE 14389492 | Пластина | 1 | ||
| 12 | VOE 14387610 | Шланг | 1 |
S/N - 122045
|
|
| 12 | VOE 14594754 | Шланг | 1 |
S/N 122046 -
|
|
| 13 | VOE 14505515 | Sensor | 1 | ||
| 14 | VOE 14510681 | Соединитель | 1 | ||
| 15 | VOE 14511074 | Drain hose | 1 | ||
| 16 | VOE 14522575 | Скоба (хомут) | 1 | ||
| 16 | VOE 14522575 | Скоба (хомут) | 1 | ||
| 17 | VOE 14545465 | Adj Device | 1 | ||
| 18 | VOE 14547919 | Condenser | 1 | ||
| 19 | VOE 14880627 | Скоба (хомут) | 1 | ||
| 2 | VOE 983252 | Винт шестигранник | 1 | ||
| 2 | VOE 983252 | Винт шестигранник | 1 | ||
| 20 | VOE 14881135 | Шланг | 1 | ||
| 20 | VOE 14881135 | Шланг | 1 | ||
| 21 | VOE 14881137 | Шланг | 1 | ||
| 22 | SA 9316-02201 | Скоба (хомут) | 1 | ||
| 23 | VOE 4881440 | Cable tie | 1 | ||
| 23 | VOE 4881440 | Cable tie | 1 | ||
| 24 | VOE 13943472 | Hose clamp | 1 | ||
| 25 | VOE 13945407 | Гайка | 1 | ||
| 25 | VOE 13945407 | Гайка | 1 | ||
| 26 | VOE 13946173 | Screw | 1 | ||
| 26 | VOE 13946173 | Болт | 1 | ||
| 27 | VOE 946441 | Flange screw | 1 | ||
| 27 | VOE 946441 | Flange screw | 1 | ||
| 28 | VOE 946471 | Flange screw | 1 |
S/N 122046 -
|
|
| 28 | VOE 946471 | Flange screw | 1 |
S/N 122046 -
|
|
| 28 | VOE 946471 | Flange screw | 1 |
S/N - 122045
|
|
| 28 | VOE 946471 | Flange screw | 1 |
S/N - 122045
|
|
| 29 | VOE 14565668 | Extension | 1 | ||
| 3 | VOE 14389377 | Шланг | 1 |
S/N - 122045
|
|
| 3 | VOE 14594755 | Шланг | 1 |
S/N 122046 -
|
|
| 30 | VOE 13965186 | Болт | 1 | ||
| 30 | VOE 13965186 | Screw | 1 | ||
| 31 | VOE 13971098 | Flange nut | 1 | ||
| 31 | VOE 13971098 | Flange nut | 1 | ||
| 32 | VOE 13971095 | Flange nut | 1 | ||
| 32 | VOE 13971095 | Flange nut | 1 | ||
| 33 | VOE 14572216 | Ремень клиновой (приводной) | 1 | ||
| 34 | VOE 981314 | Lock nut | 1 | ||
| 34 | VOE 981314 | Lock nut | 1 | ||
| 35 | VOE 984079 | Винт шестигранник (торцевой ключ) | 1 | ||
| 35 | VOE 984079 | Hex. socket screw | 1 | ||
| 36 | VOE 984080 | Винт шестигранник (торцевой ключ) | 1 | ||
| 36 | VOE 984080 | Hex. socket screw | 1 | ||
| 37 | VOE 943795 | Винт шестигранник (торцевой ключ) | 1 | ||
| 37 | VOE 943795 | Hex. socket screw | 1 | ||
| 38 | VOE 14515524 | Скоба (хомут) | 1 |
S/N 122046 -
|
|
| 38 | VOE 14515524 | Скоба (хомут) | 1 |
S/N 122046 -
|
|
| 39 | VOE 13930842 | Шайба | 1 |
S/N 122046 -
|
|
| 39 | VOE 13930842 | Шайба | 1 |
S/N 122046 -
|
|
| 4 | VOE 14389376 | Шланг | 1 | ||
| 5 | VOE 9411-95650 | Винт шестигранник | 1 | ||
| 5 | VOE 9411-95650 | Соединитель | 1 | ||
| 6 | VOE 9426-20100 | Кронштейн | 1 | ||
| 6 | VOE 9426-20100 | Болт | 1 | ||
| 7 | VOE 946472 | Flange screw | 1 | ||
| 7 | VOE 946472 | Flange screw | 1 | ||
| 8 | VOE 14386450 | Hinge | 1 | ||
| 9 | VOE 14386452 | Опора | 1 |

