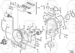
Hydraulic transmission with fitting parts экскаватора-погрузчика Volvo Construction Equipment BL61PLUS
Hydraulic transmission with fitting parts экскаватора-погрузчика Volvo Construction Equipment BL61PLUS со списком деталей и комплектацией. Каждую деталь можно приобрести в наличии и под заказ с дотавкой по всей России
Код подсистемы:16614
Наименование:Hydraulic transmission with fitting parts
Версия:11891595
Hydraulic transmission with fitting parts BL61PLUS
| Поз. | Код | Наименование | Кол | Прим. | |
|---|---|---|---|---|---|
| VOE 11887381 | Коробка передач (КПП, трансмиссия) | 1 | |||
| VOE 11887381 | Коробка передач (КПП, трансмиссия) | 1 | |||
| 1 | VOE 11716634 | Картер (корпус) | 1 | ||
| 10 | VOE 11716635 | Трубка | 1 | ||
| 11 | VOE 946441 | Flange screw | 1 | ||
| 11 | VOE 946441 | Flange screw | 1 | ||
| 12 | VOE 11712951 | Клапан | 1 | ||
| 13 | VOE 11716636 | Трубка | 1 | ||
| 14 | VOE 11709061 | Пробка (заглушка) | 1 | ||
| 14 | VOE 11709061 | Пробка (заглушка) | 1 | ||
| 15 | VOE 11709199 | Шайба | 1 | ||
| 15 | VOE 11709199 | Шайба | 1 | ||
| 16 | VOE 11709075 | Пробка (заглушка) | 1 | ||
| 16 | VOE 11709075 | Пробка (заглушка) | 1 | ||
| 17 | VOE 11716637 | Трубка | 1 | ||
| 18 | VOE 13970949 | Винт шестигранник | 1 | ||
| 18 | VOE 13970949 | Винт шестигранник | 1 | ||
| 2 | VOE 11709050 | Фильтр масляный | 1 | ||
| 2 | VOE 11709050 | Фильтр масляный | 1 | ||
| 20 | VOE 11716645 | Картер (корпус) | 1 | ||
| 21 | VOE 11716638 | Guard | 1 | ||
| 22 | VOE 946441 | Flange screw | 1 | ||
| 22 | VOE 946441 | Flange screw | 1 | ||
| 23 | VOE 11709057 | Пробка (заглушка) | 1 | ||
| 23 | VOE 11709057 | Пробка (заглушка) | 1 | ||
| 24 | VOE 11709068 | Кольцо уплотнительное (О-кольцо) | 1 | ||
| 25 | VOE 950588 | Палец | 1 | ||
| 26 | VOE 11709055 | Пробка (заглушка) | 1 | ||
| 27 | VOE 11709060 | Breather cap | 1 | ||
| 28 | VOE 11709063 | Breather pipe | 1 | ||
| 29 | VOE 11709075 | Пробка (заглушка) | 1 | ||
| 29 | VOE 11709075 | Пробка (заглушка) | 1 | ||
| 3 | VOE 11709051 | Кольцо уплотнительное (О-кольцо) | 1 | ||
| 3 | VOE 11709051 | Кольцо уплотнительное (О-кольцо) | 1 | ||
| 30 | VOE 11712950 | Трубка | 1 | ||
| 31 | VOE 11716639 | Пробка (заглушка) | 1 | ||
| 32 | VOE 11716640 | Фланец | 1 | ||
| 33 | VOE 13970947 | Винт шестигранник | 1 | ||
| 33 | VOE 13970947 | Винт шестигранник | 1 | ||
| 34 | VOE 11709074 | Кольцо уплотнительное (О-кольцо) | 1 | ||
| 35 | VOE 11716641 | Трубка | 1 | ||
| 36 | VOE 13970949 | Винт шестигранник | 1 | ||
| 36 | VOE 13970949 | Винт шестигранник | 1 | ||
| 37 | VOE 11716642 | Sensor | 1 | ||
| 38 | VOE 11716643 | Шайба | 1 | ||
| 39 | VOE 11716644 | Трубка | 1 | ||
| 4 | VOE 11709052 | Крышка | 1 | ||
| 4 | VOE 11709052 | Крышка | 1 | ||
| 40 | VOE 13970947 | Винт шестигранник | 1 | ||
| 40 | VOE 13970947 | Винт шестигранник | 1 | ||
| 43 | VOE 13933857 | Elbow nipple | 1 | ||
| 43 | VOE 13933857 | Elbow nipple | 1 | ||
| 44 | VOE 932039 | Кольцо уплотнительное (О-кольцо) | 1 | ||
| 44 | VOE 932039 | Кольцо уплотнительное (О-кольцо) | 1 | ||
| 45 | VOE 990736 | Кольцо уплотнительное (О-кольцо) | 1 | ||
| 45 | VOE 990736 | Кольцо уплотнительное (О-кольцо) | 1 | ||
| 46 | VOE 13933858 | Nipple | 1 | ||
| 46 | VOE 13933858 | Nipple | 1 | ||
| 47 | VOE 932039 | Кольцо уплотнительное (О-кольцо) | 1 | ||
| 47 | VOE 932039 | Кольцо уплотнительное (О-кольцо) | 1 | ||
| 48 | VOE 990736 | Кольцо уплотнительное (О-кольцо) | 1 | ||
| 48 | VOE 990736 | Кольцо уплотнительное (О-кольцо) | 1 | ||
| 49 | VOE 11881160 | Temperature sensor | 1 | ||
| 5 | VOE 13955294 | Болт | 1 | ||
| 5 | VOE 13955294 | Болт | 1 | ||
| 50 | VOE 15108936 | Venting | 1 | ||
| 6 | VOE 11716632 | Трубка | 1 | ||
| 7 | VOE 11716633 | Трубка | 1 | ||
| 8 | VOE 11709048 | Фильтр масляный | 1 | ||
| 8 | VOE 11709048 | Фильтр масляный | 1 | ||
| 9 | VOE 11709053 | Nipple | 1 | ||
| 9 | VOE 11709053 | Nipple | 1 |

