Система масляной смазки экскаватора Volvo Construction Equipment ECR145C
Система масляной смазки экскаватора Volvo Construction Equipment ECR145C со списком деталей и комплектацией. Каждую деталь можно приобрести в наличии и под заказ с дотавкой по всей России
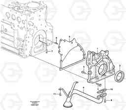
Код подсистемы:8944
Наименование:Lubricating oil system
Версия:
Lubricating oil system ECR145C
| Поз. | Код | Наименование | Кол | Прим. | |
|---|---|---|---|---|---|
| 1 | VOE 20726088 | Lub Oil Pump | 1 | ||
| 10 | VOE 20405888 | Прокладка | 1 | ||
| 10 | VOE 20405888 | Прокладка | 1 | ||
| 11 | VOE 20405792 | Болт | 1 | ||
| 11 | VOE 20405792 | Болт | 1 | ||
| 2 | VOE 20459168 | Crankshaft Seal | 1 | ||
| 2 | VOE 20459168 | Crankshaft Seal | 1 | ||
| 3 | VOE 20451738 | Болт | 1 | ||
| 3 | VOE 20451738 | Болт | 1 | ||
| 4 | VOE 20412324 | Болт | 1 | ||
| 4 | VOE 20412324 | Болт | 1 | ||
| 5 | VOE 20537029 | Прокладка | 1 | ||
| 5 | VOE 20537029 | Прокладка | 1 | ||
| 6 | VOE 20405603 | Spring Pin | 1 | ||
| 6 | VOE 20405603 | Spring Pin | 1 | ||
| 7 | VOE 20405561 | Поршень | 1 | ||
| 7 | VOE 20405561 | Pstn Cool Jet | 1 | ||
| 8 | VOE 20977068 | Oil Pipe | 1 | ||
| 9 | VOE 13949578 | Болт | 1 | ||
| 9 | VOE 13949578 | Болт | 1 |

