Cab Heater Assembly грунтового катка Volvo Construction Equipment SD70D/SD70F/SD77DX/SD77F S/N 197387-
Cab Heater Assembly грунтового катка Volvo Construction Equipment SD70D/SD70F/SD77DX/SD77F S/N 197387- со списком деталей и комплектацией. Каждую деталь можно приобрести в наличии и под заказ с дотавкой по всей России
Код подсистемы:105338
Наименование:Cab Heater Assembly
Версия:S/N -200660, OPTIONAL, 13273503_43937457
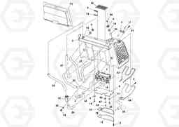
Cab Heater Assembly SD70D/SD70F/SD77DX/SD77F S/N 197387-
| Поз. | Код | Наименование | Кол | Прим. | |
|---|---|---|---|---|---|
| RM 13161757 | Фильтр воздушный | 1 |
RECIRCULATION
|
||
| RM 43845767 | Platform | 1 | |||
| RM 13200019 | Крышка | 1 |
RECIRCULATION
|
||
| RM 13200001 | Guard | 1 |
RECIRCULATION
|
||
| RM 13262464 | Air filter insert | 1 | |||
| 1 | RM 13237888 | Heater | 1 | ||
| 10 | RM 96702659 | Винт шестигранник | 1 | ||
| 10 | RM 96702659 | Винт шестигранник | 1 | ||
| 11 | RM 96712674 | Шайба | 1 | ||
| 11 | RM 96712674 | Шайба | 1 | ||
| 13 | RM 13502083 | Шайба | 1 | ||
| 16 | VOE 12732005 | Адаптер | 1 | ||
| 17 | RM 13156997 | Пробка (заглушка) | 1 | ||
| 18 | RM 13161732 | Адаптер | 1 | ||
| 19 | RM 13176508 | Шланг | 1 |
BOTTOM
|
|
| 2 | RM 13162094 | Splice | 1 | ||
| 21 | RM 13295712 | Шланг | 1 |
UPPER SIDE
|
|
| 22 | RM 13176516 | Шланг | 1 |
LOWER SIDE
|
|
| 23 | RM 13176532 | Шланг | 1 | ||
| 24 | RM 59290742 | Connecting hose | 1 | ||
| 25 | RM 59290734 | Шланг | 1 |
TOP
|
|
| 28 | RM 59290783 | Шланг | 1 |
BOTTOM
|
|
| 29 | RM 54487517 | Болт | 1 | ||
| 3 | RM 43845759 | Driver's platform | 1 | ||
| 30 | RM 95922324 | Плоская шайба | 1 | ||
| 30 | RM 95922324 | Плоская шайба | 1 | ||
| 31 | RM 96740444 | Болт | 1 | ||
| 32 | RM 59290767 | Фильтр воздушный | 1 |
FRESH AIR
|
|
| 4 | RM 13161724 | Louvre | 1 | ||
| 5 | RM 13179197 | Louvre | 1 | ||
| 50 | RM 13209887 | Wood screw | 1 | ||
| 54 | RM 13234893 | Пластина | 1 | ||
| 6 | RM 13237326 | Mounting plate | 1 | ||
| 60 | RM 96702824 | Винт шестигранник | 1 | ||
| 60 | RM 96702824 | Винт шестигранник | 1 | ||
| 63 | RM 35898477 | Tape | 1 | ||
| 63 | RM 35898477 | Tape | 1 | ||
| 66 | RM 95378873 | Hose clamp | 1 | ||
| 67 | RM 96704663 | Шайба | 1 | ||
| 67 | RM 96704663 | Шайба | 1 | ||
| 68 | RM 96702394 | Винт шестигранник | 1 | ||
| 68 | RM 96702394 | Винт шестигранник | 1 | ||
| 7 | RM 13254644 | Control panel | 1 | ||
| 73 | RM 59290817 | Изолятор | 1 | ||
| 73 | RM 59290817 | Изолятор | 1 | ||
| 79 | RM 13467485 | Sealing | 1 | ||
| 8 | RM 96728548 | Болт | 1 | ||
| 9 | RM 96740188 | Шайба | 1 |

