Maintenance Package дорожного (асфальтового) катка Volvo Construction Equipment DD132HF/DD138HF/HA/HFA S/N 197527-
Maintenance Package дорожного (асфальтового) катка Volvo Construction Equipment DD132HF/DD138HF/HA/HFA S/N 197527- со списком деталей и комплектацией. Каждую деталь можно приобрести в наличии и под заказ с дотавкой по всей России
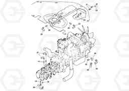
Код подсистемы:42160
Наименование:Maintenance Package
Версия:S/N -194227 OPTIONAL 13389234_13358262
Maintenance Package DD132HF/DD138HF/HA/HFA S/N 197527-
| Поз. | Код | Наименование | Кол | Прим. | |
|---|---|---|---|---|---|
| 14 | RM 59922419 | Адаптер | 1 | ||
| 14 | RM 59922419 | Адаптер | 1 | ||
| 20 | RM 95287629 | Адаптер | 1 | ||
| 20 | RM 95287629 | Адаптер | 1 | ||
| 21 | RM 59035741 | Адаптер | 1 | ||
| 22 | RM 95201547 | Фиттинг | 1 | ||
| 22 | RM 95201547 | Фиттинг | 1 | ||
| 23 | RM 43819721 | Hose assembly | 1 | ||
| 24 | RM 13379656 | Hose assembly | 1 | ||
| 25 | RM 13421235 | Hose assembly | 1 | ||
| 27 | RM 13346598 | Hose assembly | 1 | ||
| 28 | RM 13255179 | Шланг | 1 | ||
| 32 | RM 59971457 | Contact | 1 | ||
| 33 | RM 13359187 | Фиттинг | 1 |

