Battery installation дорожного (асфальтового) катка Volvo Construction Equipment DD70/DD70HF S/N 197522 -
Battery installation дорожного (асфальтового) катка Volvo Construction Equipment DD70/DD70HF S/N 197522 - со списком деталей и комплектацией. Каждую деталь можно приобрести в наличии и под заказ с дотавкой по всей России
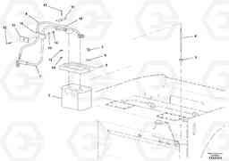
Код подсистемы:86631
Наименование:Battery installation
Версия:59118075
Battery installation DD70/DD70HF S/N 197522 -
| Поз. | Код | Наименование | Кол | Прим. | |
|---|---|---|---|---|---|
| 1 | RM 58926965 | Батарея аккумуляторная | 1 | ||
| 10 | RM 59583468 | Зажим | 1 | ||
| 10 | RM 59583468 | Зажим | 1 | ||
| 11 | RM 59583450 | Шайба | 1 | ||
| 11 | RM 59583450 | Шайба | 1 | ||
| 12 | RM 96705553 | Винт шестигранник | 1 | ||
| 13 | RM 96713979 | Шайба | 1 | ||
| 13 | RM 96713979 | Шайба | 1 | ||
| 14 | RM 96704606 | Lock nut | 1 | ||
| 14 | RM 96704606 | Lock nut | 1 | ||
| 2 | RM 19295492 | Battery clamp | 1 | ||
| 3 | RM 96704606 | Lock nut | 1 | ||
| 3 | RM 96704606 | Lock nut | 1 | ||
| 4 | RM 59003384 | Шпилька | 1 | ||
| 5 | RM 96701370 | Гайка | 1 | ||
| 5 | RM 96701370 | Гайка | 1 | ||
| 5 | RM 96701370 | Nut | 1 | ||
| 6 | RM 96713979 | Шайба | 1 | ||
| 6 | RM 96713979 | Шайба | 1 | ||
| 7 | RM 13251046 | Battery cable | 1 |
POSITIVE
|
|
| 8 | RM 59130468 | Battery cable | 1 |
NEGATIVE
|
|
| 9 | RM 13306519 | Ground cable | 1 |

