Двигатель в сборе асфальтоукладчика колесного Volvo Construction Equipment PF2181 S/N 197473-
Двигатель в сборе асфальтоукладчика колесного Volvo Construction Equipment PF2181 S/N 197473- со списком деталей и комплектацией. Каждую деталь можно приобрести в наличии и под заказ с дотавкой по всей России
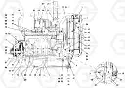
Код подсистемы:93545
Наименование:Engine assembly
Версия:S/N 173289- 13349220
Engine assembly PF2181 S/N 197473-
| Поз. | Код | Наименование | Кол | Прим. | |
|---|---|---|---|---|---|
| RM 20259057 | Болт | 1 | |||
| VOE 15155622 | Фильтр топливный | 1 | |||
| RM 20188124 | Фильтр воздушный | 1 | |||
| RM 20373445 | Ремень вентилятора | 1 | |||
| RM 20374161 | Users Manual | 1 | |||
| RM 20373429 | Фильтр топливный | 1 | |||
| RM 20937777 | Крышка радиатора | 1 | |||
| RM 20937892 | Air inlet | 1 | |||
| RM 20358388 | Safety filter | 1 | |||
| 1 | RM 20358255 | Двигатель в сборе | 1 | ||
| 13 | RM 20188074 | Радиатор | 1 | ||
| 14 | RM 20210167 | Шланг | 1 | ||
| 15 | RM 20188116 | Air cleaner | 1 | ||
| 17 | RM 21014154 | Radiator hose | 1 | ||
| 18 | RM 20364055 | Radiator hose | 1 | ||
| 19 | RM 20960787 | Radiator hose | 1 | ||
| 20 | RM 20364071 | Radiator piping | 1 | ||
| 21 | RM 20200283 | Hose assembly | 1 | ||
| 22 | RM 20938320 | Hose clamp | 1 | ||
| 23 | RM 95922894 | Hexagon nut | 1 | ||
| 23 | RM 95922894 | Hexagon nut | 1 | ||
| 24 | RM 20308581 | Exhaust pipe | 1 | ||
| 25 | RM 20367264 | Battery cable | 1 | ||
| 27 | RM 20242673 | Cable | 1 | ||
| 28 | RM 20304960 | Зажим | 1 | ||
| 29 | RM 20304952 | Зажим | 1 | ||
| 3 | RM 20326963 | Масляный радиатор | 1 | ||
| 31 | RM 95278008 | Hose clamp | 1 | ||
| 32 | RM 95958351 | Винт шестигранник | 1 | ||
| 33 | RM 58896580 | Адаптер | 1 | ||
| 35 | RM 95278966 | Адаптер | 1 | ||
| 36 | RM 95257325 | Гайка | 1 | ||
| 36 | RM 95257325 | Гайка | 1 | ||
| 4 | RM 13563333 | Картер сцепления | 1 | ||
| 42 | RM 20933677 | Cable | 1 | ||
| 42 | RM 20933677 | Cable | 1 | ||
| 43 | RM 96702444 | Винт шестигранник | 1 | ||
| 43 | RM 96702444 | Винт шестигранник | 1 | ||
| 44 | RM 96711767 | Плоская шайба | 1 | ||
| 45 | RM 59510073 | Стопорная шайба (кольцо) | 1 | ||
| 46 | RM 95931564 | Гайка | 1 | ||
| 46 | RM 95931564 | Гайка | 1 | ||
| 47 | RM 59510065 | Стопорная шайба (кольцо) | 1 | ||
| 50 | RM 95931432 | Стопорная шайба (кольцо) | 1 | ||
| 50 | RM 95931432 | Стопорная шайба (кольцо) | 1 | ||
| 53 | RM 95934816 | Винт шестигранник | 1 | ||
| 53 | RM 95934816 | Винт шестигранник | 1 | ||
| 54 | RM 95922183 | Плоская шайба | 1 | ||
| 54 | RM 95922183 | Плоская шайба | 1 | ||
| 55 | RM 95931382 | Стопорная шайба (кольцо) | 1 | ||
| 55 | RM 95931382 | Стопорная шайба (кольцо) | 1 | ||
| 56 | RM 95920682 | Винт шестигранник | 1 | ||
| 56 | RM 95920682 | Винт шестигранник | 1 | ||
| 57 | RM 20937496 | Зажим | 1 | ||
| 57 | RM 20937496 | Зажим | 1 | ||
| 58 | RM 95920674 | Винт шестигранник | 1 | ||
| 58 | RM 95920674 | Винт шестигранник | 1 | ||
| 59 | RM 95922373 | Плоская шайба | 1 | ||
| 59 | RM 95922373 | Плоская шайба | 1 | ||
| 60 | RM 20260196 | Вставка | 1 | ||
| 63 | RM 95302683 | Hose clamp | 1 | ||
| 7 | RM 15603681 | Engine anchorage | 1 | ||
| 75 | RM 95958989 | Винт шестигранник | 1 | ||
| 75 | RM 95958989 | Винт шестигранник | 1 | ||
| 78 | RM 20345674 | Изолятор | 1 | ||
| 79 | RM 20938056 | Зажим | 1 | ||
| 80 | RM 96704309 | Винт шестигранник | 1 | ||
| 80 | RM 96704309 | Винт шестигранник | 1 | ||
| 81 | RM 20330163 | Return hose | 1 | ||
| 82 | RM 15510480 | Шланг | 1 | ||
| 83 | RM 20364253 | Shield | 1 | ||
| 86 | RM 20933685 | Cable tie | 1 | ||
| 86 | RM 20933685 | Cable tie | 1 | ||
| 88 | RM 13627088 | Кронштейн | 1 | ||
| 9 | RM 13626817 | Шайба | 1 |

