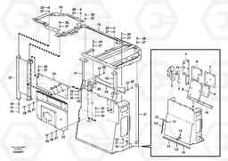
Cowl frame экскаватора Volvo Construction Equipment ECR305C
    Cowl frame экскаватора Volvo Construction Equipment ECR305C со списком деталей и комплектацией. Каждую деталь можно приобрести в наличии и под заказ с дотавкой по всей России
Код подсистемы:55751
            Наименование:Cowl frame
            Версия:
        Cowl frame ECR305C
        | Поз. | Код | Наименование | Кол | Прим. | |
|---|---|---|---|---|---|
| VOE 14597906 | Frame | 1 | |||
| 1 | VOE 14597909 | Frame | 1 | ||
| 10 | VOE 14573677 | Sponge | 1 | ||
| 11 | VOE 14880920 | Weatherstrip | 1 | ||
| 11 | VOE 14880920 | Weatherstrip | 1 | ||
| 12 | VOE 14880918 | Weatherstrip | 1 | ||
| 12 | VOE 14880918 | Weatherstrip | 1 | ||
| 13 | VOE 14880937 | Weatherstrip | 1 | ||
| 13 | VOE 14880937 | Weatherstrip | 1 | ||
| 14 | VOE 14881066 | Скоба (хомут) | 1 | ||
| 14 | VOE 14881066 | Крышка | 1 | ||
| 15 | VOE 14597907 | Frame | 1 | ||
| 16 | VOE 14568979 | Frame | 1 | ||
| 17 | VOE 14568975 | Frame | 1 | ||
| 18 | VOE 14568977 | Frame | 1 | ||
| 19 | VOE 14597916 | Frame | 1 | ||
| 2 | VOE 14569095 | Sponge | 1 | ||
| 20 | VOE 14568983 | Frame | 1 | ||
| 21 | VOE 14569051 | Пластина | 1 | ||
| 22 | VOE 14568988 | Frame | 1 | ||
| 23 | VOE 14597972 | Frame | 1 | ||
| 24 | VOE 14569005 | Пластина | 1 | ||
| 25 | VOE 978932 | Болт | 1 | ||
| 25 | VOE 978932 | Винт шестигранник | 1 | ||
| 26 | VOE 955923 | Шайба пружинная | 1 | ||
| 26 | VOE 955923 | Шайба пружинная | 1 | ||
| 27 | VOE 14522862 | Шайба | 1 | ||
| 27 | VOE 14522862 | Шайба | 1 | ||
| 28 | VOE 978933 | Винт шестигранник | 1 | ||
| 28 | VOE 978933 | Винт шестигранник | 1 | ||
| 29 | VOE 980755 | Винт шестигранник | 1 | ||
| 29 | VOE 980755 | Винт шестигранник | 1 | ||
| 3 | VOE 14569096 | Sponge | 1 | ||
| 30 | VOE 14522862 | Шайба | 1 | ||
| 30 | VOE 14522862 | Шайба | 1 | ||
| 31 | VOE 955923 | Шайба пружинная | 1 | ||
| 31 | VOE 955923 | Шайба пружинная | 1 | ||
| 32 | VOE 978933 | Винт шестигранник | 1 | ||
| 32 | VOE 978933 | Винт шестигранник | 1 | ||
| 4 | VOE 14573170 | Sponge | 1 | ||
| 5 | VOE 14573171 | Sponge | 1 | ||
| 6 | VOE 14573297 | Sponge | 1 | ||
| 7 | VOE 14573298 | Sponge | 1 | ||
| 8 | VOE 14573299 | Sponge | 1 | ||
| 9 | VOE 14573676 | Sponge | 1 | 

