Engine Basic Unit асфальтоукладчика гусеничного Volvo Construction Equipment ABG2820 S/N 20814 -
Engine Basic Unit асфальтоукладчика гусеничного Volvo Construction Equipment ABG2820 S/N 20814 - со списком деталей и комплектацией. Каждую деталь можно приобрести в наличии и под заказ с дотавкой по всей России
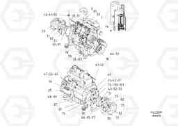
Код подсистемы:106818
Наименование:Engine Basic Unit
Версия:Bf4m2011 , 87984977
Engine Basic Unit ABG2820 S/N 20814 -
| Поз. | Код | Наименование | Кол | Прим. | |
|---|---|---|---|---|---|
| 1 | RM 80677404 | Двигатель в сборе | 1 |
BF4M2011 EMR2, S/N 16033-
|
|
| 10 | RM 87937058 | Шкив | 1 | ||
| 100 | RM 14102487 | Фиттинг | 1 | ||
| 100 | RM 14102487 | Фиттинг | 1 | ||
| 101 | RM 14280259 | Coupling piece | 1 |
WITH SCREW COUPLING
|
|
| 101 | RM 14280259 | Coupling piece | 1 |
WITH SCREW COUPLING
|
|
| 11 | RM 87987442 | Шайба | 1 | ||
| 20 | RM 54709688 | Coupling piece | 1 |
WITH ADD-ON FLANGE
|
|
| 22 | RM 54686738 | Гидронасос (основной насос) | 1 |
A10V045/5
|
|
| 23 | RM 54687082 | Гидронасос (основной насос) | 1 |
A10VG 28+28
|
|
| 23 | RM 54687082 | Гидронасос (основной насос) | 1 |
A10VG 28+28
|
|
| 25 | RM 87982377 | Пилотный (шестерёнчатый) насос | 1 |
DOUBLE
|
|
| 25 | RM 87982377 | Пилотный (шестерёнчатый) насос | 1 |
DOUBLE
|
|
| 30 | RM 80471261 | Шланг | 1 | ||
| 30 | RM 80471261 | Шланг | 1 | ||
| 31 | RM 80471279 | Шланг | 1 | ||
| 31 | RM 80471279 | Шланг | 1 | ||
| 32 | RM 80470396 | Шланг | 1 | ||
| 32 | RM 80470396 | Шланг | 1 | ||
| 33 | RM 80471147 | Шланг | 1 | ||
| 33 | RM 80471147 | Шланг | 1 | ||
| 34 | RM 80471154 | Шланг | 1 | ||
| 34 | RM 80471154 | Шланг | 1 | ||
| 35 | RM 80470974 | Шланг | 1 | ||
| 35 | RM 80470974 | Шланг | 1 | ||
| 36 | RM 80471329 | Шланг | 1 | ||
| 36 | RM 80471329 | Шланг | 1 | ||
| 37 | RM 80471337 | Шланг | 1 | ||
| 40 | RM 96713326 | Винт шестигранник | 1 | ||
| 40 | RM 96713326 | Винт шестигранник | 1 | ||
| 41 | RM 96713342 | Винт шестигранник | 1 | ||
| 41 | RM 96713342 | Винт шестигранник | 1 | ||
| 42 | RM 96722574 | Винт шестигранник | 1 | ||
| 43 | RM 96718895 | Винт шестигранник | 1 | ||
| 43 | RM 96718895 | Винт шестигранник | 1 | ||
| 44 | RM 96713359 | Винт шестигранник | 1 | ||
| 44 | RM 96713359 | Винт шестигранник | 1 | ||
| 45 | RM 96718820 | Винт шестигранник | 1 |
S/N 13796-
|
|
| 45 | RM 96718820 | Винт шестигранник | 1 |
S/N 13796-
|
|
| 46 | RM 96718887 | Винт шестигранник | 1 | ||
| 46 | RM 96718887 | Винт шестигранник | 1 | ||
| 47 | RM 96723648 | Шпилька | 1 | ||
| 47 | RM 96723648 | Шпилька | 1 | ||
| 48 | RM 14110688 | Болт | 1 | ||
| 5 | RM 87974606 | Exhaust hose | 1 | ||
| 5 | RM 87974606 | Exhaust hose | 1 | ||
| 50 | RM 13907761 | Стопорная шайба (кольцо) | 1 | ||
| 50 | RM 13907761 | Стопорная шайба (кольцо) | 1 | ||
| 51 | RM 14261010 | Стопорная шайба (кольцо) | 1 | ||
| 51 | RM 14261010 | Стопорная шайба (кольцо) | 1 | ||
| 52 | RM 14261002 | Стопорная шайба (кольцо) | 1 | ||
| 52 | RM 14261002 | Стопорная шайба (кольцо) | 1 | ||
| 53 | RM 58854316 | Стопорная шайба (кольцо) | 1 | ||
| 53 | RM 58854316 | Стопорная шайба (кольцо) | 1 | ||
| 55 | RM 54755939 | Шайба | 1 |
S/N 13796-
|
|
| 55 | RM 54755939 | Шайба | 1 |
S/N 13796-
|
|
| 56 | RM 96714308 | Плоская шайба | 1 | ||
| 56 | RM 96714308 | Плоская шайба | 1 | ||
| 60 | RM 58833898 | Hexagon nut | 1 | ||
| 60 | RM 58833898 | Hexagon nut | 1 | ||
| 61 | RM 14083455 | Hexagon nut | 1 |
S/N 13796-
|
|
| 61 | RM 14083455 | Hexagon nut | 1 |
S/N 13796-
|
|
| 70 | RM 58900960 | Шпилька | 1 | ||
| 70 | RM 58900960 | Шпилька | 1 | ||
| 71 | RM 14089767 | Ball pin | 1 | ||
| 71 | RM 14089767 | Ball pin | 1 | ||
| 72 | RM 13905492 | Фиттинг | 1 | ||
| 72 | RM 13905492 | Фиттинг | 1 | ||
| 74 | RM 14235170 | Шпилька | 1 | ||
| 75 | RM 13910948 | Шпилька | 1 | ||
| 75 | RM 13910948 | Шпилька | 1 | ||
| 76 | RM 13908959 | Coupling piece | 1 | ||
| 76 | RM 13908959 | Coupling piece | 1 | ||
| 78 | RM 14198550 | Шпилька | 1 | ||
| 78 | RM 14198550 | Шпилька | 1 | ||
| 79 | RM 14105944 | Фиттинг | 1 | ||
| 79 | RM 14105944 | Фиттинг | 1 | ||
| 81 | RM 14090336 | Fitting screw | 1 | ||
| 81 | RM 14090336 | Fitting screw | 1 | ||
| 82 | RM 56251473 | Coupling piece | 1 |
WITH CAP
|
|
| 82 | RM 56251473 | Coupling piece | 1 |
WITH CAP
|
|
| 83 | RM 56240153 | Пробка (заглушка) | 1 | ||
| 83 | RM 56240153 | Пробка (заглушка) | 1 | ||
| 85 | VOE 935309 | Flange half | 1 | ||
| 85 | VOE 935309 | Flange half | 1 | ||
| 87 | RM 58864679 | Кольцо уплотнительное (О-кольцо) | 1 | ||
| 87 | RM 58864679 | Кольцо уплотнительное (О-кольцо) | 1 | ||
| 88 | RM 80613987 | Кольцо уплотнительное (О-кольцо) | 1 | ||
| 91 | RM 13907506 | Hose clamp | 1 |
S/N 14503-
|
|
| 91 | RM 13907506 | Hose clamp | 1 |
S/N 14503-
|
|
| 92 | RM 14149256 | Hose clamp | 1 | ||
| 92 | RM 14149256 | Hose clamp | 1 |

