Power unit асфальтоукладчика гусеничного Volvo Construction Equipment ABG5820 S/N 20975 -
    Power unit асфальтоукладчика гусеничного Volvo Construction Equipment ABG5820 S/N 20975 - со списком деталей и комплектацией. Каждую деталь можно приобрести в наличии и под заказ с дотавкой по всей России
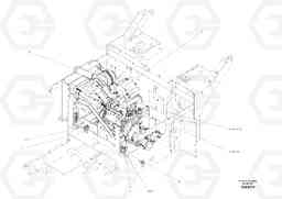
Код подсистемы:53859
            Наименование:Power unit
            Версия:80813165
        Power unit ABG5820 S/N 20975 -
        | Поз. | Код | Наименование | Кол | Прим. | |
|---|---|---|---|---|---|
| 1 | RM 80801749 | Двигатель в сборе | 1 | ||
| 10 | RM 14200117 | Hose Clamp | 1 | ||
| 10 | RM 14200117 | Hose Clamp | 1 | ||
| 20 | RM 96721535 | Болт | 1 | ||
| 20 | RM 96721535 | Болт | 1 | ||
| 21 | RM 96713318 | Винт шестигранник | 1 | ||
| 21 | RM 96713318 | Винт шестигранник | 1 | ||
| 25 | RM 14083463 | Гайка | 1 | ||
| 25 | RM 14083463 | Гайка | 1 | ||
| 30 | RM 14261002 | Стопорная шайба (кольцо) | 1 | ||
| 30 | RM 14261002 | Стопорная шайба (кольцо) | 1 | ||
| 31 | RM 13907761 | Стопорная шайба (кольцо) | 1 | ||
| 31 | RM 13907761 | Стопорная шайба (кольцо) | 1 | ||
| 32 | RM 96726179 | Шайба | 1 | ||
| 32 | RM 96726179 | Шайба | 1 | ||
| 40 | RM 58838384 | Hexagon Nut | 1 | ||
| 40 | RM 58838384 | Hexagon Nut | 1 | ||
| 5 | RM 80811003 | Thread Part | 1 | ||
| 50 | RM 13929294 | Зажим | 1 | ||
| 50 | RM 13929294 | Зажим | 1 | ||
| 6 | RM 80680861 | Пластина | 1 | 
                                                                     
                                            
                                            S/N 19649-                                         
                                     | 
                            |
| 6 | RM 80680861 | Пластина | 1 | 
                                                                     
                                            
                                            S/N 19649-                                         
                                     | 
                            |
| 7 | RM 80732076 | Кронштейн | 1 | 

