Pump drive power take-off асфальтоукладчика гусеничного Volvo Construction Equipment ABG8820/ABG8820B ABG8820 S/N 21098-23354 ABG8820B S/N 23355-
Pump drive power take-off асфальтоукладчика гусеничного Volvo Construction Equipment ABG8820/ABG8820B ABG8820 S/N 21098-23354 ABG8820B S/N 23355- со списком деталей и комплектацией. Каждую деталь можно приобрести в наличии и под заказ с дотавкой по всей России
Код подсистемы:66009
Наименование:Pump drive power take-off
Версия:S/N 23355 -
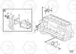
Pump drive power take-off ABG8820/ABG8820B ABG8820 S/N 21098-23354 ABG8820B S/N 23355-
| Поз. | Код | Наименование | Кол | Прим. | |
|---|---|---|---|---|---|
| 1 | VOE 13947621 | Plane gasket | 1 | ||
| 1 | VOE 13947621 | Plane gasket | 1 | ||
| 10 | VOE 20460516 | Прокладка | 1 | ||
| 11 | VOE 20940389 | Gear | 1 | ||
| 12 | VOE 20460512 | Гайка | 1 |
W/O PUMP DRIVE
|
|
| 12 | VOE 20464472 | Гайка | 1 |
WITH PUMP DRIVE
|
|
| 2 | VOE 20405716 | Пробка (заглушка) | 1 | ||
| 2 | VOE 20405716 | Пробка (заглушка) | 1 | ||
| 3 | VOE 20412359 | Кольцо уплотнительное | 1 | ||
| 3 | VOE 20412359 | Кольцо уплотнительное | 1 | ||
| 4 | VOE 24426064 | Крышка | 1 | ||
| 5 | VOE 888289 | Винт шестигранник | 1 | ||
| 6 | VOE 20580547 | Кольцо уплотнительное | 1 | ||
| 7 | VOE 20580550 | Крышка | 1 | ||
| 8 | VOE 888289 | Винт шестигранник | 1 | ||
| 9 | RM 80766058 | Пилотный (шестерёнчатый) насос | 1 | ||
| 9 | RM 80766058 | Пилотный (шестерёнчатый) насос | 1 |

