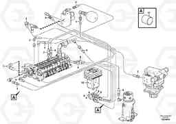
Hydraulic circuit ( low pressure ) мини экскаватора Volvo Construction Equipment EC20C
Hydraulic circuit ( low pressure ) мини экскаватора Volvo Construction Equipment EC20C со списком деталей и комплектацией. Каждую деталь можно приобрести в наличии и под заказ с дотавкой по всей России
Код подсистемы:74164
Наименование:Hydraulic circuit ( low pressure )
Версия:
Hydraulic circuit ( low pressure ) EC20C
| Поз. | Код | Наименование | Кол | Прим. | |
|---|---|---|---|---|---|
| 1 | VOE 15621475 | Hose assembly | 1 |
Acc
|
|
| 11 | VOE 11808372 | Protection | 1 | ||
| 11 | VOE 11808372 | Protection | 1 | ||
| 2 | VOE 936289 | Hose assembly | 1 |
So1a-PB
|
|
| 2 | VOE 936289 | Hose assembly | 1 |
So1a-PB
|
|
| 3 | VOE 15621811 | Hose assembly | 1 |
P-So1b
|
|
| 4 | VOE 936973 | Hose assembly | 1 |
T-TPr
|
|
| 4 | VOE 936973 | Hose assembly | 1 |
T-TPr
|
|
| 5 | VOE 936290 | Hose assembly | 1 |
G-SO2
|
|
| 5 | VOE 936290 | Hose assembly | 1 |
G-SO2
|
|
| 6 | VOE 936852 | Hose assembly | 1 |
2,4
|
|
| 6 | VOE 936852 | Hose assembly | 1 |
2,4
|
|
| 7 | VOE 937115 | Hose assembly | 1 |
1
|
|
| 7 | VOE 937115 | Hose assembly | 1 |
1
|
|
| 8 | VOE 936978 | Hose assembly | 1 |
3,P
|
|
| 8 | VOE 936978 | Hose assembly | 1 |
3,P
|
|
| 9 | VOE 15631600 | Hose assembly | 1 |
T
|

