Transmission controller грейдера Volvo Construction Equipment G700 MODELS S/N 33000 -
Transmission controller грейдера Volvo Construction Equipment G700 MODELS S/N 33000 - со списком деталей и комплектацией. Каждую деталь можно приобрести в наличии и под заказ с дотавкой по всей России
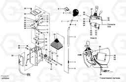
Код подсистемы:19405
Наименование:Transmission controller
Версия:
Transmission controller G700 MODELS S/N 33000 -
| Поз. | Код | Наименование | Кол | Прим. | |
|---|---|---|---|---|---|
| CH 76278 | Kit | 1 |
INCL ITEM NO 1 - 10
|
||
| CH 76281 | Kit | 1 |
INCL ITEM NO 25
|
||
| CH 87521 | Shift Lever | 1 |
CPL, INCL ITEM NO 1 - 35
|
||
| CH 76277 | Kit | 1 |
CPL, INCL ITEM NO 1 - 24,
|
||
| CH 76279 | Kit | 1 |
INCL ITEM NO 11 - 24
|
||
| 36 | CH 84686 | Computer Module | 1 | ||
| 37 | CH 87518 | Кронштейн | 1 |
Mounting
|
|
| 38 | CH 65558 | Уплотнительная втулка | 1 | ||
| 39 | CH 50A-0406ZI | Винт шестигранник | 1 | ||
| 39 | CH 50A-0406ZI | Винт шестигранник | 1 | ||
| 40 | CH 50A-0408ZI | Винт шестигранник | 1 | ||
| 40 | CH 50A-0408ZI | Винт шестигранник | 1 | ||
| 41 | CH 50A-0410ZI | Винт шестигранник | 1 | ||
| 41 | CH 50A-0410ZI | Винт шестигранник | 1 | ||
| 42 | CH 50F-0408PH | Винт шестигранник | 1 | ||
| 43 | VOE 983380 | Шайба | 1 | ||
| 44 | CH 30A-04ZI | Hexagon Nut | 1 | ||
| 44 | CH 30A-04ZI | Hexagon Nut | 1 | ||
| 45 | CH 87136 | Кронштейн | 1 |

