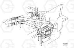
Auxilary manifold valve - hydraulic circuit грейдера Volvo Construction Equipment G700B MODELS S/N 35000 -
Auxilary manifold valve - hydraulic circuit грейдера Volvo Construction Equipment G700B MODELS S/N 35000 - со списком деталей и комплектацией. Каждую деталь можно приобрести в наличии и под заказ с дотавкой по всей России
Код подсистемы:19595
Наименование:Auxilary manifold valve - hydraulic circuit
Версия:S/N 36078 -
Auxilary manifold valve - hydraulic circuit G700B MODELS S/N 35000 -
| Поз. | Код | Наименование | Кол | Прим. | |
|---|---|---|---|---|---|
| 1 | VOE 13933864 | Elbow nipple | 1 | ||
| 1 | VOE 13933864 | Elbow nipple | 1 | ||
| 10 | VOE 935085 | Nipple | 1 | ||
| 10 | VOE 935085 | Nipple | 1 | ||
| 11 | CH 74699 | Челночный клапан | 1 |
Auxiliary
|
|
| 11 | CH 74699 | Челночный клапан | 1 |
Auxiliary
|
|
| 2 | VOE 12736262 | Шланг | 1 |
3 & 5 bank
|
|
| 3 | CH 111E-1212 | Соединитель | 1 | ||
| 4 | VOE 12726124 | Шланг | 1 |
3 & 5 bank
|
|
| 5 | CH 110AH-1216 | Reducer | 1 | ||
| 5 | CH 110AH-1216 | Reducer | 1 | ||
| 6 | VOE 935084 | Nipple | 1 | ||
| 6 | VOE 935084 | Nipple | 1 | ||
| 7 | VOE 12726092 | Hose assembly | 1 |
3 & 5 bank
|
|
| 8 | VOE 935069 | Elbow nipple | 1 | ||
| 8 | VOE 935069 | Elbow nipple | 1 | ||
| 9 | VOE 12726229 | Фиттинг | 1 |

