Cab heater and air conditioning грейдера Volvo Construction Equipment G700B MODELS S/N 35000 -
Cab heater and air conditioning грейдера Volvo Construction Equipment G700B MODELS S/N 35000 - со списком деталей и комплектацией. Каждую деталь можно приобрести в наличии и под заказ с дотавкой по всей России
Код подсистемы:59572
Наименование:Cab heater and air conditioning
Версия:
Cab heater and air conditioning G700B MODELS S/N 35000 -
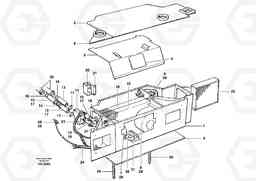
| Поз. | Код | Наименование | Кол | Прим. | |
|---|---|---|---|---|---|
| 1 | VOE 12744397 | Casing | 1 | ||
| 10 | CH 96910 | Соленоид (электромагнитная катушка) | 1 | ||
| 11 | VOE 12733660 | Клапан | 1 |
CPL
|
|
| 12 | CH 407067 | Шланг | 1 | ||
| 13 | CH 407068 | Шланг | 1 | ||
| 14 | CH 400402 | Reducer | 1 | ||
| 15 | CH 400405 | Reducer | 1 | ||
| 16 | VOE 12743612 | Pipe Connection | 1 | ||
| 17 | VOE 11716448 | Зажим | 1 | ||
| 18 | CH 96893 | Крышка | 1 | ||
| 19 | VOE 12731302 | Evaporator | 1 |
SEE SB GRD3R
|
|
| 2 | CH 96904 | Insulation | 1 | ||
| 20 | CH 96909 | Клапан | 1 | ||
| 21 | CH 96898 | Кронштейн | 1 | ||
| 22 | VOE 12725424 | Filter cartridge | 1 |
Fresh air
|
|
| 23 | CH 400298 | Cable harness | 1 | ||
| 24 | CH 96914 | Cable harness | 1 | ||
| 25 | VOE 13940109 | Lock washer | 1 | ||
| 25 | VOE 13940109 | Стопорная шайба (кольцо) | 1 | ||
| 26 | CH 30A-06ZI | Hexagon nut | 1 | ||
| 26 | CH 30A-06ZI | Hexagon nut | 1 | ||
| 27 | CH 96915 | Термостат | 1 |
SE8701
|
|
| 28 | CH 96916 | Resistor | 1 | ||
| 29 | CH 400325 | Draining hose | 1 |
CPL
|
|
| 3 | CH 96896 | Крышка | 1 | ||
| 30 | VOE 20374662 | Реле | 1 | ||
| 31 | VOE 12734398 | Motor | 1 | ||
| 4 | CH 96899 | Крышка | 1 | ||
| 5 | VOE 12744396 | Крышка | 1 | ||
| 6 | CH 96900 | Крышка | 1 | ||
| 7 | CH 96906 | Blower | 1 |
CPL
|
|
| 8 | CH 96905 | Blower | 1 |
CPL
|
|
| 9 | CH 96907 | Blower | 1 |
CPL
|

