Air conditioning line, cooling and heater экскаватора Volvo Construction Equipment EC240
Air conditioning line, cooling and heater экскаватора Volvo Construction Equipment EC240 со списком деталей и комплектацией. Каждую деталь можно приобрести в наличии и под заказ с дотавкой по всей России
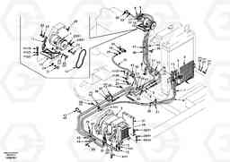
Код подсистемы:55043
Наименование:Air conditioning line, cooling and heater
Версия:
Air conditioning line, cooling and heater EC240
| Поз. | Код | Наименование | Кол | Прим. | |
|---|---|---|---|---|---|
| SA 9011-11008 | Болт | 1 |
SER NO 3958-
|
||
| SA 9011-11008 | Винт шестигранник | 1 |
SER NO 3958-
|
||
| SA 9011-11007 | Болт | 1 |
SER NO 3958-
|
||
| SA 9011-11007 | Болт | 1 |
SER NO 3958-
|
||
| SA 9961-23326 | Шланг | 1 |
SER NO 3755-
|
||
| SA 9961-23340 | Шланг | 1 |
SER NO 3755-
|
||
| VOE 14511415 | Зажим | 1 |
SER NO 3819-
|
||
| VOE 14511415 | Зажим | 1 |
SER NO 3819-
|
||
| SA 2025-01040 | Receiver Drier | 1 | |||
| SA 1125-00413 | Air Cond Unit | 1 | |||
| 1 | SA 1025-03280 | Compressor | 1 | ||
| 10 | SA 1125-01360 | Шланг | 1 | ||
| 11 | SA 1125-03040 | Adj Device | 1 | ||
| 12 | SA 9817-12480 | Ремень клиновой (приводной) | 1 | ||
| 13 | VOE 14500777 | Кронштейн | 1 | ||
| 14 | SA 1025-02360 | Шланг | 1 | ||
| 15 | SA 1025-01520 | Кольцо уплотнительное (О-кольцо) | 1 | ||
| 16 | SA 1025-01530 | Кольцо уплотнительное (О-кольцо) | 1 | ||
| 17 | SA 1025-01540 | Кольцо уплотнительное (О-кольцо) | 1 | ||
| 18 | SA 1125-01890 | Guard | 1 | ||
| 19 | SA 9011-11008 | Болт | 1 |
SER NO 3001-3957
|
|
| 19 | SA 9011-11008 | Винт шестигранник | 1 |
SER NO 3001-3957
|
|
| 2 | SA 1125-00330 | Receiver drier | 1 | ||
| 20 | SA 9011-11007 | Болт | 1 |
SER NO 3001-3957
|
|
| 20 | SA 9011-11007 | Болт | 1 |
SER NO 3001-3957
|
|
| 21 | SA 9011-10804 | Болт | 1 | ||
| 22 | SA 9111-11000 | Гайка | 1 | ||
| 23 | SA 9213-10000 | Шайба пружинная | 1 | ||
| 24 | SA 9213-08000 | Шайба | 1 | ||
| 25 | SA 9211-10000 | Шайба | 1 | ||
| 25 | SA 9211-10000 | Шайба | 1 | ||
| 26 | SA 2022-02920 | Вставка | 1 | ||
| 27 | SA 9041-21010 | Болт | 1 | ||
| 28 | SA 9041-11006 | Болт | 1 | ||
| 29 | SA 9211-08000 | Шайба | 1 | ||
| 29 | SA 9211-08000 | Шайба | 1 | ||
| 3 | SA 1125-01201 | Air Cond Unit | 1 | ||
| 30 | SA 1025-03171 | Уплотнительная втулка | 1 | ||
| 31 | SA 1125-01252 | Пластина | 1 | ||
| 32 | SA 9041-11004 | Болт | 1 | ||
| 33 | SA 9313-00033 | Зажим | 1 |
SER NO 3001-3818
|
|
| 34 | SA 1024-00390 | Клапан | 1 | ||
| 34 | SA 1024-00390 | Клапан | 1 | ||
| 35 | SA 9961-23333 | Шланг | 1 |
SER NO 3001-3754
|
|
| 36 | SA 9961-23345 | Шланг | 1 |
SER NO 3001-3754
|
|
| 36 | SA 9961-23345 | Шланг | 1 |
SER NO 3001-3754
|
|
| 37 | SA 1024-00170 | Weatherstrip | 1 | ||
| 38 | SA 1020-00671 | Крышка | 1 | ||
| 39 | SA 9041-11003 | Болт | 1 | ||
| 4 | SA 1125-01320 | Шланг | 1 | ||
| 40 | SA 9315-01801 | Скоба (хомут) | 1 | ||
| 41 | SA 9315-02203 | Скоба (хомут) | 1 | ||
| 42 | SA 9316-02201 | Скоба (хомут) | 1 | ||
| 43 | SA 9314-02300 | Strip Clamp | 1 | ||
| 44 | SA 1125-00650 | Кронштейн | 1 | ||
| 45 | SA 9315-02501 | Скоба (хомут) | 1 | ||
| 46 | SA 9285-16000 | Шайба | 1 | ||
| 47 | SA 9316-03001 | Insulating clip | 1 | ||
| 47 | SA 9316-03001 | Скоба (хомут) | 1 | ||
| 48 | SA 1125-03000 | Фильтр топливный | 1 | ||
| 49 | SA 9411-95630 | Соединитель | 1 | ||
| 5 | SA 1125-00700 | Трубка | 1 | ||
| 50 | SA 9411-95650 | Elbow | 1 | ||
| 51 | SA 9011-11004 | Болт | 1 | ||
| 52 | SA 9213-11000 | Шайба | 1 | ||
| 6 | SA 1125-01330 | Шланг | 1 | ||
| 7 | SA 1125-01340 | Шланг | 1 | ||
| 8 | SA 1125-01350 | Шланг | 1 | ||
| 9 | SA 1125-00380 | Трубка | 1 |

