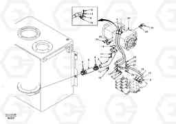
Hydraulic system, hydraulic tank to hydraulic pump экскаватора Volvo Construction Equipment EC140
Hydraulic system, hydraulic tank to hydraulic pump экскаватора Volvo Construction Equipment EC140 со списком деталей и комплектацией. Каждую деталь можно приобрести в наличии и под заказ с дотавкой по всей России
Код подсистемы:7709
Наименование:Hydraulic system, hydraulic tank to hydraulic pump
Версия:
Hydraulic system, hydraulic tank to hydraulic pump EC140
| Поз. | Код | Наименование | Кол | Прим. | |
|---|---|---|---|---|---|
| 1 | SA 9459-04651 | Шланг | 1 | ||
| 10 | SA 9011-11007 | Болт | 1 | ||
| 10 | SA 9011-11007 | Болт | 1 | ||
| 11 | SA 9016-11207 | Болт | 1 | ||
| 12 | SA 9511-12018 | Кольцо уплотнительное (О-кольцо) | 1 | ||
| 13 | SA 9213-10000 | Шайба пружинная | 1 | ||
| 14 | SA 9213-12000 | Шайба пружинная | 1 | ||
| 15 | SA 9511-12024 | Кольцо уплотнительное (О-кольцо) | 1 | ||
| 16 | SA 9415-11042 | Пробка (заглушка) | 1 | ||
| 17 | SA 9512-02018 | Кольцо уплотнительное (О-кольцо) | 1 | ||
| 18 | SA 9512-02214 | Кольцо уплотнительное (О-кольцо) | 1 | ||
| 19 | SA 9512-02232 | Кольцо уплотнительное (О-кольцо) | 1 | ||
| 19 | SA 9512-02232 | Кольцо уплотнительное (О-кольцо) | 1 | ||
| 2 | SA 1142-04971 | Трубка | 1 | ||
| 20 | SA 1142-05141 | Пластина | 1 | ||
| 21 | SA 9372-42835 | Зажим | 1 | ||
| 22 | SA 9211-12000 | Шайба | 1 | ||
| 22 | SA 9211-12000 | Шайба | 1 | ||
| 23 | SA 9011-21212 | Болт | 1 | ||
| 23 | SA 9011-21212 | Винт шестигранник | 1 | ||
| 24 | SA 1042-11650 | Quick Coupling | 1 | ||
| 25 | SA 9511-12011 | Кольцо уплотнительное (О-кольцо) | 1 |
SER NO 3001-3412
|
|
| 3 | SA 1142-05341 | Трубка | 1 | ||
| 4 | SA 9459-04641 | Шланг | 1 | ||
| 5 | SA 9444-09315 | Rubber hose | 1 | ||
| 6 | SA 9419-11050 | Соединитель | 1 | ||
| 6 | SA 9419-11050 | Соединитель | 1 | ||
| 7 | SA 9419-11040 | Соединитель | 1 | ||
| 7 | SA 9419-11040 | Соединитель | 1 | ||
| 8 | SA 9425-51022 | Фланец | 1 | ||
| 9 | SA 9312-10400 | Screw clamp | 1 | ||
| 9 | SA 9312-10400 | Зажим | 1 |

