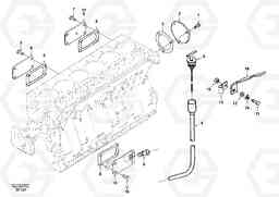
Oil dipstick экскаватора Volvo Construction Equipment EC460
Oil dipstick экскаватора Volvo Construction Equipment EC460 со списком деталей и комплектацией. Каждую деталь можно приобрести в наличии и под заказ с дотавкой по всей России
Код подсистемы:32025
Наименование:Oil dipstick
Версия:
Oil dipstick EC460
| Поз. | Код | Наименование | Кол | Прим. | |
|---|---|---|---|---|---|
| 1 | SA 3009887 | Болт | 1 | ||
| 10 | SA 3253970 | Крышка | 1 | ||
| 11 | SA S-109 | Болт | 1 | ||
| 12 | SA 108330 | Шайба | 1 | ||
| 13 | SA 68152 | Скоба (хомут) | 1 | ||
| 14 | SA S-604 | Шайба | 1 | ||
| 15 | SA S-223 | Гайка | 1 | ||
| 16 | SA 3251884 | Brace | 1 | ||
| 17 | SA 3820860 | Крышка | 1 | ||
| 18 | SA 3335044 | Болт | 1 | ||
| 18 | SA 3335044 | Винт шестигранник | 1 | ||
| 2 | SA 3025295 | Крышка | 1 | ||
| 3 | SA 3025296 | Прокладка | 1 | ||
| 4 | SA 3251882 | Трубка | 1 | ||
| 5 | SA 216484 | Dipstick | 1 | ||
| 6 | SA 3028684 | Крышка | 1 | ||
| 7 | SA 3036230 | Болт | 1 | ||
| 8 | SA 3883472 | Прокладка | 1 | ||
| 9 | SA 163759 | Соединитель | 1 |

