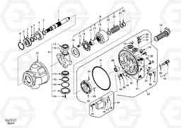
Гидронасос (основной насос) мини экскаватора Volvo Construction Equipment EC55 SER NO 5001-
Гидронасос (основной насос) мини экскаватора Volvo Construction Equipment EC55 SER NO 5001- со списком деталей и комплектацией. Каждую деталь можно приобрести в наличии и под заказ с дотавкой по всей России
Код подсистемы:94312
Наименование:Hydraulic pump
Версия:
Hydraulic pump EC55 SER NO 5001-
| Поз. | Код | Наименование | Кол | Прим. | |
|---|---|---|---|---|---|
| VOE 14503279 | Насос | 1 | |||
| 1 | SA 8230-03190 | Вал | 1 | ||
| 10 | SA 8230-15530 | Hanger | 1 | ||
| 100 | VOE 14504880 | Sealing Kit | 1 |
KIT
|
|
| 11 | SA 8230-02970 | Пластина | 1 | ||
| 12 | SA 8230-02990 | Сальник | 1 | ||
| 13 | SA 8230-02980 | Подшипник | 1 | ||
| 14 | SA 9016-10603 | Болт | 1 | ||
| 15 | SA 8230-03720 | Кольцо уплотнительное (О-кольцо) | 1 | ||
| 16 | SA 8230-15610 | Rotator | 1 | ||
| 17 | SA 8230-15620 | Поршень | 1 | ||
| 18 | SA 8230-03350 | Корпус клапана | 1 | ||
| 19 | SA 8230-03340 | Тарелка клапана | 1 | ||
| 2 | SA 8230-03170 | Сальник | 1 | ||
| 20 | SA 8230-03120 | Пластина | 1 | ||
| 21 | SA 8230-03010 | Guide | 1 | ||
| 22 | SA 8230-03360 | Пружина | 1 | ||
| 23 | SA 8230-02950 | Палец | 1 | ||
| 24 | SA 8230-03110 | Seat | 1 | ||
| 25 | SA 8230-03880 | Кольцо | 1 | ||
| 26 | SA 14504578 | Крышка | 1 | ||
| 27 | SA 8230-03410 | Крышка | 1 | ||
| 28 | SA 8230-03450 | Пластина | 1 | ||
| 29 | SA 8230-03890 | Палец | 1 | ||
| 3 | SA 8230-03180 | Подшипник | 1 | ||
| 30 | SA 8230-03820 | Болт | 1 | ||
| 31 | SA 8230-03930 | Кольцо уплотнительное (О-кольцо) | 1 | ||
| 32 | SA 8230-06960 | Кольцо уплотнительное (О-кольцо) | 1 | ||
| 33 | SA 8230-06540 | Пробка (заглушка) | 1 | ||
| 34 | SA 8230-03080 | Orifice | 1 | ||
| 35 | SA 8230-03130 | Подшипник | 1 | ||
| 36 | SA 8230-15450 | Пробка (заглушка) | 1 | ||
| 37 | VOE 14504579 | Кольцо уплотнительное (О-кольцо) | 1 | ||
| 38 | SA 8230-03800 | Болт | 1 | ||
| 39 | SA 8230-03310 | Фильтр топливный | 1 | ||
| 4 | SA 8230-03850 | Кольцо | 1 | ||
| 40 | SA 8230-03870 | Кольцо | 1 | ||
| 41 | SA 8230-06550 | Пробка (заглушка) | 1 | ||
| 42 | SA 8230-15460 | Пробка (заглушка) | 1 | ||
| 43 | SA 14504580 | Пружина | 1 | ||
| 44 | VOE 14507631 | Поршень | 1 | ||
| 45 | SA 8230-03780 | Болт | 1 | ||
| 46 | SA 8230-03670 | Кольцо уплотнительное (О-кольцо) | 1 | ||
| 47 | SA 8230-03650 | Кольцо уплотнительное (О-кольцо) | 1 | ||
| 48 | SA 8230-03660 | Кольцо уплотнительное (О-кольцо) | 1 | ||
| 49 | VOE 14504587 | Клапан предохранительный (разгрузочный, сброса давления) | 1 | ||
| 5 | SA 8230-03860 | Кольцо | 1 | ||
| 50 | SA 8230-06960 | Кольцо уплотнительное (О-кольцо) | 1 | ||
| 51 | SA 8230-03390 | Картер (корпус) | 1 | ||
| 6 | SA 8230-02960 | Кольцо уплотнительное | 1 | ||
| 7 | SA 8230-03730 | Кольцо уплотнительное (О-кольцо) | 1 | ||
| 7 | SA 8230-03730 | Кольцо уплотнительное (О-кольцо) | 1 | ||
| 8 | SA 8230-03910 | Кольцо | 1 | ||
| 9 | SA 8230-15520 | Hanger | 1 |

