Система охлаждения мини экскаватора Volvo Construction Equipment EC55 SER NO 20001-
    Система охлаждения мини экскаватора Volvo Construction Equipment EC55 SER NO 20001- со списком деталей и комплектацией. Каждую деталь можно приобрести в наличии и под заказ с дотавкой по всей России
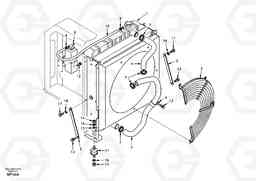
Код подсистемы:33263
            Наименование:Cooling system
            Версия:
        Cooling system EC55 SER NO 20001-
        | Поз. | Код | Наименование | Кол | Прим. | |
|---|---|---|---|---|---|
| 1 | VOE 14503549 | Радиатор | 1 | ||
| 10 | SA 9951-08013 | Шланг топливный | 1 | ||
| 11 | SA 1010-20251 | Shock Absorber | 1 | ||
| 12 | SA 9041-10803 | Болт | 1 | ||
| 13 | SA 9041-11205 | Болт | 1 | ||
| 14 | SA 9111-10800 | Гайка | 1 | ||
| 15 | SA 9285-15000 | Шайба | 1 | ||
| 16 | SA 9213-08000 | Шайба | 1 | ||
| 17 | SA 9011-11006 | Болт | 1 | ||
| 18 | SA 9211-10000 | Шайба | 1 | ||
| 18 | SA 9211-10000 | Шайба | 1 | ||
| 2 | SA 1115-30220 | Guard | 1 | ||
| 2 | SA 1115-30220 | Guard | 1 | ||
| 3 | SA 1115-30130 | Опора | 1 | ||
| 4 | VOE 14503559 | Шланг | 1 | ||
| 5 | VOE 14503561 | Шланг | 1 | ||
| 5 | VOE 14503561 | Шланг | 1 | ||
| 6 | SA 9315-16001 | Скоба (хомут) | 1 | ||
| 7 | SA 9312-10250 | Зажим | 1 | ||
| 8 | VOE 14504668 | Бак | 1 | ||
| 9 | SA 9312-00004 | Зажим | 1 | 

