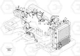
Cable harness, engine экскаватора Volvo Construction Equipment EC460B
    Cable harness, engine экскаватора Volvo Construction Equipment EC460B со списком деталей и комплектацией. Каждую деталь можно приобрести в наличии и под заказ с дотавкой по всей России
Код подсистемы:49104
            Наименование:Cable harness, engine
            Версия:
        Cable harness, engine EC460B
        | Поз. | Код | Наименование | Кол | Прим. | |
|---|---|---|---|---|---|
| VOE 14517125 | Wire harness | 1 | 
                                                                     
                                            
                                            SER NO 10034-10219                                         
                                     | 
                            ||
| VOE 14518711 | Cable harness | 1 | 
                                                                     
                                            
                                            SER NO 10220-10852                                         
                                     | 
                            ||
| VOE 14526867 | Wire harness | 1 | 
                                                                     
                                            
                                            SER NO 10853-10921                                         
                                     | 
                            ||
| VOE 14530033 | Wire harness | 1 | 
                                                                     
                                            
                                            SER NO 10922-                                         
                                     | 
                            ||
| VOE 947760 | Flange screw | 1 | 
                                                                     
                                            
                                            SER NO 10034-                                         
                                     | 
                            ||
| VOE 947760 | Flange screw | 1 | 
                                                                     
                                            
                                            SER NO 10034-                                         
                                     | 
                            ||
| VOE 14881249 | Скоба (хомут) | 1 | 
                                                                     
                                            
                                            SER NO 10750-                                         
                                     | 
                            ||
| 1 | VOE 14529258 | Кронштейн | 1 | ||
| 1 | VOE 14529258 | Кронштейн | 1 | ||
| 10 | VOE 946471 | Flange screw | 1 | ||
| 10 | VOE 946471 | Flange screw | 1 | ||
| 11 | VOE 955894 | Шайба | 1 | ||
| 11 | VOE 955894 | Шайба | 1 | ||
| 12 | SA 9392-10090 | Скоба (хомут) | 1 | 
                                                                     
                                            
                                            SER NO 10001-10749                                         
                                     | 
                            |
| 13 | SA 9392-20130 | Скоба (хомут) | 1 | ||
| 2 | VOE 14500290 | Скоба (хомут) | 1 | ||
| 2 | VOE 14500290 | Скоба (хомут) | 1 | ||
| 3 | VOE 14500292 | Скоба (хомут) | 1 | ||
| 3 | VOE 14500292 | Скоба (хомут) | 1 | ||
| 4 | VOE 14500297 | Скоба (хомут) | 1 | ||
| 4 | VOE 14500297 | Скоба (хомут) | 1 | ||
| 5 | VOE 14500298 | Скоба (хомут) | 1 | ||
| 5 | VOE 14500298 | Скоба (хомут) | 1 | ||
| 6 | VOE 14503753 | Wire harness | 1 | 
                                                                     
                                            
                                            SER NO 10001-10033                                         
                                     | 
                            |
| 7 | VOE 14529329 | Вставка | 1 | ||
| 8 | VOE 14529346 | Кронштейн | 1 | ||
| 8 | VOE 14529346 | Кронштейн | 1 | ||
| 9 | SA 9041-20808 | Болт | 1 | 
                                                                     
                                            
                                            SER NO 10001-10033                                         
                                     | 
                            

