Fuel filling pump with assembling details экскаватора Volvo Construction Equipment EC460B
Fuel filling pump with assembling details экскаватора Volvo Construction Equipment EC460B со списком деталей и комплектацией. Каждую деталь можно приобрести в наличии и под заказ с дотавкой по всей России
Код подсистемы:98767
Наименование:Fuel filling pump with assembling details
Версия:
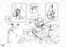
Fuel filling pump with assembling details EC460B
| Поз. | Код | Наименование | Кол | Прим. | |
|---|---|---|---|---|---|
| VOE 14517654 | Refuelling pump | 1 |
SER NO 10134-
|
||
| VOE 14529317 | Адаптер | 1 | |||
| VOE 14881252 | Скоба (хомут) | 1 |
SER NO 10750-
|
||
| VOE 14517573 | Fuel Fill Pump | 1 |
SER NO 10218-
|
||
| VOE 14517657 | Шланг | 1 |
SER NO 10134-
|
||
| VOE 14529318 | Адаптер | 1 | |||
| VOE 946471 | Flange screw | 1 | |||
| VOE 946471 | Flange screw | 1 | |||
| VOE 14508700 | Шланг | 1 | |||
| SA 1128-00650 | Fuel Fill Pump | 1 | |||
| SA 1128-00530 | Скоба (хомут) | 1 |
SER NO 10001-10133
|
||
| VOE 14881119 | Шланг | 1 |
SER NO 10696-
|
||
| VOE 14517753 | Клапан | 1 |
SER NO 10218-
|
||
| VOE 14500298 | Скоба (хомут) | 1 | |||
| VOE 14500298 | Скоба (хомут) | 1 | |||
| VOE 14517747 | Адаптер | 1 |
SER NO 10218-
|
||
| VOE 14515172 | Шланг | 1 |
SER NO 10001-10133
|
||
| VOE 14515087 | Fuel Fill Pump | 1 |
SER NO 10001-10133
|
||
| VOE 14529319 | Клапан | 1 | |||
| VOE 14517655 | Скоба (хомут) | 1 |
SER NO 10134-
|
||
| VOE 14517749 | Шланг | 1 |
SER NO 10218-
|
||
| VOE 14544828 | Fuel Fill Pump | 1 | |||
| VOE 14517748 | Адаптер | 1 |
SER NO 10218-
|
||
| VOE 14517754 | Скоба (хомут) | 1 |
SER NO 10218-
|
||
| 1 | VOE 14515086 | Fuel Fill Pump | 1 |
SER NO 10001-10217
|
|
| 10 | VOE 14529323 | Пробка (заглушка) | 1 | ||
| 11 | VOE 14501353 | Крышка | 1 | ||
| 12 | VOE 14500297 | Скоба (хомут) | 1 | ||
| 12 | VOE 14500297 | Скоба (хомут) | 1 | ||
| 13 | VOE 14502170 | Toggle switch | 1 | ||
| 13 | VOE 14502170 | Toggle switch | 1 | ||
| 14 | SA 9751-12504 | Уплотнительная втулка | 1 | ||
| 15 | SA 9951-19052 | Шланг | 1 |
SER NO 10001-10695
|
|
| 16 | VOE 14529395 | Кронштейн | 1 | ||
| 17 | VOE 946471 | Flange screw | 1 |
SER NO 10034-
|
|
| 17 | VOE 946471 | Flange screw | 1 |
SER NO 10034-
|
|
| 18 | VOE 14529399 | Уплотнительная втулка | 1 | ||
| 19 | VOE 14508740 | Sensor | 1 | ||
| 2 | SA 1128-00640 | Fuel Fill Pump | 1 | ||
| 20 | VOE 946472 | Flange screw | 1 | ||
| 20 | VOE 946472 | Flange screw | 1 | ||
| 21 | VOE 946934 | Flange screw | 1 | ||
| 21 | VOE 946934 | Flange screw | 1 | ||
| 22 | VOE 14515173 | Пробка (заглушка) | 1 | ||
| 22 | VOE 14515173 | Пробка (заглушка) | 1 | ||
| 23 | VOE 13947629 | Plane gasket | 1 | ||
| 23 | VOE 13947629 | Plane gasket | 1 | ||
| 24 | SA 9511-22025 | Кольцо уплотнительное (О-кольцо) | 1 | ||
| 25 | VOE 14529334 | Кронштейн | 1 |
SER NO 10034-
|
|
| 25 | VOE 14529334 | Кронштейн | 1 |
SER NO 10034-
|
|
| 26 | SA 9392-20130 | Скоба (хомут) | 1 |
SER NO 10034-10749
|
|
| 27 | VOE 14529322 | Кронштейн | 1 | ||
| 28 | VOE 14505597 | Кронштейн | 1 | ||
| 29 | VOE 14529313 | Stop | 1 | ||
| 3 | SA 1128-00030 | Адаптер | 1 |
SER NO 10001-10217
|
|
| 4 | SA 1128-00410 | Адаптер | 1 |
SER NO 10001-10217
|
|
| 5 | VOE 14515171 | Inlet hose | 1 |
SER NO 10001-10217
|
|
| 6 | SA 1128-00060 | Клапан | 1 |
SER NO 10001-10217
|
|
| 7 | SA 1128-00310 | Скоба (хомут) | 1 |
SER NO 10001-10217
|
|
| 8 | VOE 14524955 | Переключатель | 1 | ||
| 9 | VOE 14529136 | Скоба (хомут) | 1 |
SER NO 10034-
|

