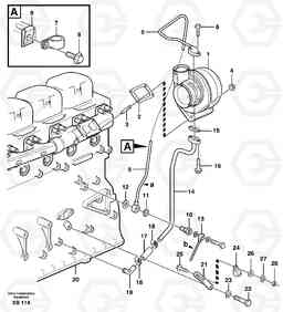
Турбокомпрессор (турбина) с установочными деталями экскаватора Volvo Construction Equipment EC330B
Турбокомпрессор (турбина) с установочными деталями экскаватора Volvo Construction Equipment EC330B со списком деталей и комплектацией. Каждую деталь можно приобрести в наличии и под заказ с дотавкой по всей России
Код подсистемы:76284
Наименование:Turbocharger with fitting parts
Версия:D10B ENGINE
Turbocharger with fitting parts EC330B
| Поз. | Код | Наименование | Кол | Прим. | |
|---|---|---|---|---|---|
| VOE 420641 | Прокладка | 1 | |||
| VOE 420641 | Прокладка | 1 | |||
| VOE 13945444 | Болт | 1 |
L = 25 MM
|
||
| VOE 13945444 | Screw | 1 |
L = 25 MM
|
||
| 1 | VOE 11162409 | Турбокомпрессор (турбина) | 1 | ||
| 10 | VOE 479464 | Hollow screw | 1 | ||
| 11 | VOE 942703 | Прокладка | 1 | ||
| 11 | VOE 942703 | Прокладка | 1 | ||
| 12 | VOE 11700303 | Сальник | 1 | ||
| 14 | VOE 11031489 | Oil pipe | 1 | ||
| 15 | VOE 420643 | Прокладка | 1 | ||
| 15 | VOE 420643 | Прокладка | 1 | ||
| 16 | VOE 13965215 | Flange screw | 1 | ||
| 17 | VOE 466328 | Шланг | 1 | ||
| 18 | VOE 13943474 | Hose clamp | 1 | ||
| 19 | VOE 479959 | Nipple | 1 | ||
| 2 | VOE 8194365 | Прокладка | 1 | ||
| 2 | VOE 8194365 | Прокладка | 1 | ||
| 21 | VOE 414692 | Кронштейн | 1 | ||
| 22 | VOE 955534 | Винт шестигранник | 1 | ||
| 22 | VOE 955534 | Винт шестигранник | 1 | ||
| 23 | VOE 13942336 | Шайба пружинная | 1 | ||
| 23 | VOE 13942336 | Шайба пружинная | 1 | ||
| 24 | VOE 952632 | Зажим | 1 | ||
| 24 | VOE 952632 | Зажим | 1 | ||
| 25 | VOE 950046 | Болт | 1 | ||
| 25 | VOE 950046 | Cross recessed screw | 1 | ||
| 26 | VOE 955893 | Шайба | 1 | ||
| 26 | VOE 955893 | Шайба | 1 | ||
| 27 | VOE 13941906 | Шайба | 1 | ||
| 27 | VOE 13941906 | Шайба | 1 | ||
| 28 | VOE 955825 | Hexagon nut | 1 | ||
| 28 | VOE 955825 | Гайка | 1 | ||
| 3 | VOE 8194545 | Шпилька | 1 | ||
| 4 | VOE 8194568 | Гайка | 1 | ||
| 5 | VOE 11031496 | Oil pipe | 1 | ||
| 6 | VOE 13946173 | Screw | 1 |
L = 20 MM
|
|
| 6 | VOE 13946173 | Болт | 1 |
L = 20 MM
|
|
| 7 | VOE 13968200 | Зажим | 1 | ||
| 8 | VOE 13946544 | Болт | 1 | ||
| 8 | VOE 13946544 | Screw | 1 | ||
| 9 | VOE 949921 | Spring nut | 1 | ||
| 9 | VOE 949921 | Spring nut | 1 |

