Fuel pipe - Fuel tank экскаватора Volvo Construction Equipment EC290B
Fuel pipe - Fuel tank экскаватора Volvo Construction Equipment EC290B со списком деталей и комплектацией. Каждую деталь можно приобрести в наличии и под заказ с дотавкой по всей России
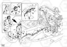
Код подсистемы:88800
Наименование:Fuel pipe - Fuel tank
Версия:
Fuel pipe - Fuel tank EC290B
| Поз. | Код | Наименование | Кол | Прим. | |
|---|---|---|---|---|---|
| VOE 14881101 | Шланг топливный | 1 |
SER NO 10831-
|
||
| VOE 14881101 | Шланг топливный | 1 |
SER NO 10831-
|
||
| VOE 11110670 | Сепаратор влагоотделителя | 1 |
SER NO 12418-
|
||
| VOE 11110670 | Сепаратор влагоотделителя | 1 |
SER NO 12418-
|
||
| VOE 11713284 | Draining bowl | 1 | |||
| VOE 11713284 | Draining bowl | 1 | |||
| VOE 14881127 | Шланг | 1 |
SER NO 10831-
|
||
| VOE 14514238 | Муфта | 1 | |||
| VOE 14516446 | Elbow | 1 |
SER NO 10831-
|
||
| VOE 14516446 | Elbow | 1 |
SER NO 10831-
|
||
| VOE 14519698 | Клапан | 1 | |||
| VOE 14519696 | Прокладка | 1 | |||
| VOE 946329 | Flange screw | 1 |
SER NO 10831-
|
||
| VOE 946329 | Flange screw | 1 |
SER NO 10831-
|
||
| VOE 946471 | Flange screw | 1 |
SER NO 10061-
|
||
| VOE 946471 | Flange screw | 1 |
SER NO 10061-
|
||
| VOE 14519697 | Прокладка | 1 | |||
| VOE 11110474 | Фильтр топливный | 1 |
SER NO 10831-12417
|
||
| VOE 11110474 | Primary filter | 1 |
SER NO 10831-12417
|
||
| SA 9315-01801 | Скоба (хомут) | 1 |
SER NO 10061-
|
||
| VOE 11713138 | Filter housing | 1 | |||
| VOE 11713138 | Filter housing | 1 | |||
| SA 9426-20050 | Прокладка | 1 |
SER NO 10831-
|
||
| VOE 11110668 | Фильтр топливный | 1 |
SER NO 12418-
|
||
| VOE 11110668 | Фильтр топливный | 1 |
SER NO 12418-
|
||
| 1 | VOE 11172896 | Сепаратор влагоотделителя | 1 |
SER NO 10001-10830
|
|
| 1 | VOE 11172896 | Сепаратор влагоотделителя | 1 |
SER NO 10001-10830
|
|
| 10 | VOE 14880382 | Соединитель | 1 | ||
| 11 | SA 9426-20050 | Прокладка | 1 |
SER NO 10001-10830
|
|
| 12 | SA 9426-20060 | Прокладка | 1 |
SER NO 10001-10830
|
|
| 13 | VOE 946440 | Flange screw | 1 |
SER NO 10001-10830
|
|
| 13 | VOE 946440 | Flange screw | 1 |
SER NO 10001-10830
|
|
| 14 | VOE 946471 | Flange screw | 1 |
SER NO 10001-10060
|
|
| 14 | VOE 946471 | Flange screw | 1 |
SER NO 10001-10060
|
|
| 15 | SA 9511-42910 | Кольцо уплотнительное (О-кольцо) | 1 |
SER NO 10001-10830
|
|
| 16 | VOE 955919 | Шайба пружинная | 1 |
SER NO 10001-10830
|
|
| 16 | VOE 955919 | Шайба пружинная | 1 |
SER NO 10001-10830
|
|
| 17 | SA 9751-15016 | Уплотнительная втулка | 1 | ||
| 18 | VOE 14548263 | Шланг топливный | 1 | ||
| 19 | SA 9951-11004 | Шланг топливный | 1 |
SER NO 10001-10830
|
|
| 2 | VOE 11110471 | Сепаратор влагоотделителя | 1 |
SER NO 10831-12417
|
|
| 2 | VOE 11110471 | Сепаратор влагоотделителя | 1 |
SER NO 10831-12417
|
|
| 20 | VOE 14881100 | Шланг топливный | 1 |
SER NO 10001-10830
|
|
| 20 | VOE 14881100 | Шланг топливный | 1 |
SER NO 10001-10830
|
|
| 21 | VOE 14881107 | Шланг топливный | 1 | ||
| 22 | SA 9952-10018 | Шланг | 1 |
SER NO 10001-10830
|
|
| 23 | SA 9312-00005 | Зажим | 1 |
SER NO 10001-10830
|
|
| 24 | SA 9315-01801 | Скоба (хомут) | 1 |
SER NO 10001-10830
|
|
| 25 | VOE 946471 | Flange screw | 1 |
SER NO 10001-10830
|
|
| 25 | VOE 946471 | Flange screw | 1 |
SER NO 10001-10830
|
|
| 26 | SA 9415-22051 | Пробка (заглушка) | 1 |
SER NO 10831-
|
|
| 26 | SA 9415-22051 | Пробка (заглушка) | 1 |
SER NO 10831-
|
|
| 27 | SA 9412-22050 | Соединитель | 1 |
SER NO 10831-
|
|
| 27 | SA 9412-22050 | Соединитель | 1 |
SER NO 10831-
|
|
| 28 | VOE 14880194 | Elbow | 1 |
SER NO 10001-10830
|
|
| 28 | VOE 14880194 | Elbow | 1 |
SER NO 10001-10830
|
|
| 3 | VOE 14880192 | Соединитель | 1 |
SER NO 10001-10830
|
|
| 3 | VOE 14880192 | Соединитель | 1 |
SER NO 10001-10830
|
|
| 4 | SA 9011-20609 | Болт | 1 |
SER NO 10001-10830
|
|
| 5 | SA 9312-00005 | Зажим | 1 | ||
| 6 | SA 9314-02100 | Strip clamp | 1 | ||
| 6 | SA 9314-02100 | Strip clamp | 1 | ||
| 7 | SA 9315-01801 | Скоба (хомут) | 1 |
SER NO 10001-10060
|
|
| 8 | SA 9411-08080 | Соединитель | 1 | ||
| 8 | SA 9411-08080 | Соединитель | 1 | ||
| 9 | SA 9411-96290 | Соединитель | 1 |
SER NO 10001-10830
|

