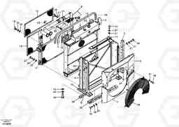
Радиатор экскаватора Volvo Construction Equipment EC240B
Радиатор экскаватора Volvo Construction Equipment EC240B со списком деталей и комплектацией. Каждую деталь можно приобрести в наличии и под заказ с дотавкой по всей России
Код подсистемы:49289
Наименование:Radiator
Версия:
Radiator EC240B
| Поз. | Код | Наименование | Кол | Прим. | |
|---|---|---|---|---|---|
| VOE 14516222 | Радиатор | 1 |
SER NO 10001-10085
|
||
| VOE 14517232 | Радиатор | 1 |
SER NO 10086-11066
|
||
| VOE 14524879 | Радиатор | 1 |
SER NO 11067-11150
|
||
| VOE 14528400 | Радиатор | 1 |
SER NO 11511-
|
||
| SA 9011-11205 | Болт | 1 |
SER NO 10086-
|
||
| VOE 14505979 | Guard | 1 | |||
| VOE 978938 | Винт шестигранник | 1 |
SER NO 10086-
|
||
| VOE 978938 | Винт шестигранник | 1 |
SER NO 10086-
|
||
| SA 9316-02201 | Скоба (хомут) | 1 |
SER NO 10086-
|
||
| VOE 14516591 | Fan Shroud | 1 |
SER NO 10001-10085
|
||
| VOE 14516591 | Fan Shroud | 1 |
SER NO 10001-10085
|
||
| VOE 14524882 | Радиатор | 1 |
SER NO 11067-11510
|
||
| VOE 14516617 | Радиатор | 1 |
SER NO 10001-10085
|
||
| VOE 14517233 | Радиатор | 1 |
SER NO 10086-11066
|
||
| VOE 14524880 | Радиатор | 1 |
SER NO 11067-11510
|
||
| VOE 14528399 | Радиатор | 1 |
SER NO 11511-
|
||
| VOE 14517258 | Радиатор | 1 |
SER NO 10086-11066
|
||
| VOE 14524883 | Радиатор | 1 |
SER NO 11067-11510
|
||
| VOE 14524883 | Радиатор | 1 |
SER NO 11067-11510
|
||
| VOE 14525536 | Радиатор | 1 |
SER NO 11511-
|
||
| VOE 14525536 | Радиатор | 1 |
SER NO 11511-
|
||
| VOE 14502207 | Крышка радиатора | 1 | |||
| VOE 14502207 | Cap | 1 | |||
| VOE 14524886 | Sponge | 1 |
SER NO 11067-
|
||
| VOE 14524886 | Sponge | 1 |
SER NO 11067-
|
||
| VOE 14524885 | Sponge | 1 |
SER NO 11067-
|
||
| VOE 14524885 | Sponge | 1 |
SER NO 11067-
|
||
| VOE 14517259 | Fan Shroud | 1 |
SER NO 10086-
|
||
| VOE 14505977 | Fan Shroud | 1 |
SER NO 10001-10085
|
||
| VOE 14517263 | Fan Shroud | 1 |
SER NO 10086-
|
||
| VOE 14517263 | Fan Shroud | 1 |
SER NO 10086-
|
||
| VOE 14516592 | Fan Shroud | 1 |
SER NO 10001-10085
|
||
| VOE 14516592 | Fan Shroud | 1 |
SER NO 10001-10085
|
||
| VOE 14517260 | Fan Shroud | 1 |
SER NO 10086-
|
||
| VOE 14517264 | Fan Shroud | 1 |
SER NO 10086-
|
||
| VOE 14517264 | Fan Shroud | 1 |
SER NO 10086-
|
||
| VOE 14517261 | Fan Shroud | 1 |
SER NO 10086-
|
||
| VOE 14512526 | Shut-off Cock | 1 | |||
| VOE 14524884 | Guard | 1 |
SER NO 11067-11510
|
||
| VOE 14524884 | Guard | 1 |
SER NO 11067-11510
|
||
| VOE 14528397 | Guard | 1 |
SER NO 11511-
|
||
| VOE 14528397 | Guard | 1 |
SER NO 11511-
|
||
| SA 9962-00931 | Шланг | 1 |
SER NO 10086-
|
||
| VOE 14528398 | Радиатор | 1 |
SER NO 11511-
|
||
| VOE 14517262 | Fan Shroud | 1 |
SER NO 10086-
|
||
| VOE 14516220 | Радиатор | 1 |
SER NO 10001-10085
|
||
| VOE 14505978 | Fan Shroud | 1 |
SER NO 10001-10085
|
||
| VOE 14524888 | Sponge | 1 |
SER NO 11067-
|
||
| VOE 14524888 | Sponge | 1 |
SER NO 11067-
|
||
| VOE 14517235 | Радиатор | 1 |
SER NO 10086-11066
|
||
| 1 | VOE 14501337 | Радиатор | 1 |
SER NO 10001-10085
|
|
| 10 | VOE 14508729 | Guard | 1 |
SER NO 10001-11066
|
|
| 11 | VOE 14514357 | Масляный радиатор | 1 | ||
| 12 | VOE 14508731 | Net | 1 | ||
| 12 | VOE 14508731 | Net | 1 | ||
| 13 | VOE 14508732 | Net | 1 | ||
| 13 | VOE 14508732 | Net | 1 | ||
| 14 | VOE 14508733 | Крышка | 1 | ||
| 15 | SA 9962-00934 | Шланг | 1 |
SER NO 10001-10085
|
|
| 16 | VOE 14517158 | Трубка | 1 | ||
| 17 | VOE 14513279 | Шланг | 1 | ||
| 17 | VOE 14513279 | Шланг | 1 | ||
| 18 | VOE 14514244 | Sponge | 1 | ||
| 19 | SA 9035-10804 | Болт | 1 | ||
| 19 | SA 9035-10804 | Bolt | 1 | ||
| 2 | VOE 14502489 | Пластина | 1 | ||
| 2 | VOE 14502489 | Пластина | 1 | ||
| 20 | SA 9211-08000 | Шайба | 1 | ||
| 20 | SA 9211-08000 | Шайба | 1 | ||
| 21 | SA 9211-10000 | Шайба | 1 | ||
| 21 | SA 9211-10000 | Шайба | 1 | ||
| 22 | SA 9211-12000 | Шайба | 1 | ||
| 22 | SA 9211-12000 | Шайба | 1 | ||
| 23 | SA 9312-00005 | Зажим | 1 | ||
| 24 | SA 9313-10325 | Зажим | 1 | ||
| 24 | SA 9313-10325 | Clamp | 1 | ||
| 25 | SA 9315-01601 | Clip | 1 | ||
| 25 | SA 9315-01601 | Скоба (хомут) | 1 | ||
| 26 | VOE 955921 | Шайба пружинная | 1 | ||
| 26 | VOE 955921 | Шайба пружинная | 1 | ||
| 27 | VOE 955922 | Шайба пружинная | 1 | ||
| 27 | VOE 955922 | Шайба пружинная | 1 | ||
| 28 | VOE 955923 | Шайба пружинная | 1 | ||
| 28 | VOE 955923 | Шайба пружинная | 1 | ||
| 29 | SA 9572-11750 | Weatherstrip | 1 | ||
| 3 | VOE 14502490 | Пластина | 1 | ||
| 3 | VOE 14502490 | Пластина | 1 | ||
| 30 | VOE 978932 | Болт | 1 |
SER NO 10001-10085
|
|
| 30 | VOE 978932 | Винт шестигранник | 1 |
SER NO 10001-10085
|
|
| 31 | VOE 978934 | Винт шестигранник | 1 | ||
| 31 | VOE 978934 | Винт шестигранник | 1 | ||
| 32 | VOE 983241 | Винт шестигранник | 1 | ||
| 32 | VOE 983241 | Винт шестигранник | 1 | ||
| 33 | VOE 983251 | Винт шестигранник | 1 | ||
| 33 | VOE 983251 | Винт шестигранник | 1 | ||
| 34 | VOE 14524887 | Sponge | 1 |
SER NO 11067-
|
|
| 34 | VOE 14524887 | Sponge | 1 |
SER NO 11067-
|
|
| 35 | VOE 14524889 | Sponge | 1 |
SER NO 11067-
|
|
| 35 | VOE 14524889 | Sponge | 1 |
SER NO 11067-
|
|
| 36 | VOE 14524890 | Sponge | 1 |
SER NO 11067-
|
|
| 36 | VOE 14524890 | Sponge | 1 |
SER NO 11067-
|
|
| 37 | VOE 14517267 | Пластина | 1 |
SER NO 10086-
|
|
| 38 | VOE 983241 | Винт шестигранник | 1 | ||
| 38 | VOE 983241 | Винт шестигранник | 1 | ||
| 39 | SA 1115-01160 | Guard | 1 | ||
| 39 | SA 1115-01160 | Guard | 1 | ||
| 4 | VOE 14502493 | Sponge | 1 |
SER NO 10001-11066
|
|
| 40 | SA 9011-11608 | Болт | 1 |
SER NO 10001-10085
|
|
| 41 | SA 9211-08000 | Шайба | 1 | ||
| 41 | SA 9211-08000 | Шайба | 1 | ||
| 42 | SA 9211-16000 | Шайба | 1 | ||
| 43 | SA 9316-01601 | Скоба (хомут) | 1 |
SER NO 10001-10085
|
|
| 43 | SA 9316-01601 | Скоба (хомут) | 1 |
SER NO 10001-10085
|
|
| 44 | VOE 955926 | Шайба пружинная | 1 | ||
| 44 | VOE 955926 | Шайба пружинная | 1 | ||
| 5 | VOE 14502494 | Sponge | 1 |
SER NO 10001-11066
|
|
| 6 | VOE 14502495 | Sponge | 1 |
SER NO 10001-11066
|
|
| 7 | VOE 14503835 | Fan Shroud | 1 |
SER NO 10001-10085
|
|
| 8 | VOE 14503836 | Fan Shroud | 1 |
SER NO 10001-10085
|
|
| 9 | VOE 14508728 | Chg Air Cooler | 1 | ||
| 9 | VOE 14508728 | Chg Air Cooler | 1 |

