Electrical system for diesel powered supple- mentary погрузчика колесного Volvo Construction Equipment 6300 6300
Electrical system for diesel powered supple- mentary погрузчика колесного Volvo Construction Equipment 6300 6300 со списком деталей и комплектацией. Каждую деталь можно приобрести в наличии и под заказ с дотавкой по всей России
Код подсистемы:69457
Наименование:Electrical system for diesel powered supple- mentary
Версия:91265
Electrical system for diesel powered supple- mentary 6300 6300
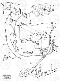
| Поз. | Код | Наименование | Кол | Прим. | |
|---|---|---|---|---|---|
| VOE 969163 | Fuse | 1 |
25A
|
||
| VOE 969163 | Fuse | 1 |
25A
|
||
| VOE 11039490 | Fuse holder | 1 | |||
| VOE 11039490 | Fuse holder | 1 | |||
| 10 | VOE 969278 | Винт шестигранник (торцевой ключ) | 1 | ||
| 10 | VOE 969278 | Винт шестигранник (торцевой ключ) | 1 | ||
| 11 | VOE 13946556 | Relay socket | 1 | ||
| 11 | VOE 13946556 | Relay socket | 1 | ||
| 12 | VOE 4786690 | Реле | 1 | ||
| 12 | VOE 4786690 | Реле | 1 | ||
| 13 | VOE 13946934 | Болт | 1 | ||
| 13 | VOE 13946934 | Болт | 1 | ||
| 14 | VOE 13949278 | Flange lock nut | 1 | ||
| 14 | VOE 13949278 | Flange lock nut | 1 | ||
| 16 | VOE 969278 | Винт шестигранник (торцевой ключ) | 1 | ||
| 16 | VOE 969278 | Винт шестигранник (торцевой ключ) | 1 | ||
| 17 | VOE 3728896 | Clock | 1 | ||
| 18 | VOE 4803455 | Переключатель | 1 | ||
| 19 | VOE 11039146 | Lens | 1 | ||
| 20 | VOE 4881440 | Cable tie | 1 | ||
| 20 | VOE 4881440 | Cable tie | 1 | ||
| 22 | VOE 956965 | Cable terminal | 1 | ||
| 22 | VOE 956965 | Cable terminal | 1 | ||
| 25 | VOE 961960 | Уплотнительная втулка | 1 | ||
| 25 | VOE 961960 | Уплотнительная втулка | 1 | ||
| 26 | VOE 956958 | Splice | 1 | ||
| 26 | VOE 956958 | Splice | 1 | ||
| 27 | VOE 11104606 | Retaining strap | 1 | ||
| 27 | VOE 11104606 | Retaining strap | 1 | ||
| 28 | VOE 948296 | Картер (корпус) | 1 | ||
| 28 | VOE 948296 | Изолятор | 1 | ||
| 3 | VOE 13947542 | Болт | 1 | ||
| 3 | VOE 13947542 | Болт | 1 | ||
| 4 | VOE 13949278 | Flange lock nut | 1 | ||
| 4 | VOE 13949278 | Flange lock nut | 1 | ||
| 5 | VOE 946035 | Lock nut | 1 | ||
| 5 | VOE 946035 | Lock nut | 1 | ||
| 7 | VOE 956059 | Cross recessed screw | 1 | ||
| 7 | VOE 956059 | Cross recessed screw | 1 | ||
| 8 | VOE 3714413 | Control unit | 1 |
24V
|
|
| 9 | VOE 11008803 | 11008803 | 1 |

