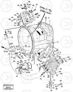
Converter housing with fitting parts погрузчика колесного Volvo Construction Equipment L160 VOLVO BM L160
Converter housing with fitting parts погрузчика колесного Volvo Construction Equipment L160 VOLVO BM L160 со списком деталей и комплектацией. Каждую деталь можно приобрести в наличии и под заказ с дотавкой по всей России
Код подсистемы:100731
Наименование:Converter housing with fitting parts
Версия:
Converter housing with fitting parts L160 VOLVO BM L160
| Поз. | Код | Наименование | Кол | Прим. | |
|---|---|---|---|---|---|
| VOE 956984 | Fitting nut | 1 |
HT 3687 -
|
||
| VOE 13931678 | Protecting plug | 1 |
HT - 3704: (931678)
|
||
| VOE 13931678 | Protecting plug | 1 |
HT - 3704: (931678)
|
||
| VOE 11145551 | Прокладка | 1 |
(VOE 11037045)
|
||
| VOE 11145551 | Прокладка | 1 |
(VOE 11037045)
|
||
| VOE 931218 | Back-up ring | 1 | |||
| VOE 931218 | Back-up ring | 1 | |||
| VOE 11037077 | Connecting plate | 1 | |||
| VOE 11034156 | Пробка (заглушка) | 1 |
HT 3705 -
|
||
| VOE 11034156 | Пробка (заглушка) | 1 |
HT 3705 -
|
||
| VOE 11037007 | Прокладка | 1 |
HT - 3415
|
||
| VOE 11037007 | Прокладка | 1 |
HT - 3415
|
||
| VOE 955301 | Винт шестигранник | 1 |
L=55
|
||
| VOE 955301 | Винт шестигранник | 1 |
L=55
|
||
| VOE 11998297 | Картер (корпус) | 1 |
: L PROD
|
||
| VOE 13955307 | Болт | 1 |
L = 100: (955307)
|
||
| VOE 13955307 | Болт | 1 |
L = 100: (955307)
|
||
| VOE 13949574 | Кольцо уплотнительное (О-кольцо) | 1 | |||
| VOE 13949574 | Кольцо уплотнительное (О-кольцо) | 1 | |||
| VOE 11037061 | Oil distributor | 1 |
3 ports / 3 portar
|
||
| VOE 11037186 | Кольцо стопорное | 1 |
L PROD
|
||
| VOE 11037186 | Retaining ring | 1 |
L PROD
|
||
| VOE 11037047 | Шайба | 1 | |||
| VOE 13970989 | Винт шестигранник | 1 |
L = 180: (970989)
|
||
| VOE 13970989 | Винт шестигранник | 1 |
L = 180: (970989)
|
||
| VOE 4880492 | Кольцо уплотнительное (О-кольцо) | 1 | |||
| VOE 4880492 | Кольцо уплотнительное (О-кольцо) | 1 | |||
| VOE 479956 | Пробка (заглушка) | 1 | |||
| VOE 479956 | Пробка (заглушка) | 1 | |||
| VOE 190297 | Ball | 1 |
E PROD
|
||
| VOE 11037135 | Прокладка | 1 |
HT 3416 -
|
||
| VOE 11037135 | Прокладка | 1 |
HT 3416 -
|
||
| VOE 13931669 | Protecting cover | 1 |
HT - 3686: (931669)
|
||
| VOE 13931669 | Protecting cover | 1 |
HT - 3686: (931669)
|
||
| VOE 931211 | Кольцо уплотнительное (О-кольцо) | 1 | |||
| VOE 931211 | Кольцо уплотнительное (О-кольцо) | 1 | |||
| VOE 11994268 | Картер (корпус) | 1 |
: E PROD
|
||
| VOE 970988 | Винт шестигранник | 1 |
L = 160: (970988)
|
||
| VOE 970988 | Винт шестигранник | 1 |
L = 160: (970988)
|
||
| VOE 11034156 | Пробка (заглушка) | 1 |
HT 3705 -
|
||
| VOE 11034156 | Пробка (заглушка) | 1 |
HT 3705 -
|
||
| VOE 11037046 | Вставка | 1 | |||
| 10 | VOE 11037277 | Oil distributor | 1 | ||
| 11 | VOE 131301 | Палец | 1 |
HT - 1139
|
|
| 12 | VOE 13960240 | Кольцо уплотнительное (О-кольцо) | 1 | ||
| 12 | VOE 13960240 | Кольцо уплотнительное (О-кольцо) | 1 | ||
| 13 | VOE 955297 | Винт шестигранник | 1 | ||
| 13 | VOE 955297 | Винт шестигранник | 1 | ||
| 14 | VOE 13941907 | Шайба пружинная | 1 | ||
| 14 | VOE 13941907 | Шайба | 1 | ||
| 15 | VOE 931874 | Hose assembly | 1 |
L=300
|
|
| 15 | VOE 931874 | Hose assembly | 1 |
L=300
|
|
| 16 | VOE 945837 | Nipple | 1 | ||
| 16 | VOE 945837 | Nipple | 1 | ||
| 17 | VOE 13931669 | Protecting cover | 1 |
(931669)
|
|
| 17 | VOE 13931669 | Protecting cover | 1 |
(931669)
|
|
| 18 | VOE 13964016 | Nipple | 1 | ||
| 18 | VOE 13964016 | Nipple | 1 | ||
| 19 | VOE 957031 | Nipple | 1 | ||
| 19 | VOE 957031 | Nipple | 1 | ||
| 2 | VOE 4720963 | Трубка | 1 | ||
| 2 | VOE 4720963 | Трубка | 1 | ||
| 20 | VOE 958226 | Кольцо уплотнительное (О-кольцо) | 1 | ||
| 20 | VOE 958226 | Кольцо уплотнительное (О-кольцо) | 1 | ||
| 21 | VOE 914542 | Кольцо стопорное | 1 |
E PROD
|
|
| 21 | VOE 914542 | Retaining ring | 1 |
E PROD
|
|
| 22 | VOE 4871012 | Oil distributor | 1 | ||
| 22 | VOE 4871012 | Oil distributor | 1 | ||
| 23 | VOE 955297 | Винт шестигранник | 1 | ||
| 23 | VOE 955297 | Винт шестигранник | 1 | ||
| 24 | VOE 13941907 | Шайба пружинная | 1 |
(941907)
|
|
| 24 | VOE 13941907 | Шайба | 1 |
(941907)
|
|
| 25 | VOE 4720956 | Трубка | 1 | ||
| 26 | VOE 13949656 | Кольцо уплотнительное (О-кольцо) | 1 | ||
| 26 | VOE 13949656 | Кольцо уплотнительное (О-кольцо) | 1 | ||
| 27 | VOE 4720997 | Трубка | 1 | ||
| 27 | VOE 4720997 | Трубка | 1 | ||
| 28 | VOE 968007 | Кольцо уплотнительное (О-кольцо) | 1 | ||
| 28 | VOE 968007 | Кольцо уплотнительное (О-кольцо) | 1 | ||
| 29 | VOE 931227 | Nipple | 1 | ||
| 29 | VOE 931227 | Nipple | 1 | ||
| 3 | VOE 13931683 | Protecting plug | 1 | ||
| 30 | VOE 4720952 | Трубка | 1 | ||
| 30 | VOE 4720952 | Трубка | 1 | ||
| 31 | VOE 968007 | Кольцо уплотнительное (О-кольцо) | 1 | ||
| 31 | VOE 968007 | Кольцо уплотнительное (О-кольцо) | 1 | ||
| 32 | VOE 4720930 | Oil distributor | 1 |
2 ports / 2 portar
|
|
| 33 | VOE 955299 | Винт шестигранник | 1 | ||
| 33 | VOE 955299 | Винт шестигранник | 1 | ||
| 34 | VOE 13941907 | Шайба пружинная | 1 | ||
| 34 | VOE 13941907 | Шайба | 1 | ||
| 35 | VOE 11144077 | Трубка | 1 | ||
| 35 | VOE 11144077 | Трубка | 1 | ||
| 36 | VOE 968007 | Кольцо уплотнительное (О-кольцо) | 1 | ||
| 36 | VOE 968007 | Кольцо уплотнительное (О-кольцо) | 1 | ||
| 37 | VOE 4720956 | Трубка | 1 | ||
| 38 | VOE 13949656 | Кольцо уплотнительное (О-кольцо) | 1 |
(949656)
|
|
| 38 | VOE 13949656 | Кольцо уплотнительное (О-кольцо) | 1 |
(949656)
|
|
| 39 | VOE 11037269 | Connecting plate | 1 | ||
| 39 | VOE 11037269 | Connecting plate | 1 | ||
| 4 | VOE 941375 | Пробка (заглушка) | 1 | ||
| 4 | VOE 941375 | Пробка (заглушка) | 1 | ||
| 40 | VOE 13931678 | Protecting plug | 1 |
(931678)
|
|
| 41 | VOE 13947628 | Plane gasket | 1 |
HT 3705 - : (947628)
|
|
| 41 | VOE 13947628 | Plane gasket | 1 |
HT 3705 - : (947628)
|
|
| 42 | VOE 11037009 | Прокладка | 1 | ||
| 42 | VOE 11037009 | Прокладка | 1 | ||
| 43 | VOE 13955298 | Болт | 1 | ||
| 43 | VOE 13955298 | Болт | 1 | ||
| 44 | VOE 13941907 | Шайба пружинная | 1 | ||
| 44 | VOE 13941907 | Шайба | 1 | ||
| 45 | VOE 4871936 | Banjo nipple | 1 | ||
| 46 | VOE 190714 | Hollow screw | 1 | ||
| 46 | VOE 190714 | Hollow screw | 1 | ||
| 47 | VOE 13947624 | Plane gasket | 1 | ||
| 47 | VOE 13947624 | Plane gasket | 1 | ||
| 48 | VOE 930032 | Testing nipple | 1 | ||
| 48 | VOE 930032 | Testing nipple | 1 | ||
| 49 | VOE 13947621 | Plane gasket | 1 | ||
| 49 | VOE 13947621 | Plane gasket | 1 | ||
| 5 | VOE 968566 | Кольцо уплотнительное (О-кольцо) | 1 | ||
| 5 | VOE 968566 | Кольцо уплотнительное (О-кольцо) | 1 | ||
| 51 | VOE 13931678 | Protecting plug | 1 |
(931678)
|
|
| 52 | VOE 13947628 | Plane gasket | 1 |
HT 3705 - : (947628)
|
|
| 52 | VOE 13947628 | Plane gasket | 1 |
HT 3705 - : (947628)
|
|
| 53 | VOE 11037012 | Прокладка | 1 | ||
| 53 | VOE 11037012 | Прокладка | 1 | ||
| 54 | VOE 955304 | Винт шестигранник | 1 |
L = 70
|
|
| 54 | VOE 955304 | Винт шестигранник | 1 |
L = 70
|
|
| 55 | VOE 13941907 | Шайба пружинная | 1 | ||
| 55 | VOE 13941907 | Шайба | 1 | ||
| 56 | VOE 4720933 | Трубка | 1 | ||
| 57 | VOE 13949656 | Кольцо уплотнительное (О-кольцо) | 1 | ||
| 57 | VOE 13949656 | Кольцо уплотнительное (О-кольцо) | 1 | ||
| 59 | VOE 13955294 | Болт | 1 | ||
| 59 | VOE 13955294 | Болт | 1 | ||
| 6 | VOE 4718167 | Палец | 1 | ||
| 60 | VOE 13941907 | Шайба пружинная | 1 | ||
| 60 | VOE 13941907 | Шайба | 1 | ||
| 61 | VOE 4720934 | Connecting plate | 1 | ||
| 62 | VOE 11037007 | Прокладка | 1 | ||
| 62 | VOE 11037007 | Прокладка | 1 | ||
| 63 | VOE 959223 | Allen Hd Screw | 1 | ||
| 64 | VOE 13941907 | Шайба пружинная | 1 | ||
| 64 | VOE 13941907 | Шайба | 1 | ||
| 66 | VOE 11037055 | Прокладка | 1 | ||
| 66 | VOE 11037055 | Прокладка | 1 | ||
| 68 | VOE 955297 | Винт шестигранник | 1 |
L=25
|
|
| 68 | VOE 955297 | Винт шестигранник | 1 |
L=25
|
|
| 69 | VOE 13941907 | Шайба пружинная | 1 | ||
| 69 | VOE 13941907 | Шайба | 1 | ||
| 7 | VOE 950711 | Палец | 1 | ||
| 72 | VOE 11037040 | Oil channel | 1 | ||
| 72 | VOE 11037040 | Oil channel | 1 | ||
| 73 | VOE 11037062 | Прокладка | 1 | ||
| 73 | VOE 11037062 | Прокладка | 1 | ||
| 74 | VOE 955282 | Винт шестигранник | 1 | ||
| 74 | VOE 955282 | Винт шестигранник | 1 | ||
| 75 | VOE 13949607 | Шайба | 1 |
(949607)
|
|
| 75 | VOE 13949607 | Шайба | 1 |
(949607)
|
|
| 76 | VOE 955275 | Винт шестигранник | 1 | ||
| 76 | VOE 955275 | Винт шестигранник | 1 | ||
| 77 | VOE 13949607 | Шайба | 1 |
(949607)
|
|
| 77 | VOE 13949607 | Шайба | 1 |
(949607)
|
|
| 78 | VOE 11037042 | Фланец | 1 | ||
| 78 | VOE 11037042 | Фланец | 1 | ||
| 79 | VOE 13976562 | Кольцо уплотнительное (О-кольцо) | 1 |
(976562)
|
|
| 79 | VOE 13976562 | Кольцо уплотнительное (О-кольцо) | 1 |
(976562)
|
|
| 8 | VOE 970978 | Винт шестигранник | 1 |
L = 70: (970978)
|
|
| 8 | VOE 970978 | Винт шестигранник | 1 |
L = 70: (970978)
|
|
| 80 | VOE 13946934 | Болт | 1 |
(946934)
|
|
| 80 | VOE 13946934 | Болт | 1 |
(946934)
|
|
| 81 | VOE 11037821 | Трубка | 1 | ||
| 82 | VOE 4720983 | Пружина | 1 | ||
| 82 | VOE 4720983 | Пружина | 1 | ||
| 84 | VOE 914454 | Кольцо стопорное | 1 | ||
| 84 | VOE 914454 | Retaining ring | 1 | ||
| 85 | VOE 11034156 | Пробка (заглушка) | 1 | ||
| 85 | VOE 11034156 | Пробка (заглушка) | 1 | ||
| 86 | VOE 958228 | Кольцо уплотнительное (О-кольцо) | 1 | ||
| 86 | VOE 958228 | Кольцо уплотнительное (О-кольцо) | 1 | ||
| 9 | VOE 940280 | Шайба пружинная | 1 | ||
| 9 | VOE 940280 | Шайба пружинная | 1 |

