Топливный бак (бензобак) погрузчика колесного Volvo Construction Equipment L160 VOLVO BM L160
    Топливный бак (бензобак) погрузчика колесного Volvo Construction Equipment L160 VOLVO BM L160 со списком деталей и комплектацией. Каждую деталь можно приобрести в наличии и под заказ с дотавкой по всей России
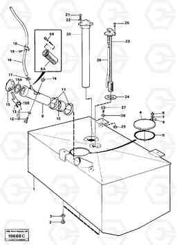
Код подсистемы:66355
            Наименование:Fuel tank
            Версия:
        Fuel tank L160 VOLVO BM L160
        | Поз. | Код | Наименование | Кол | Прим. | |
|---|---|---|---|---|---|
| VOE 11023117 | Топливный бак (бензобак) | 1 | 
                                                                     
                                            
                                            SER NO 2678 - 2981                                         
                                     | 
                            ||
| VOE 11023355 | Топливный бак (бензобак) | 1 | 
                                                                     
                                            
                                            SER NO 2982 -                                         
                                     | 
                            ||
| 1 | VOE 4952109 | Топливный бак (бензобак) | 1 | 
                                                                     
                                            
                                            SER NO - 2677                                         
                                     | 
                            |
| 10 | VOE 4935148 | Шланг | 1 | ||
| 10 | VOE 4935148 | Шланг | 1 | ||
| 11 | VOE 943483 | Hose clamp | 1 | ||
| 11 | VOE 943483 | Hose clamp | 1 | ||
| 12 | VOE 955297 | Винт шестигранник | 1 | ||
| 12 | VOE 955297 | Винт шестигранник | 1 | ||
| 13 | VOE 976944 | Шайба | 1 | ||
| 13 | VOE 976944 | Шайба | 1 | ||
| 14 | VOE 946036 | Lock nut | 1 | ||
| 14 | VOE 946036 | Lock nut | 1 | ||
| 15 | VOE 1189577 | Filler cap | 1 | 
                                                                     
                                            
                                            L?SBART / LOCKABLE                                         
                                     | 
                            |
| 15 | VOE 1189577 | Filler cap | 1 | 
                                                                     
                                            
                                            L?SBART / LOCKABLE                                         
                                     | 
                            |
| 15A | VOE 1698164 | Прокладка | 1 | ||
| 15A | VOE 1698164 | Прокладка | 1 | ||
| 15B | VOE 11991396 | Key | 1 | ||
| 16 | VOE 943518 | Шланг | 1 | 
                                                                     
                                            
                                            L=1250                                         
                                     | 
                            |
| 16 | VOE 943518 | Шланг | 1 | 
                                                                     
                                            
                                            L=1250                                         
                                     | 
                            |
| 17 | VOE 13976572 | Hose clamp | 1 | ||
| 17 | VOE 13976572 | Hose clamp | 1 | ||
| 18 | VOE 952625 | Зажим | 1 | ||
| 18 | VOE 952625 | Зажим | 1 | ||
| 19 | VOE 969278 | Винт шестигранник (торцевой ключ) | 1 | ||
| 19 | VOE 969278 | Винт шестигранник (торцевой ключ) | 1 | ||
| 2 | VOE 4948183 | Пробка (заглушка) | 1 | ||
| 2 | VOE 4948183 | Пробка (заглушка) | 1 | ||
| 20 | VOE 4787245 | Tank unit | 1 | ||
| 20 | VOE 4787245 | Tank unit | 1 | ||
| 21 | VOE 956092 | Cross recessed screw | 1 | ||
| 21 | VOE 956092 | Cross recessed screw | 1 | ||
| 22 | VOE 957170 | Прокладка | 1 | ||
| 22 | VOE 957170 | Прокладка | 1 | ||
| 23 | VOE 4935493 | 4935493 | 1 | ||
| 24 | VOE 7089865 | Прокладка | 1 | ||
| 25 | VOE 956184 | Cross recessed sunk screw | 1 | ||
| 25 | VOE 956184 | Cross recessed sunk screw | 1 | ||
| 26 | VOE 941279 | Шланг | 1 | 
                                                                     
                                            
                                            L=470                                         
                                     | 
                            |
| 27 | VOE 13955366 | Болт | 1 | ||
| 27 | VOE 13955366 | Болт | 1 | ||
| 28 | VOE 13955900 | Шайба | 1 | ||
| 28 | VOE 13955900 | Шайба | 1 | ||
| 29 | VOE 945884 | Lock nut | 1 | ||
| 29 | VOE 945884 | Lock nut | 1 | ||
| 3 | VOE 957184 | Прокладка | 1 | ||
| 3 | VOE 957184 | Gasket | 1 | ||
| 4 | VOE 11023120 | Крышка | 1 | 
                                                                     
                                            
                                            SER NO 2678 -                                         
                                     | 
                            |
| 5 | VOE 962509 | Кольцо уплотнительное (О-кольцо) | 1 | 
                                                                     
                                            
                                            SER NO 2678 -                                         
                                     | 
                            |
| 5 | VOE 962509 | Кольцо уплотнительное (О-кольцо) | 1 | 
                                                                     
                                            
                                            SER NO 2678 -                                         
                                     | 
                            |
| 6 | VOE 11018449 | Зажим | 1 | ||
| 6 | VOE 11018449 | Зажим | 1 | ||
| 7 | VOE 13955894 | Шайба | 1 | 
                                                                     
                                            
                                            SER NO 2678 -                                         
                                     | 
                            |
| 7 | VOE 13955894 | Шайба | 1 | 
                                                                     
                                            
                                            SER NO 2678 -                                         
                                     | 
                            |
| 8 | VOE 946036 | Lock nut | 1 | 
                                                                     
                                            
                                            SER NO 2678 -                                         
                                     | 
                            |
| 8 | VOE 946036 | Lock nut | 1 | 
                                                                     
                                            
                                            SER NO 2678 -                                         
                                     | 
                            |
| 9 | VOE 4952118 | Filler pipe | 1 | ||
| 9A | VOE 11173801 | Фильтр | 1 | ||
| 9B | VOE 955126 | Cross recessed screw | 1 | ||
| 9B | VOE 955126 | Cross recessed screw | 1 | 

