Engine mount самосвала cочлененного Volvo Construction Equipment A30 VOLVO BM VOLVO BM A30
Engine mount самосвала cочлененного Volvo Construction Equipment A30 VOLVO BM VOLVO BM A30 со списком деталей и комплектацией. Каждую деталь можно приобрести в наличии и под заказ с дотавкой по всей России
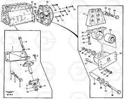
Код подсистемы:58206
Наименование:Engine mount
Версия:
Engine mount A30 VOLVO BM VOLVO BM A30
| Поз. | Код | Наименование | Кол | Прим. | |
|---|---|---|---|---|---|
| VOE 11049782 | Rubber cushion | 1 | |||
| 1 | VOE 468317 | Engine anchorage | 1 |
LH
|
|
| 1 | VOE 11987570 | 11987570 | 1 |
RH
|
|
| 10 | VOE 13955900 | Шайба | 1 | ||
| 10 | VOE 13955900 | Шайба | 1 | ||
| 11 | VOE 4737225 | 4737225 | 1 | ||
| 12 | VOE 945884 | Lock nut | 1 | ||
| 12 | VOE 945884 | Lock nut | 1 | ||
| 14 | VOE 955582 | Винт шестигранник | 1 |
L=70
|
|
| 14 | VOE 955582 | Винт шестигранник | 1 |
L=70
|
|
| 15 | VOE 955580 | Винт шестигранник | 1 |
L=57
|
|
| 15 | VOE 955580 | Винт шестигранник | 1 |
L=57
|
|
| 16 | VOE 959820 | Винт шестигранник | 1 |
L=140
|
|
| 16 | VOE 959820 | Винт шестигранник | 1 |
L=140
|
|
| 17 | VOE 955587 | Винт шестигранник | 1 |
L=102
|
|
| 17 | VOE 955587 | Болт | 1 |
L=102
|
|
| 18 | VOE 941911 | Шайба пружинная | 1 | ||
| 18 | VOE 941911 | Шайба пружинная | 1 | ||
| 19 | VOE 467367 | Пробка (заглушка) | 1 | ||
| 19 | VOE 467367 | Пробка (заглушка) | 1 | ||
| 2 | VOE 955581 | Винт шестигранник | 1 | ||
| 2 | VOE 955581 | Винт шестигранник | 1 | ||
| 20 | VOE 1556907 | Прокладка | 1 | ||
| 20 | VOE 1556907 | Прокладка | 1 | ||
| 21 | VOE 4943522 | 4943522 | 1 | ||
| 22 | VOE 4943178 | Spacer ring | 1 | ||
| 22 | VOE 4943178 | Spacer ring | 1 | ||
| 23 | VOE 13955900 | Шайба | 1 | ||
| 23 | VOE 13955900 | Шайба | 1 | ||
| 24 | VOE 955373 | Винт шестигранник | 1 | ||
| 24 | VOE 955373 | Винт шестигранник | 1 | ||
| 25 | VOE 4823094 | 4823094 | 1 | ||
| 26 | VOE 4946937 | Rubber bushing | 1 | ||
| 27 | VOE 4943382 | Spacer ring | 1 | ||
| 28 | VOE 955899 | Шайба | 1 | ||
| 28 | VOE 955899 | Шайба | 1 | ||
| 29 | VOE 13971001 | Винт шестигранник | 1 | ||
| 29 | VOE 13971001 | Винт шестигранник | 1 | ||
| 3 | VOE 941911 | Шайба пружинная | 1 | ||
| 3 | VOE 941911 | Шайба пружинная | 1 | ||
| 30 | VOE 11054896 | Engine anchorage | 1 | ||
| 31 | VOE 965195 | Flange screw | 1 | ||
| 31 | VOE 965195 | Flange screw | 1 | ||
| 32 | VOE 4861316 | Spacer ring | 1 | ||
| 32 | VOE 4861316 | Spacer ring | 1 | ||
| 33 | VOE 13955897 | Шайба | 1 | ||
| 33 | VOE 13955897 | Шайба | 1 | ||
| 34 | VOE 13971084 | Lock nut | 1 | ||
| 34 | VOE 13971084 | Lock nut | 1 | ||
| 35 | VOE 4863147 | Tubular shaft | 1 | ||
| 36 | VOE 4863148 | Guide sleeve | 1 | ||
| 37 | VOE 4863149 | Шайба | 1 | ||
| 38 | VOE 13955382 | Болт | 1 | ||
| 39 | VOE 13955900 | Шайба | 1 | ||
| 39 | VOE 13955900 | Шайба | 1 | ||
| 40 | VOE 945884 | Lock nut | 1 | ||
| 40 | VOE 945884 | Lock nut | 1 | ||
| 41 | VOE 424621 | Прокладка | 1 | ||
| 41 | VOE 424621 | Прокладка | 1 | ||
| 42 | VOE 1161277 | Sealant | 1 |
10 GRAM
|
|
| 42 | VOE 1161277 | Sealant | 1 |
10 GRAM
|
|
| 5 | VOE 1623745 | Rubber cushion | 1 |
1502144
|
|
| 6 | VOE 1273979 | Болт | 1 | ||
| 7 | VOE 1501002 | Spacer sleeve | 1 | ||
| 8 | VOE 13971098 | Flange nut | 1 | ||
| 8 | VOE 13971098 | Flange nut | 1 | ||
| 9 | VOE 13955378 | Болт | 1 | ||
| 9 | VOE 13955378 | Болт | 1 |

