Gear selector самосвала cочлененного Volvo Construction Equipment A30 VOLVO BM VOLVO BM A30
Gear selector самосвала cочлененного Volvo Construction Equipment A30 VOLVO BM VOLVO BM A30 со списком деталей и комплектацией. Каждую деталь можно приобрести в наличии и под заказ с дотавкой по всей России
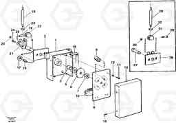
Код подсистемы:89458
Наименование:Gear selector
Версия:
Gear selector A30 VOLVO BM VOLVO BM A30
| Поз. | Код | Наименование | Кол | Прим. | |
|---|---|---|---|---|---|
| VOE 11058249 | Gear selector | 1 |
SER NO 1258 -
|
||
| VOE 13945408 | Гайка | 1 | |||
| VOE 13945408 | Гайка | 1 | |||
| VOE 11057513 | Gear selector | 1 |
SER NO - 1257
|
||
| 10 | VOE 11039083 | Pin housing | 1 | ||
| 11 | VOE 956060 | Cross recessed screw | 1 | ||
| 11 | VOE 956060 | Cross recessed screw | 1 | ||
| 12 | VOE 942603 | Toothed washer | 1 | ||
| 12 | VOE 942603 | Стопорная шайба (кольцо) | 1 | ||
| 13 | VOE 11057528 | Крышка | 1 | ||
| 14 | VOE 955119 | Cross recessed screw | 1 | ||
| 14 | VOE 955119 | Cross recessed screw | 1 | ||
| 15 | VOE 782502 | Profile | 1 |
L=375
|
|
| 16 | VOE 11057529 | Ball stud | 1 | ||
| 17 | VOE 955793 | Hexagon nut | 1 | ||
| 17 | VOE 955793 | Hexagon nut | 1 | ||
| 19 | VOE 11055850 | Вал | 1 | ||
| 2 | VOE 11057521 | Втулка | 1 | ||
| 20 | VOE 13963105 | Lock nut | 1 | ||
| 20 | VOE 13963105 | Lock nut | 1 | ||
| 21 | VOE 11055849 | Вилка | 1 | ||
| 22 | VOE 11055852 | Демпфер | 1 | ||
| 23 | VOE 971071 | Hexagon nut | 1 | ||
| 23 | VOE 971071 | Hexagon nut | 1 | ||
| 24 | VOE 13949733 | Винт шестигранник | 1 | ||
| 24 | VOE 13949733 | Винт шестигранник | 1 | ||
| 25 | VOE 960139 | Шайба | 1 | ||
| 25 | VOE 960139 | Шайба | 1 | ||
| 26 | VOE 11058237 | Кронштейн | 1 | ||
| 27 | VOE 11058239 | Палец | 1 | ||
| 28 | VOE 11055851 | 11055851 | 1 | ||
| 29 | VOE 13965180 | Screw | 1 | ||
| 29 | VOE 13965180 | Болт | 1 | ||
| 30 | VOE 13945408 | Гайка | 1 | ||
| 30 | VOE 13945408 | Гайка | 1 | ||
| 31 | VOE 11055852 | Демпфер | 1 | ||
| 32 | VOE 971071 | Hexagon nut | 1 | ||
| 32 | VOE 971071 | Hexagon nut | 1 | ||
| 5 | VOE 11715867 | Шайба | 1 | ||
| 6 | VOE 11057522 | Cam disc | 1 | ||
| 7 | VOE 13945739 | Тарелка клапана | 1 | ||
| 8 | VOE 11057506 | Ptd Circuit Bd | 1 |

