Alternator with fitting parts, 100A. погрузчика колесного Volvo Construction Equipment L150/L150C VOLVO BM VOLVO BM L150/L150C SER NO - 2767/- 60708
Alternator with fitting parts, 100A. погрузчика колесного Volvo Construction Equipment L150/L150C VOLVO BM VOLVO BM L150/L150C SER NO - 2767/- 60708 со списком деталей и комплектацией. Каждую деталь можно приобрести в наличии и под заказ с дотавкой по всей России
Код подсистемы:62668
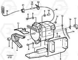
Наименование:Alternator with fitting parts, 100A.
Версия:94720
Alternator with fitting parts, 100A. L150/L150C VOLVO BM VOLVO BM L150/L150C SER NO - 2767/- 60708
| Поз. | Код | Наименование | Кол | Прим. | |
|---|---|---|---|---|---|
| 1 | VOE 849748 | Alternator | 1 | ||
| 1 | VOE 849748 | Alternator | 1 | ||
| 10 | VOE 930429 | Spacer ring | 1 | ||
| 10 | VOE 930429 | Spacer ring | 1 | ||
| 11 | VOE 11079490 | Protection | 1 | ||
| 12 | VOE 925742 | Шайба | 1 | ||
| 12 | VOE 925742 | Шайба | 1 | ||
| 13 | VOE 11093421 | Wire | 1 |
(-)
|
|
| 14 | VOE 11093422 | Wire | 1 |
(+) - Starter motor
|
|
| 15 | VOE 11093423 | Wire | 1 |
EXC
|
|
| 16 | VOE 1269755 | Tab | 1 | ||
| 17 | VOE 241308 | Protecting cap | 1 | ||
| 17 | VOE 241308 | Protecting cap | 1 | ||
| 18 | VOE 11041928 | Wire | 1 |
L = 2200 MM
|
|
| 19 | VOE 13949371 | Cable terminal | 1 | ||
| 19 | VOE 13949371 | Cable terminal | 1 | ||
| 2 | VOE 11014330 | Шкив | 1 | ||
| 2 | VOE 11014330 | Шкив | 1 | ||
| 20 | VOE 1598753 | Insulation | 1 | ||
| 21 | VOE 1307048 | Картер (корпус) | 1 | ||
| 21 | VOE 1307048 | Изолятор | 1 | ||
| 22 | VOE 4881440 | Cable tie | 1 | ||
| 22 | VOE 4881440 | Cable tie | 1 | ||
| 3 | VOE 11013713 | Spacer ring | 1 | ||
| 3 | VOE 11013713 | Spacer ring | 1 | ||
| 4 | VOE 966990 | Ремень клиновой (приводной) | 1 | ||
| 4 | VOE 966990 | Ремень клиновой (приводной) | 1 | ||
| 5 | VOE 11026918 | Attachment | 1 | ||
| 6 | VOE 955563 | Винт шестигранник | 1 | ||
| 6 | VOE 955563 | Винт шестигранник | 1 | ||
| 7 | VOE 955898 | Шайба | 1 | ||
| 7 | VOE 955898 | Шайба | 1 | ||
| 8 | VOE 955538 | Винт шестигранник | 1 | ||
| 8 | VOE 955538 | Винт шестигранник | 1 | ||
| 9 | VOE 925742 | Шайба | 1 | ||
| 9 | VOE 925742 | Шайба | 1 |

