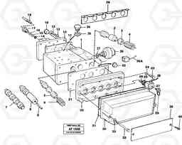
Gear changing unit погрузчика колесного Volvo Construction Equipment L150/L150C VOLVO BM VOLVO BM L150/L150C SER NO - 2767/- 60708
    Gear changing unit погрузчика колесного Volvo Construction Equipment L150/L150C VOLVO BM VOLVO BM L150/L150C SER NO - 2767/- 60708 со списком деталей и комплектацией. Каждую деталь можно приобрести в наличии и под заказ с дотавкой по всей России
Код подсистемы:3534
            Наименование:Gear changing unit
            Версия:
        Gear changing unit L150/L150C VOLVO BM VOLVO BM L150/L150C SER NO - 2767/- 60708
        | Поз. | Код | Наименование | Кол | Прим. | |
|---|---|---|---|---|---|
| VOE 907133 | Прокладка | 1 | 
                                                                     
                                            
                                            30866 HT 15268 -                                         
                                     | 
                            ||
| VOE 907133 | Прокладка | 1 | 
                                                                     
                                            
                                            30866 HT 15268 -                                         
                                     | 
                            ||
| VOE 13946934 | Болт | 1 | |||
| VOE 13946934 | Болт | 1 | |||
| VOE 11039496 | Pressure sensor | 1 | 
                                                                     
                                            
                                            SE12                                         
                                     | 
                            ||
| VOE 11039496 | Pressure sensor | 1 | 
                                                                     
                                            
                                            SE12                                         
                                     | 
                            ||
| VOE 11039496 | Pressure sensor | 1 | 
                                                                     
                                            
                                            SE12                                         
                                     | 
                            ||
| VOE 11039496 | Pressure sensor | 1 | 
                                                                     
                                            
                                            SE12                                         
                                     | 
                            ||
| VOE 11039549 | Pressure sensor | 1 | 
                                                                     
                                            
                                            SE12                                         
                                     | 
                            ||
| VOE 11039549 | Pressure sensor | 1 | 
                                                                     
                                            
                                            SE12                                         
                                     | 
                            ||
| VOE 944505 | Пробка (заглушка) | 1 | 
                                                                     
                                            
                                            30893 HT 10585 -                                         
                                     | 
                            ||
| VOE 944505 | Пробка (заглушка) | 1 | 
                                                                     
                                            
                                            30893 HT 10585 -                                         
                                     | 
                            ||
| VOE 11037175 | Gear changing unit | 1 | 
                                                                     
                                            
                                            30866 HT - 15267                                         
                                     | 
                            ||
| VOE 11037175 | Gear changing unit | 1 | 
                                                                     
                                            
                                            30866 HT - 15267                                         
                                     | 
                            ||
| VOE 11037400 | Gear changing unit | 1 | 
                                                                     
                                            
                                            30866 HT 15268 -                                         
                                     | 
                            ||
| VOE 11037400 | Gear changing unit | 1 | 
                                                                     
                                            
                                            30866 HT 15268 -                                         
                                     | 
                            ||
| VOE 11036720 | Gear selector valve | 1 | 
                                                                     
                                            
                                            30882, 30885,                                         
                                     | 
                            ||
| VOE 11036720 | Gear selector valve | 1 | 
                                                                     
                                            
                                            30882, 30885,                                         
                                     | 
                            ||
| VOE 11037399 | Valve housing | 1 | |||
| VOE 11037399 | Valve housing | 1 | |||
| VOE 11036709 | Valve housing | 1 | |||
| VOE 11036709 | Valve housing | 1 | |||
| VOE 11036728 | Крышка | 1 | |||
| VOE 11036728 | Крышка | 1 | |||
| VOE 11036727 | Прокладка | 1 | |||
| VOE 11036727 | Прокладка | 1 | |||
| VOE 13946934 | Болт | 1 | |||
| VOE 13946934 | Болт | 1 | |||
| VOE 11036703 | Прокладка | 1 | |||
| VOE 11036703 | Прокладка | 1 | |||
| VOE 11036706 | Крышка | 1 | |||
| VOE 11036706 | Крышка | 1 | |||
| VOE 13959215 | Болт | 1 | 
                                                                     
                                            
                                            L = 70 MM                                         
                                     | 
                            ||
| VOE 13959215 | Болт | 1 | 
                                                                     
                                            
                                            L = 70 MM                                         
                                     | 
                            ||
| VOE 11036715 | Valve seat | 1 | 
                                                                     
                                            
                                            30882 HT 10418 -                                         
                                     | 
                            ||
| VOE 11036715 | Valve seat | 1 | 
                                                                     
                                            
                                            30882 HT 10418 -                                         
                                     | 
                            ||
| VOE 11036701 | Valve Plate | 1 | |||
| VOE 907133 | Прокладка | 1 | 
                                                                     
                                            
                                            SER NO 2654 -                                         
                                     | 
                            ||
| VOE 907133 | Прокладка | 1 | 
                                                                     
                                            
                                            SER NO 2654 -                                         
                                     | 
                            ||
| VOE 11036715 | Valve seat | 1 | 
                                                                     
                                            
                                            30882 HT - 10417                                         
                                     | 
                            ||
| VOE 11036715 | Valve seat | 1 | 
                                                                     
                                            
                                            30882 HT - 10417                                         
                                     | 
                            ||
| 1 | VOE 11037139 | Valve housing | 1 | ||
| 1 | VOE 11037139 | Valve housing | 1 | ||
| 10 | VOE 4719924 | Крышка | 1 | ||
| 10 | VOE 4719924 | Cover | 1 | ||
| 11 | VOE 11036050 | Прокладка | 1 | ||
| 11 | VOE 11036050 | Прокладка | 1 | ||
| 12 | VOE 940326 | Allen Hd Screw | 1 | ||
| 13 | VOE 13949607 | Шайба | 1 | ||
| 13 | VOE 13949607 | Шайба | 1 | ||
| 14 | VOE 949187 | Кольцо уплотнительное (О-кольцо) | 1 | ||
| 14 | VOE 949187 | Кольцо уплотнительное (О-кольцо) | 1 | ||
| 15 | VOE 13962531 | Back-up ring | 1 | ||
| 15 | VOE 13962531 | Back-up ring | 1 | ||
| 16 | VOE 4719348 | Шайба | 1 | ||
| 16 | VOE 4719348 | Шайба | 1 | ||
| 17 | VOE 4719346 | Nipple | 1 | ||
| 17 | VOE 4719346 | Nipple | 1 | ||
| 18 | VOE 4719347 | Болт | 1 | ||
| 18 | VOE 4719347 | Болт | 1 | ||
| 19 | VOE 945362 | Пробка (заглушка) | 1 | ||
| 19 | VOE 945362 | Пробка (заглушка) | 1 | ||
| 2 | VOE 4720787 | Control plunger | 1 | ||
| 2 | VOE 4720787 | Control plunger | 1 | ||
| 20 | VOE 4871872 | Valve Plate | 1 | ||
| 21 | VOE 11036051 | Прокладка | 1 | ||
| 21 | VOE 11036051 | Прокладка | 1 | ||
| 22 | VOE 13943586 | Plastic plug | 1 | ||
| 22 | VOE 13943586 | Plastic plug | 1 | ||
| 23 | VOE 940326 | Allen Hd Screw | 1 | 
                                                                     
                                            
                                            L = 20 MM                                         
                                     | 
                            |
| 24 | VOE 13949607 | Шайба | 1 | ||
| 24 | VOE 13949607 | Шайба | 1 | ||
| 25 | VOE 4720834 | Valve seat | 1 | ||
| 25 | VOE 4720834 | Valve seat | 1 | ||
| 26 | VOE 11036178 | Тарелка клапана | 1 | ||
| 26 | VOE 11036178 | Тарелка клапана | 1 | ||
| 27 | VOE 11992401 | Встроенный клапан в сборе | 1 | ||
| 27 | VOE 11992401 | Встроенный клапан в сборе | 1 | ||
| 27 | VOE 11036710 | Встроенный клапан в сборе | 1 | ||
| 27 | VOE 11036710 | Встроенный клапан в сборе | 1 | ||
| 28 | VOE 11996130 | Кольцо уплотнительное (О-кольцо) | 1 | ||
| 28 | VOE 11996130 | Кольцо уплотнительное (О-кольцо) | 1 | ||
| 28 | VOE 11998976 | Кольцо уплотнительное (О-кольцо) | 1 | ||
| 28 | VOE 11998976 | Кольцо уплотнительное (О-кольцо) | 1 | ||
| 29 | VOE 11992523 | Зажим | 1 | ||
| 29 | VOE 11992523 | Зажим | 1 | ||
| 29 | VOE 11998977 | Скоба (хомут) | 1 | ||
| 29 | VOE 11998977 | Скоба (хомут) | 1 | ||
| 3 | VOE 4719349 | Spring guide | 1 | ||
| 3 | VOE 4719349 | Spring guide | 1 | ||
| 30 | VOE 4720875 | Protecting casing | 1 | ||
| 30 | VOE 4720875 | Protecting casing | 1 | ||
| 31 | VOE 11036704 | Прокладка | 1 | ||
| 31 | VOE 11036704 | Прокладка | 1 | ||
| 32 | VOE 955280 | Винт шестигранник | 1 | ||
| 32 | VOE 955280 | Винт шестигранник | 1 | ||
| 33 | VOE 13949607 | Шайба | 1 | ||
| 33 | VOE 13949607 | Шайба | 1 | ||
| 34 | VOE 926370 | Пробка (заглушка) | 1 | ||
| 34 | VOE 926370 | Пробка (заглушка) | 1 | ||
| 35 | VOE 13949574 | Кольцо уплотнительное (О-кольцо) | 1 | ||
| 35 | VOE 13949574 | Кольцо уплотнительное (О-кольцо) | 1 | ||
| 36 | VOE 11039196 | Pressure sensor | 1 | 
                                                                     
                                            
                                            SE12                                         
                                     | 
                            |
| 36 | VOE 11039196 | Pressure sensor | 1 | 
                                                                     
                                            
                                            SE12                                         
                                     | 
                            |
| 36A | VOE 11020793 | 11020793 | 1 | 
                                                                     
                                            
                                            30893 HT 10295 - 10584                                         
                                     | 
                            |
| 36A | VOE 11020793 | 11020793 | 1 | 
                                                                     
                                            
                                            30893 HT 10295 - 10584                                         
                                     | 
                            |
| 37 | VOE 13947621 | Plane gasket | 1 | 
                                                                     
                                            
                                            30866 HT - 15267                                         
                                     | 
                            |
| 37 | VOE 13947621 | Plane gasket | 1 | 
                                                                     
                                            
                                            30866 HT - 15267                                         
                                     | 
                            |
| 39 | VOE 4720876 | Sign | 1 | ||
| 39 | VOE 4720876 | Sign | 1 | ||
| 4 | VOE 4871581 | Пружина | 1 | ||
| 4 | VOE 4871581 | Пружина | 1 | ||
| 40 | VOE 950889 | Drive screw | 1 | ||
| 40 | VOE 950889 | Drive screw | 1 | ||
| 5 | VOE 11036525 | Control plunger | 1 | ||
| 5 | VOE 11036525 | Control plunger | 1 | ||
| 6 | VOE 11036708 | Control plunger | 1 | ||
| 6 | VOE 11036708 | Control plunger | 1 | ||
| 7 | VOE 11036707 | Control plunger | 1 | ||
| 7 | VOE 11036707 | Control plunger | 1 | ||
| 8 | VOE 951968 | Spring pin | 1 | ||
| 8 | VOE 951968 | Spring pin | 1 | ||
| 9 | VOE 4718714 | Пружина | 1 | ||
| 9 | VOE 4718714 | Пружина | 1 | 

