Boom kickout and bucket positioner. погрузчика колесного Volvo Construction Equipment L150/L150C VOLVO BM VOLVO BM L150/L150C SER NO - 2767/- 60708
Boom kickout and bucket positioner. погрузчика колесного Volvo Construction Equipment L150/L150C VOLVO BM VOLVO BM L150/L150C SER NO - 2767/- 60708 со списком деталей и комплектацией. Каждую деталь можно приобрести в наличии и под заказ с дотавкой по всей России
Код подсистемы:62126
Наименование:Boom kickout and bucket positioner.
Версия:SER NO 2081 - / SER NO 60501 - USA
Boom kickout and bucket positioner. L150/L150C VOLVO BM VOLVO BM L150/L150C SER NO - 2767/- 60708
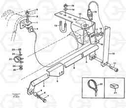
| Поз. | Код | Наименование | Кол | Прим. | |
|---|---|---|---|---|---|
| VOE 11027501 | Indicator | 1 | |||
| VOE 11026911 | Тарелка клапана | 1 | |||
| VOE 4881440 | Cable tie | 1 |
L = 368 MM
|
||
| VOE 4881440 | Cable tie | 1 |
L = 368 MM
|
||
| 1 | VOE 11024585 | Тарелка клапана | 1 | ||
| 1 | VOE 11024585 | Тарелка клапана | 1 | ||
| 10 | VOE 11026906 | Рукоять | 1 | ||
| 11 | VOE 959222 | Allen Hd Screw | 1 | ||
| 12 | VOE 11026913 | Тарелка клапана | 1 | ||
| 13 | VOE 4850621 | Зажим | 1 | ||
| 14 | VOE 976944 | Шайба | 1 | ||
| 14 | VOE 976944 | Шайба | 1 | ||
| 15 | VOE 946036 | Lock nut | 1 | ||
| 15 | VOE 946036 | Lock nut | 1 | ||
| 16 | VOE 11025320 | Attachment | 1 | ||
| 17 | VOE 976944 | Шайба | 1 | ||
| 17 | VOE 976944 | Шайба | 1 | ||
| 18 | VOE 946036 | Lock nut | 1 | ||
| 18 | VOE 946036 | Lock nut | 1 | ||
| 19 | VOE 11041898 | Induction sensor | 1 |
SE35
|
|
| 19 | VOE 11041898 | Induction sensor | 1 |
SE35
|
|
| 2 | VOE 976944 | Шайба | 1 | ||
| 2 | VOE 976944 | Шайба | 1 | ||
| 20 | VOE 4881438 | Cable tie | 1 |
L = 120 MM
|
|
| 20 | VOE 4881438 | Cable tie | 1 |
L = 120 MM
|
|
| 21 | VOE 11003221 | Mounting ring | 1 | ||
| 21 | VOE 11003221 | Mounting ring | 1 | ||
| 22 | VOE 13947191 | Зажим | 1 | ||
| 22 | VOE 13947191 | Зажим | 1 | ||
| 23 | VOE 955297 | Винт шестигранник | 1 | ||
| 23 | VOE 955297 | Винт шестигранник | 1 | ||
| 24 | VOE 13955894 | Шайба | 1 | ||
| 24 | VOE 13955894 | Шайба | 1 | ||
| 25 | VOE 955782 | Hexagon nut | 1 | ||
| 25 | VOE 955782 | Hexagon nut | 1 | ||
| 3 | VOE 963106 | Lock nut | 1 | ||
| 3 | VOE 963106 | Lock nut | 1 | ||
| 4 | VOE 11041897 | Induction sensor | 1 |
SE33
|
|
| 4 | VOE 11041897 | Induction sensor | 1 |
SE33
|
|
| 5 | VOE 11026903 | Indicator | 1 | ||
| 6 | VOE 4928109 | Вставка | 1 | ||
| 6 | VOE 4928109 | Вставка | 1 | ||
| 7 | VOE 13970972 | Винт шестигранник | 1 |
(970972)
|
|
| 7 | VOE 13970972 | Винт шестигранник | 1 |
(970972)
|
|
| 8 | VOE 13945673 | Шайба | 1 |
(945673)
|
|
| 9 | VOE 11026909 | Тарелка клапана | 1 |

