Hydraulic fluid tank. погрузчика колесного Volvo Construction Equipment L150/L150C VOLVO BM VOLVO BM L150/L150C SER NO - 2767/- 60708
Hydraulic fluid tank. погрузчика колесного Volvo Construction Equipment L150/L150C VOLVO BM VOLVO BM L150/L150C SER NO - 2767/- 60708 со списком деталей и комплектацией. Каждую деталь можно приобрести в наличии и под заказ с дотавкой по всей России
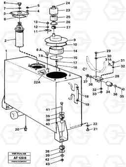
Код подсистемы:75165
Наименование:Hydraulic fluid tank.
Версия:SER NO 2081 - / SER NO 60501 - USA
Hydraulic fluid tank. L150/L150C VOLVO BM VOLVO BM L150/L150C SER NO - 2767/- 60708
| Поз. | Код | Наименование | Кол | Прим. | |
|---|---|---|---|---|---|
| VOE 11033540 | Фильтр топливный | 1 | |||
| VOE 11033540 | Фильтр топливный | 1 | |||
| VOE 14042936 | Sealing washer | 1 | |||
| VOE 14042936 | Sealing washer | 1 | |||
| VOE 914391 | Пробка (заглушка) | 1 | |||
| VOE 914391 | Пробка (заглушка) | 1 | |||
| VOE 11026943 | Hydraulic fluid tank | 1 | |||
| 1 | VOE 11026545 | Hydr fluid tank | 1 | ||
| 10 | VOE 4939034 | Кольцо уплотнительное | 1 | ||
| 10 | VOE 4939034 | Кольцо уплотнительное | 1 | ||
| 11 | VOE 11018449 | Зажим | 1 | ||
| 11 | VOE 11018449 | Зажим | 1 | ||
| 12 | VOE 13955894 | Шайба | 1 | ||
| 12 | VOE 13955894 | Шайба | 1 | ||
| 13 | VOE 946036 | Lock nut | 1 | ||
| 13 | VOE 946036 | Lock nut | 1 | ||
| 14 | VOE 4854855 | Кольцо | 1 | ||
| 14 | VOE 4854855 | Кольцо | 1 | ||
| 15 | VOE 4854856 | Крышка | 1 | ||
| 15 | VOE 4854856 | Крышка | 1 | ||
| 16 | VOE 13955294 | Болт | 1 | ||
| 16 | VOE 13955294 | Болт | 1 | ||
| 17 | VOE 13941907 | Шайба пружинная | 1 | ||
| 17 | VOE 13941907 | Шайба | 1 | ||
| 18 | VOE 941507 | Шланг | 1 |
L = 140 MM
|
|
| 18 | VOE 941507 | Шланг | 1 |
L = 140 MM
|
|
| 19 | VOE 4881118 | Hose clamp | 1 | ||
| 19 | VOE 4881118 | Hose clamp | 1 | ||
| 2 | VOE 11026935 | Filter insert | 1 | ||
| 20 | VOE 11000127 | Drain cock | 1 |
(784296)
|
|
| 20 | VOE 11000127 | Drain cock | 1 |
(784296)
|
|
| 21 | VOE 914392 | Пробка (заглушка) | 1 | ||
| 21 | VOE 914392 | Пробка (заглушка) | 1 | ||
| 22 | VOE 947626 | Прокладка | 1 | ||
| 22 | VOE 947626 | Прокладка | 1 | ||
| 22A | VOE 13949734 | Винт шестигранник | 1 | ||
| 22A | VOE 13949734 | Винт шестигранник | 1 | ||
| 24 | VOE 11991336 | Гайка | 1 | ||
| 24 | VOE 11991336 | Гайка | 1 | ||
| 25 | VOE 6639203 | Filter insert | 1 | ||
| 25 | VOE 6639203 | Filter insert | 1 | ||
| 27 | VOE 11998800 | Rubber ring | 1 | ||
| 27 | VOE 11998800 | Rubber ring | 1 | ||
| 28 | VOE 11026344 | Attachment | 1 | ||
| 29 | VOE 13955298 | Болт | 1 | ||
| 29 | VOE 13955298 | Болт | 1 | ||
| 3 | VOE 11091075 | Крышка | 1 | ||
| 3 | VOE 11091075 | Крышка | 1 | ||
| 30 | VOE 976944 | Шайба | 1 | ||
| 30 | VOE 976944 | Шайба | 1 | ||
| 31 | VOE 955297 | Винт шестигранник | 1 | ||
| 31 | VOE 955297 | Винт шестигранник | 1 | ||
| 31A | VOE 4973473 | Spacer sleeve | 1 | ||
| 31A | VOE 4973473 | Spacer sleeve | 1 | ||
| 32 | VOE 13955894 | Шайба | 1 | ||
| 32 | VOE 13955894 | Шайба | 1 | ||
| 33 | VOE 955782 | Hexagon nut | 1 | ||
| 33 | VOE 955782 | Hexagon nut | 1 | ||
| 34 | VOE 4787240 | Rubber bushing | 1 | ||
| 35 | VOE 955570 | Винт шестигранник | 1 | ||
| 36 | VOE 955898 | Шайба | 1 | ||
| 36 | VOE 955898 | Шайба | 1 | ||
| 37 | VOE 940176 | Hexagon nut | 1 | ||
| 37 | VOE 940176 | Hexagon nut | 1 | ||
| 38 | VOE 4746300 | Rubber block | 1 | ||
| 38 | VOE 4746300 | Rubber block | 1 | ||
| 39 | VOE 11026615 | Шайба | 1 | ||
| 39 | VOE 11026615 | Шайба | 1 | ||
| 4 | VOE 976945 | Шайба | 1 | ||
| 4 | VOE 976945 | Шайба | 1 | ||
| 40 | VOE 11026256 | Spacer ring | 1 | ||
| 40 | VOE 11026256 | Spacer ring | 1 | ||
| 41 | VOE 970980 | Винт шестигранник | 1 | ||
| 41 | VOE 970980 | Винт шестигранник | 1 | ||
| 42 | VOE 947558 | Шайба | 1 | ||
| 42 | VOE 947558 | Шайба | 1 | ||
| 43 | VOE 13971084 | Lock nut | 1 | ||
| 43 | VOE 13971084 | Lock nut | 1 | ||
| 5 | VOE 971071 | Hexagon nut | 1 | ||
| 5 | VOE 971071 | Hexagon nut | 1 | ||
| 6 | VOE 941375 | Пробка (заглушка) | 1 | ||
| 6 | VOE 941375 | Пробка (заглушка) | 1 | ||
| 6A | VOE 941374 | Пробка (заглушка) | 1 | ||
| 6A | VOE 941374 | Пробка (заглушка) | 1 | ||
| 7 | VOE 958229 | Кольцо уплотнительное (О-кольцо) | 1 | ||
| 7 | VOE 958229 | Кольцо уплотнительное (О-кольцо) | 1 | ||
| 7A | VOE 958228 | Кольцо уплотнительное (О-кольцо) | 1 | ||
| 7A | VOE 958228 | Кольцо уплотнительное (О-кольцо) | 1 | ||
| 8 | VOE 962500 | Кольцо уплотнительное (О-кольцо) | 1 | ||
| 8 | VOE 962500 | Кольцо уплотнительное (О-кольцо) | 1 | ||
| 9 | VOE 11025564 | Крышка | 1 |

