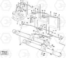
Hydraulic system: Lift function погрузчика колесного Volvo Construction Equipment L120B VOLVO BM VOLVO BM L120B
Hydraulic system: Lift function погрузчика колесного Volvo Construction Equipment L120B VOLVO BM VOLVO BM L120B со списком деталей и комплектацией. Каждую деталь можно приобрести в наличии и под заказ с дотавкой по всей России
Код подсистемы:49263
Наименование:Hydraulic system: Lift function
Версия:
Hydraulic system: Lift function L120B VOLVO BM VOLVO BM L120B
| Поз. | Код | Наименование | Кол | Прим. | |
|---|---|---|---|---|---|
| VOE 4761308 | Anchorage | 1 |
RH
|
||
| 10 | VOE 927947 | Flange half | 1 | ||
| 10 | VOE 927947 | Flange half | 1 | ||
| 11 | VOE 959239 | Allen Hd Screw | 1 | ||
| 12 | VOE 4856983 | Трубка | 1 |
LH
|
|
| 13 | VOE 4856984 | Трубка | 1 |
RH
|
|
| 14 | VOE 4856980 | Трубка | 1 |
LH
|
|
| 15 | VOE 4856982 | Трубка | 1 |
RH
|
|
| 16 | VOE 11018351 | Anchorage | 1 | ||
| 17 | VOE 13955295 | Болт | 1 | ||
| 17 | VOE 13955295 | Болт | 1 | ||
| 18 | VOE 13955894 | Шайба | 1 | ||
| 18 | VOE 13955894 | Шайба | 1 | ||
| 19 | VOE 4739983 | Зажим | 1 | ||
| 19 | VOE 4739983 | Зажим | 1 | ||
| 2 | VOE 4856926 | Трубка | 1 | ||
| 20 | VOE 13955894 | Шайба | 1 | ||
| 20 | VOE 13955894 | Шайба | 1 | ||
| 21 | VOE 963106 | Lock nut | 1 | ||
| 21 | VOE 963106 | Lock nut | 1 | ||
| 22 | VOE 4761309 | Anchorage | 1 |
LH
|
|
| 23 | VOE 4749032 | Зажим | 1 | ||
| 24 | VOE 970952 | Винт шестигранник | 1 | ||
| 24 | VOE 970952 | Винт шестигранник | 1 | ||
| 25 | VOE 976945 | Шайба | 1 | ||
| 25 | VOE 976945 | Шайба | 1 | ||
| 26 | VOE 13971083 | Lock nut | 1 | ||
| 26 | VOE 13971083 | Lock nut | 1 | ||
| 27 | VOE 4739982 | Зажим | 1 | ||
| 27 | VOE 4739982 | Зажим | 1 | ||
| 28 | VOE 13955894 | Шайба | 1 | ||
| 28 | VOE 13955894 | Шайба | 1 | ||
| 29 | VOE 963106 | Lock nut | 1 | ||
| 29 | VOE 963106 | Lock nut | 1 | ||
| 3 | VOE 4856649 | Трубка | 1 | ||
| 30 | VOE 11018384 | Болт | 1 | ||
| 30 | VOE 11018384 | Болт | 1 | ||
| 4 | VOE 926370 | Пробка (заглушка) | 1 | ||
| 4 | VOE 926370 | Пробка (заглушка) | 1 | ||
| 5 | VOE 958225 | Кольцо уплотнительное (О-кольцо) | 1 | ||
| 5 | VOE 958225 | Кольцо уплотнительное (О-кольцо) | 1 | ||
| 6 | VOE 13948700 | Кольцо уплотнительное (О-кольцо) | 1 | ||
| 6 | VOE 13948700 | Кольцо уплотнительное (О-кольцо) | 1 | ||
| 7 | VOE 13970959 | Винт шестигранник | 1 | ||
| 7 | VOE 13970959 | Винт шестигранник | 1 | ||
| 8 | VOE 932471 | Hose assembly | 1 | ||
| 9 | VOE 13948700 | Кольцо уплотнительное (О-кольцо) | 1 | ||
| 9 | VOE 13948700 | Кольцо уплотнительное (О-кольцо) | 1 |

