Electrical system: Air conditioning погрузчика колесного Volvo Construction Equipment L90B VOLVO BM VOLVO BM L90B
Electrical system: Air conditioning погрузчика колесного Volvo Construction Equipment L90B VOLVO BM VOLVO BM L90B со списком деталей и комплектацией. Каждую деталь можно приобрести в наличии и под заказ с дотавкой по всей России
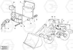
Код подсистемы:49683
Наименование:Electrical system: Air conditioning
Версия:91873
Electrical system: Air conditioning L90B VOLVO BM VOLVO BM L90B
| Поз. | Код | Наименование | Кол | Прим. | |
|---|---|---|---|---|---|
| 1 | VOE 11019109 | 11019109 | 1 | ||
| 10 | VOE 4786690 | Реле | 1 |
RE 44, RE 48
|
|
| 10 | VOE 4786690 | Реле | 1 |
RE 44, RE 48
|
|
| 11 | VOE 13958210 | Receptacle housing | 1 |
(958210)
|
|
| 11 | VOE 13958210 | Receptacle housing | 1 |
(958210)
|
|
| 2 | VOE 11041718 | 11041718 | 1 | ||
| 3 | VOE 11007329 | 11007329 | 1 | ||
| 4 | VOE 11006880 | Spacer sleeve | 1 | ||
| 4 | VOE 11006880 | Spacer sleeve | 1 | ||
| 5 | VOE 956067 | Cross recessed screw | 1 | ||
| 5 | VOE 956067 | Cross recessed screw | 1 | ||
| 6 | VOE 13962653 | Шайба | 1 |
(962653)
|
|
| 6 | VOE 13962653 | Шайба | 1 |
(962653)
|
|
| 7 | VOE 955891 | Шайба | 1 | ||
| 7 | VOE 955891 | Шайба | 1 | ||
| 8 | VOE 13963103 | Lock nut | 1 |
(963103)
|
|
| 8 | VOE 13963103 | Lock nut | 1 |
(963103)
|
|
| 9 | VOE 11041708 | Ptd Circuit Bd | 1 |

