Блок цилиндров погрузчика колесного Volvo Construction Equipment L90B VOLVO BM VOLVO BM L90B
Блок цилиндров погрузчика колесного Volvo Construction Equipment L90B VOLVO BM VOLVO BM L90B со списком деталей и комплектацией. Каждую деталь можно приобрести в наличии и под заказ с дотавкой по всей России
Код подсистемы:98955
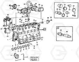
Наименование:Cylinder block
Версия:
Cylinder block L90B VOLVO BM VOLVO BM L90B
| Поз. | Код | Наименование | Кол | Прим. | |
|---|---|---|---|---|---|
| VOE 420970 | Блок цилиндров | 1 |
ENG 78665 - 86154
|
||
| VOE 420990 | Блок цилиндров | 1 |
ENG 86155 -
|
||
| 1 | VOE 465800 | Блок цилиндров | 1 |
ENG - 78664
|
|
| 10 | VOE 422081 | Втулка | 1 | ||
| 10 | VOE 422081 | Втулка | 1 | ||
| 11 | VOE 422082 | Втулка | 1 | ||
| 11 | VOE 422082 | Втулка | 1 | ||
| 12 | VOE 421154 | Nozzle | 1 | ||
| 13 | VOE 11000230 | Заглушка | 1 | ||
| 14 | VOE 467367 | Пробка (заглушка) | 1 | ||
| 14 | VOE 467367 | Пробка (заглушка) | 1 | ||
| 15 | VOE 1556907 | Прокладка | 1 | ||
| 15 | VOE 1556907 | Прокладка | 1 | ||
| 16 | VOE 422369 | Пробка (заглушка) | 1 | ||
| 16 | VOE 422369 | Пробка (заглушка) | 1 | ||
| 17 | VOE 191171 | Палец | 1 | ||
| 18 | VOE 952075 | Пробка (заглушка) | 1 | ||
| 18 | VOE 952075 | Пробка (заглушка) | 1 | ||
| 19 | VOE 952076 | Пробка (заглушка) | 1 | ||
| 19 | VOE 952076 | Пробка (заглушка) | 1 | ||
| 20 | VOE 13946121 | Nipple | 1 | ||
| 20 | VOE 13946121 | Nipple | 1 | ||
| 21 | VOE 476279 | Protecting cap | 1 | ||
| 22 | VOE 960630 | Пробка (заглушка) | 1 | ||
| 22 | VOE 960630 | Пробка (заглушка) | 1 | ||
| 23 | VOE 13947621 | Plane gasket | 1 | ||
| 23 | VOE 13947621 | Plane gasket | 1 | ||
| 24 | VOE 955082 | Cap plug | 1 | ||
| 24 | VOE 955082 | Cap plug | 1 | ||
| 26 | VOE 479979 | Пробка (заглушка) | 1 | ||
| 27 | VOE 420120 | Inspection lid | 1 | ||
| 27 | VOE 420120 | Inspection lid | 1 | ||
| 28 | VOE 420121 | Hatch | 1 | ||
| 28 | VOE 420121 | Hatch | 1 | ||
| 29 | VOE 3978045 | Splash plate | 1 | ||
| 29 | VOE 3978045 | Splash plate | 1 | ||
| 3 | VOE 422426 | Палец | 1 | ||
| 30 | VOE 421121 | Прокладка | 1 | ||
| 30 | VOE 421121 | Прокладка | 1 | ||
| 31 | VOE 471855 | Болт | 1 | ||
| 31 | VOE 471855 | Болт | 1 | ||
| 32 | VOE 471856 | Кольцо уплотнительное | 1 | ||
| 32 | VOE 471856 | Кольцо уплотнительное | 1 | ||
| 33 | VOE 471854 | Cover | 1 | ||
| 33 | VOE 471854 | Крышка | 1 | ||
| 34 | VOE 848497 | Breather pipe | 1 | ||
| 35 | VOE 421158 | Кольцо уплотнительное | 1 | ||
| 35 | VOE 421158 | Кольцо уплотнительное | 1 | ||
| 36 | VOE 968124 | Зажим | 1 | ||
| 37 | VOE 951974 | Spring pin | 1 | ||
| 37 | VOE 951974 | Spring pin | 1 | ||
| 39 | VOE 13965191 | Screw | 1 |
L=30
|
|
| 39 | VOE 13965191 | Болт | 1 |
L=30
|
|
| 4 | VOE 465899 | Болт | 1 | ||
| 42 | VOE 943475 | Hose clamp | 1 | ||
| 42 | VOE 943475 | Hose clamp | 1 | ||
| 43 | VOE 927661 | Rubber hose | 1 | ||
| 44 | VOE 13947893 | Crane | 1 | ||
| 45 | VOE 479954 | Nipple | 1 | ||
| 45 | VOE 479954 | Nipple | 1 | ||
| 46 | VOE 11039249 | Pressure monitor | 1 |
SE 16
|
|
| 46 | VOE 11039249 | Pressure monitor | 1 |
SE 16
|
|
| 47 | VOE 926496 | Nipple | 1 | ||
| 47 | VOE 926496 | Nipple | 1 | ||
| 5 | VOE 422076 | Втулка | 1 | ||
| 5 | VOE 422076 | Втулка | 1 | ||
| 6 | VOE 422077 | Втулка | 1 | ||
| 6 | VOE 422077 | Втулка | 1 | ||
| 7 | VOE 422078 | Втулка | 1 | ||
| 7 | VOE 422078 | Втулка | 1 | ||
| 8 | VOE 11000014 | Втулка | 1 | ||
| 8 | VOE 11000014 | Втулка | 1 | ||
| 9 | VOE 422080 | Втулка | 1 | ||
| 9 | VOE 422080 | Втулка | 1 |

