Блок цилиндров погрузчика колесного Volvo Construction Equipment L180/L180C VOLVO BM VOLVO BM L180/L180C SER NO -2532 / -60469 USA
Блок цилиндров погрузчика колесного Volvo Construction Equipment L180/L180C VOLVO BM VOLVO BM L180/L180C SER NO -2532 / -60469 USA со списком деталей и комплектацией. Каждую деталь можно приобрести в наличии и под заказ с дотавкой по всей России
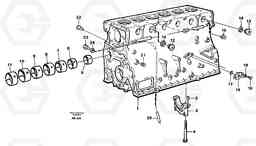
Код подсистемы:14602
Наименование:Cylinder block
Версия:
Cylinder block L180/L180C VOLVO BM VOLVO BM L180/L180C SER NO -2532 / -60469 USA
| Поз. | Код | Наименование | Кол | Прим. | |
|---|---|---|---|---|---|
| VOE 478990 | Блок цилиндров | 1 |
, 478992
|
||
| VOE 478990 | Блок цилиндров | 1 |
, 478992
|
||
| 1 | VOE 478991 | Блок цилиндров | 1 | ||
| 10 | VOE 422081 | Втулка | 1 | ||
| 10 | VOE 422081 | Втулка | 1 | ||
| 11 | VOE 422082 | Втулка | 1 | ||
| 11 | VOE 422082 | Втулка | 1 | ||
| 12 | VOE 467367 | Пробка (заглушка) | 1 |
(467649)
|
|
| 12 | VOE 467367 | Пробка (заглушка) | 1 |
(467649)
|
|
| 13 | VOE 821335 | Пробка (заглушка) | 1 | ||
| 13 | VOE 821335 | Пробка (заглушка) | 1 | ||
| 14 | VOE 1556907 | Прокладка | 1 |
(468462)
|
|
| 14 | VOE 1556907 | Прокладка | 1 |
(468462)
|
|
| 15 | VOE 952075 | Пробка (заглушка) | 1 | ||
| 15 | VOE 952075 | Пробка (заглушка) | 1 | ||
| 16 | VOE 468703 | Cap | 1 | ||
| 17 | VOE 13949657 | Кольцо уплотнительное (О-кольцо) | 1 |
(925060)
|
|
| 17 | VOE 13949657 | Кольцо уплотнительное (О-кольцо) | 1 |
(925060)
|
|
| 18 | VOE 955524 | Винт шестигранник | 1 | ||
| 18 | VOE 955524 | Винт шестигранник | 1 | ||
| 19 | VOE 13941907 | Шайба пружинная | 1 |
(941907)
|
|
| 19 | VOE 13941907 | Шайба | 1 |
(941907)
|
|
| 20 | VOE 468563 | Трубка | 1 | ||
| 20 | VOE 468563 | Tube assembly | 1 | ||
| 21 | VOE 479977 | Пробка (заглушка) | 1 |
(952077)
|
|
| 22 | VOE 422369 | Пробка (заглушка) | 1 | ||
| 22 | VOE 422369 | Пробка (заглушка) | 1 | ||
| 23 | VOE 7016318 | Пробка (заглушка) | 1 | ||
| 23 | VOE 7016318 | Пробка (заглушка) | 1 | ||
| 24 | VOE 13947281 | Прокладка | 1 |
(907132)
|
|
| 24 | VOE 13947281 | Прокладка | 1 |
(907132)
|
|
| 3 | VOE 422426 | Палец | 1 | ||
| 4 | VOE 423444 | Болт | 1 | ||
| 5 | VOE 422076 | Втулка | 1 | ||
| 5 | VOE 422076 | Втулка | 1 | ||
| 6 | VOE 422077 | Втулка | 1 | ||
| 6 | VOE 422077 | Втулка | 1 | ||
| 7 | VOE 422078 | Втулка | 1 | ||
| 7 | VOE 422078 | Втулка | 1 | ||
| 8 | VOE 11000014 | Втулка | 1 | ||
| 8 | VOE 11000014 | Втулка | 1 | ||
| 9 | VOE 422080 | Втулка | 1 | ||
| 9 | VOE 422080 | Втулка | 1 |

