Система охлаждения погрузчика колесного Volvo Construction Equipment L180/L180C VOLVO BM VOLVO BM L180/L180C SER NO -2532 / -60469 USA
Система охлаждения погрузчика колесного Volvo Construction Equipment L180/L180C VOLVO BM VOLVO BM L180/L180C SER NO -2532 / -60469 USA со списком деталей и комплектацией. Каждую деталь можно приобрести в наличии и под заказ с дотавкой по всей России
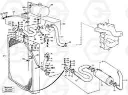
Код подсистемы:25076
Наименование:Cooling system.
Версия:SER NO - 1835 / SER NO - 60300 USA
Cooling system. L180/L180C VOLVO BM VOLVO BM L180/L180C SER NO -2532 / -60469 USA
| Поз. | Код | Наименование | Кол | Прим. | |
|---|---|---|---|---|---|
| VOE 11033833 | Radiator hose | 1 |
SER NO 1766 -
|
||
| VOE 13980211 | Шланг | 1 |
L = 2000
|
||
| VOE 943480 | Hose clamp | 1 |
ID = 75
|
||
| VOE 943480 | Hose clamp | 1 |
ID = 75
|
||
| VOE 943481 | Hose clamp | 1 |
ID = 85
|
||
| VOE 943481 | Hose clamp | 1 |
ID = 85
|
||
| 10 | VOE 943480 | Hose clamp | 1 | ||
| 10 | VOE 943480 | Hose clamp | 1 | ||
| 12 | VOE 11033223 | Radiator hose | 1 | ||
| 13 | VOE 943480 | Hose clamp | 1 | ||
| 13 | VOE 943480 | Hose clamp | 1 | ||
| 14 | VOE 11033192 | Hose connection | 1 | ||
| 14 | VOE 11033192 | Hose connection | 1 | ||
| 15 | VOE 479955 | Пробка (заглушка) | 1 | ||
| 16 | VOE 1664473 | Кольцо уплотнительное (О-кольцо) | 1 | ||
| 16 | VOE 1664473 | Кольцо уплотнительное (О-кольцо) | 1 | ||
| 17 | VOE 924081 | Шпилька | 1 |
L = 50
|
|
| 17 | VOE 924081 | Шпилька | 1 |
L = 50
|
|
| 18 | VOE 952998 | Шпилька | 1 |
L = 105
|
|
| 18 | VOE 952998 | Шпилька | 1 |
L = 105
|
|
| 19 | VOE 976945 | Шайба | 1 | ||
| 19 | VOE 976945 | Шайба | 1 | ||
| 2 | VOE 11033622 | Connecting pipe | 1 | ||
| 20 | VOE 971071 | Hexagon nut | 1 | ||
| 20 | VOE 971071 | Hexagon nut | 1 | ||
| 22 | VOE 11033192 | Hose connection | 1 | ||
| 22 | VOE 11033192 | Hose connection | 1 | ||
| 23 | VOE 1664473 | Кольцо уплотнительное (О-кольцо) | 1 | ||
| 23 | VOE 1664473 | Кольцо уплотнительное (О-кольцо) | 1 | ||
| 24 | VOE 924081 | Шпилька | 1 |
L = 50
|
|
| 24 | VOE 924081 | Шпилька | 1 |
L = 50
|
|
| 25 | VOE 952998 | Шпилька | 1 |
L = 105
|
|
| 25 | VOE 952998 | Шпилька | 1 |
L = 105
|
|
| 26 | VOE 976945 | Шайба | 1 | ||
| 26 | VOE 976945 | Шайба | 1 | ||
| 27 | VOE 971071 | Hexagon nut | 1 | ||
| 27 | VOE 971071 | Hexagon nut | 1 | ||
| 28 | VOE 11033225 | Radiator hose | 1 | ||
| 29 | VOE 943480 | Hose clamp | 1 | ||
| 29 | VOE 943480 | Hose clamp | 1 | ||
| 3 | VOE 13964090 | Closure | 1 |
(964090)
|
|
| 3 | VOE 13964090 | Closure | 1 |
(964090)
|
|
| 31 | VOE 11033408 | Radiator hose | 1 |
SER NO - 1765
|
|
| 32 | VOE 943480 | Hose clamp | 1 |
ID = 75
|
|
| 32 | VOE 943480 | Hose clamp | 1 |
ID = 75
|
|
| 33 | VOE 943367 | Шланг | 1 |
L = 1230
|
|
| 33 | VOE 943367 | Шланг | 1 |
L = 1230
|
|
| 34 | VOE 11033572 | Restrictor | 1 | ||
| 35 | VOE 943470 | Hose clamp | 1 | ||
| 35 | VOE 943470 | Hose clamp | 1 | ||
| 36 | VOE 942758 | Nipple | 1 | ||
| 36 | VOE 942758 | Nipple | 1 | ||
| 37 | VOE 961960 | Уплотнительная втулка | 1 | ||
| 37 | VOE 961960 | Уплотнительная втулка | 1 | ||
| 39 | VOE 944386 | Шланг | 1 |
L = 785
|
|
| 39 | VOE 944386 | Шланг | 1 |
L = 785
|
|
| 4 | VOE 956985 | Фиттинг | 1 | ||
| 40 | VOE 943475 | Hose clamp | 1 | ||
| 40 | VOE 943475 | Hose clamp | 1 | ||
| 41 | VOE 952640 | Зажим | 1 | ||
| 41 | VOE 952640 | Зажим | 1 | ||
| 42 | VOE 13965559 | Кронштейн | 1 |
SER NO - 1022
|
|
| 43 | VOE 13955272 | Болт | 1 | ||
| 43 | VOE 13955272 | Болт | 1 | ||
| 44 | VOE 955892 | Шайба | 1 | ||
| 44 | VOE 955892 | Шайба | 1 | ||
| 45 | VOE 946035 | Lock nut | 1 | ||
| 45 | VOE 946035 | Lock nut | 1 | ||
| 46 | VOE 943367 | Шланг | 1 |
L = 330
|
|
| 46 | VOE 943367 | Шланг | 1 |
L = 330
|
|
| 47 | VOE 11033572 | Restrictor | 1 | ||
| 48 | VOE 943470 | Hose clamp | 1 | ||
| 48 | VOE 943470 | Hose clamp | 1 | ||
| 49 | VOE 11033227 | Hose connection | 1 |
SER NO - 1022
|
|
| 5 | VOE 952075 | Пробка (заглушка) | 1 | ||
| 5 | VOE 952075 | Пробка (заглушка) | 1 | ||
| 50 | VOE 13949721 | Кольцо уплотнительное (О-кольцо) | 1 |
SER NO - 1022
|
|
| 50 | VOE 13949721 | Кольцо уплотнительное (О-кольцо) | 1 |
SER NO - 1022
|
|
| 51 | VOE 13940135 | Болт | 1 |
SER NO - 1022
|
|
| 51 | VOE 13940135 | Болт | 1 |
SER NO - 1022
|
|
| 52 | VOE 13941907 | Шайба пружинная | 1 | ||
| 52 | VOE 13941907 | Шайба | 1 | ||
| 54 | VOE 192618 | Шланг | 1 |
L = 2000
|
|
| 55 | VOE 4881440 | Cable tie | 1 | ||
| 55 | VOE 4881440 | Cable tie | 1 | ||
| 6 | VOE 925092 | Кольцо уплотнительное (О-кольцо) | 1 | ||
| 6 | VOE 925092 | Кольцо уплотнительное (О-кольцо) | 1 | ||
| 7 | VOE 13940135 | Болт | 1 | ||
| 7 | VOE 13940135 | Болт | 1 | ||
| 8 | VOE 13941907 | Шайба пружинная | 1 | ||
| 8 | VOE 13941907 | Шайба | 1 | ||
| 9 | VOE 11033413 | Radiator hose | 1 |

