Engine hood погрузчика колесного Volvo Construction Equipment L180/L180C VOLVO BM VOLVO BM L180/L180C SER NO -2532 / -60469 USA
Engine hood погрузчика колесного Volvo Construction Equipment L180/L180C VOLVO BM VOLVO BM L180/L180C SER NO -2532 / -60469 USA со списком деталей и комплектацией. Каждую деталь можно приобрести в наличии и под заказ с дотавкой по всей России
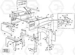
Код подсистемы:93508
Наименование:Engine hood
Версия:
Engine hood L180/L180C VOLVO BM VOLVO BM L180/L180C SER NO -2532 / -60469 USA
| Поз. | Код | Наименование | Кол | Прим. | |
|---|---|---|---|---|---|
| VOE 13948217 | Screw | 1 |
L = 45
|
||
| VOE 13948217 | Болт | 1 |
L = 45
|
||
| VOE 13948217 | Screw | 1 |
L = 45
|
||
| VOE 13948217 | Болт | 1 |
L = 45
|
||
| VOE 925760 | Шайба | 1 |
8,4 X 26 X 5
|
||
| VOE 925760 | Шайба | 1 |
8,4 X 26 X 5
|
||
| VOE 11027168 | Stanchion | 1 |
LH
|
||
| VOE 11026640 | Top plate | 1 |
SER NO 1555 -
|
||
| VOE 11026523 | Stanchion | 1 |
RH
|
||
| VOE 11026560 | Bonnet plate | 1 |
SER NO 1424 -
|
||
| VOE 11093118 | Brace | 1 |
33809 SER NO - 1554
|
||
| VOE 11026187 | Latch | 1 |
SER NO 1208 -
|
||
| VOE 11027168 | Stanchion | 1 |
LH
|
||
| VOE 11093131 | Stanchion | 1 |
33809
|
||
| VOE 11026533 | Bonnet | 1 |
SER NO 1424 -
|
||
| VOE 11093130 | Stanchion | 1 |
33809
|
||
| VOE 11013712 | Brace | 1 | |||
| VOE 11013712 | Brace | 1 | |||
| VOE 11093371 | Brace | 1 |
33809 SER NO 1555 -
|
||
| 1 | VOE 11026288 | Brace | 1 | ||
| 10 | VOE 13960143 | Шайба | 1 |
(960143)
|
|
| 10 | VOE 13960143 | Шайба | 1 |
(960143)
|
|
| 11 | VOE 13971098 | Flange nut | 1 | ||
| 11 | VOE 13971098 | Flange nut | 1 | ||
| 12 | VOE 11026534 | Bonnet | 1 |
SER NO 1424 -
|
|
| 12 | VOE 11026312 | Bonnet | 1 |
(11025486, 11026007)
|
|
| 13 | VOE 4954431 | Втулка | 1 | ||
| 13 | VOE 4954431 | Втулка | 1 | ||
| 13 | VOE 4954431 | Втулка | 1 | ||
| 13 | VOE 4954431 | Втулка | 1 | ||
| 14 | VOE 955300 | Винт шестигранник | 1 | ||
| 14 | VOE 955300 | Винт шестигранник | 1 | ||
| 14 | VOE 955300 | Винт шестигранник | 1 | ||
| 14 | VOE 955300 | Винт шестигранник | 1 | ||
| 15 | VOE 13955894 | Шайба | 1 |
(955894)
|
|
| 15 | VOE 13955894 | Шайба | 1 |
(955894)
|
|
| 15 | VOE 13955894 | Шайба | 1 | ||
| 15 | VOE 13955894 | Шайба | 1 | ||
| 16 | VOE 946036 | Lock nut | 1 | ||
| 16 | VOE 946036 | Lock nut | 1 | ||
| 16 | VOE 946036 | Lock nut | 1 | ||
| 16 | VOE 946036 | Lock nut | 1 | ||
| 17 | VOE 13946173 | Screw | 1 |
L = 20, (946173)
|
|
| 17 | VOE 13946173 | Болт | 1 |
L = 20, (946173)
|
|
| 18 | VOE 976944 | Шайба | 1 |
(960141)
|
|
| 18 | VOE 976944 | Шайба | 1 |
(960141)
|
|
| 18A | VOE 826652 | Spacer sleeve | 1 | ||
| 18A | VOE 826652 | Spacer sleeve | 1 | ||
| 18B | VOE 946036 | Lock nut | 1 | ||
| 18B | VOE 946036 | Lock nut | 1 | ||
| 19 | VOE 660339 | Пробка (заглушка) | 1 | ||
| 19 | VOE 660339 | Пробка (заглушка) | 1 | ||
| 2 | VOE 13970973 | Винт шестигранник | 1 |
(970973)
|
|
| 2 | VOE 13970973 | Винт шестигранник | 1 |
(970973)
|
|
| 20 | VOE 11025366 | Spring retainer | 1 | ||
| 21 | VOE 956094 | Cross recessed screw | 1 | ||
| 21 | VOE 956094 | Cross recessed screw | 1 | ||
| 22 | VOE 13955781 | Гайка | 1 | ||
| 22 | VOE 13955781 | Гайка | 1 | ||
| 23 | VOE 15025959 | Latch | 1 | ||
| 24 | VOE 11018775 | Handle | 1 | ||
| 25 | VOE 13955272 | Болт | 1 | ||
| 25 | VOE 13955272 | Болт | 1 | ||
| 26 | VOE 955892 | Шайба | 1 | ||
| 26 | VOE 955892 | Шайба | 1 | ||
| 27 | VOE 13955781 | Гайка | 1 | ||
| 27 | VOE 13955781 | Гайка | 1 | ||
| 28 | VOE 13964837 | Clevis pin | 1 | ||
| 29 | VOE 11025370 | Пружина | 1 | ||
| 3 | VOE 13969203 | Шайба | 1 |
(969203)
|
|
| 30 | VOE 907816 | Cotter Pin | 1 | ||
| 31 | VOE 11025403 | Latch | 1 |
SER NO - 1207
|
|
| 32 | VOE 946671 | Flange screw | 1 | ||
| 32 | VOE 946671 | Flange screw | 1 | ||
| 33 | VOE 976944 | Шайба | 1 |
(960141)
|
|
| 33 | VOE 976944 | Шайба | 1 |
(960141)
|
|
| 34 | VOE 955782 | Hexagon nut | 1 | ||
| 34 | VOE 955782 | Hexagon nut | 1 | ||
| 35 | VOE 11025451 | Bonnet plate | 1 | ||
| 36 | VOE 11026791 | Attachment | 1 |
(11025525)
|
|
| 37 | VOE 13945444 | Болт | 1 |
(945444)
|
|
| 37 | VOE 13945444 | Screw | 1 |
(945444)
|
|
| 38 | VOE 976944 | Шайба | 1 |
(960141)
|
|
| 38 | VOE 976944 | Шайба | 1 |
(960141)
|
|
| 39 | VOE 955782 | Hexagon nut | 1 | ||
| 39 | VOE 955782 | Hexagon nut | 1 | ||
| 4 | VOE 11025132 | Stanchion | 1 |
LH
|
|
| 40 | VOE 11026310 | Bonnet plate | 1 |
(11025496)
|
|
| 41 | VOE 13946173 | Screw | 1 |
L = 20, (946173)
|
|
| 41 | VOE 13946173 | Болт | 1 |
L = 20, (946173)
|
|
| 42 | VOE 976944 | Шайба | 1 |
8,4 X 22 X 2
|
|
| 42 | VOE 976944 | Шайба | 1 |
8,4 X 22 X 2
|
|
| 42A | VOE 826652 | Spacer sleeve | 1 | ||
| 42A | VOE 826652 | Spacer sleeve | 1 | ||
| 42B | VOE 946036 | Lock nut | 1 | ||
| 42B | VOE 946036 | Lock nut | 1 | ||
| 43 | VOE 11026261 | Bonnet plate | 1 | ||
| 44 | VOE 11075343 | Опора | 1 | ||
| 45 | VOE 11075072 | Опора | 1 | ||
| 46 | VOE 11025470 | 11025470 | 1 | ||
| 47 | VOE 13945444 | Болт | 1 |
(945444)
|
|
| 47 | VOE 13945444 | Screw | 1 |
(945444)
|
|
| 48 | VOE 976944 | Шайба | 1 |
(960141)
|
|
| 48 | VOE 976944 | Шайба | 1 |
(960141)
|
|
| 49 | VOE 13965193 | Болт | 1 |
SER NO 1555 -
|
|
| 49 | VOE 13965193 | Screw | 1 |
SER NO 1555 -
|
|
| 5 | VOE 11025131 | Stanchion | 1 |
RH
|
|
| 50 | VOE 11026658 | Вставка | 1 |
SER NO 1555 -
|
|
| 51 | VOE 11026681 | Прокладка | 1 |
SER NO 1555 -
|
|
| 52 | VOE 971099 | Flange lock nut | 1 |
SER NO 1555 -
|
|
| 52 | VOE 971099 | Flange lock nut | 1 |
SER NO 1555 -
|
|
| 53 | VOE 11014371 | Пружина натяжная | 1 |
SER NO 1738 -
|
|
| 54 | VOE 11026350 | Cross stay | 1 | ||
| 55 | VOE 11026349 | Rubber cloth | 1 | ||
| 56 | VOE 955297 | Винт шестигранник | 1 | ||
| 56 | VOE 955297 | Винт шестигранник | 1 | ||
| 57 | VOE 976944 | Шайба | 1 | ||
| 57 | VOE 976944 | Шайба | 1 | ||
| 58 | VOE 946036 | Lock nut | 1 | ||
| 58 | VOE 946036 | Lock nut | 1 | ||
| 59 | VOE 11026347 | Attachment | 1 | ||
| 6 | VOE 13970974 | Винт шестигранник | 1 |
(970974)
|
|
| 6 | VOE 13970974 | Винт шестигранник | 1 |
(970974)
|
|
| 60 | VOE 930456 | Spacer ring | 1 | ||
| 60 | VOE 930456 | Spacer ring | 1 | ||
| 61 | VOE 955303 | Винт шестигранник | 1 | ||
| 61 | VOE 955303 | Винт шестигранник | 1 | ||
| 62 | VOE 976944 | Шайба | 1 | ||
| 62 | VOE 976944 | Шайба | 1 | ||
| 63 | VOE 946036 | Lock nut | 1 | ||
| 63 | VOE 946036 | Lock nut | 1 | ||
| 64 | VOE 11026348 | Rubber cloth | 1 | ||
| 65 | VOE 955297 | Винт шестигранник | 1 | ||
| 65 | VOE 955297 | Винт шестигранник | 1 | ||
| 66 | VOE 976944 | Шайба | 1 | ||
| 66 | VOE 976944 | Шайба | 1 | ||
| 67 | VOE 946036 | Lock nut | 1 | ||
| 67 | VOE 946036 | Lock nut | 1 | ||
| 6A | VOE 4861316 | Spacer ring | 1 | ||
| 6A | VOE 4861316 | Spacer ring | 1 | ||
| 7 | VOE 13960144 | Шайба | 1 |
SER NO 1118 -
|
|
| 7 | VOE 13960144 | Шайба | 1 |
SER NO 1118 -
|
|
| 8 | VOE 11025467 | Brace | 1 | ||
| 9 | VOE 13965186 | Болт | 1 | ||
| 9 | VOE 13965186 | Screw | 1 | ||
| 9A | VOE 4943026 | Spacer sleeve | 1 | ||
| 9A | VOE 4943026 | Spacer sleeve | 1 |

