Фильтр масляный погрузчика колесного Volvo Construction Equipment L90C VOLVO BM VOLVO BM L90C SER NO - 14304
Фильтр масляный погрузчика колесного Volvo Construction Equipment L90C VOLVO BM VOLVO BM L90C SER NO - 14304 со списком деталей и комплектацией. Каждую деталь можно приобрести в наличии и под заказ с дотавкой по всей России
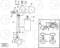
Код подсистемы:27859
Наименование:Oil filter
Версия:
Oil filter L90C VOLVO BM VOLVO BM L90C SER NO - 14304
| Поз. | Код | Наименование | Кол | Прим. | |
|---|---|---|---|---|---|
| VOE 13965222 | Болт | 1 |
M10x65
|
||
| VOE 13965222 | Болт | 1 |
M10x65
|
||
| VOE 955306 | Винт шестигранник | 1 |
M8x80
|
||
| VOE 955306 | Винт шестигранник | 1 |
M8x80
|
||
| 10 | VOE 13948981 | Кольцо уплотнительное (О-кольцо) | 1 | ||
| 10 | VOE 13948981 | Кольцо уплотнительное (О-кольцо) | 1 | ||
| 11 | VOE 469904 | Nipple | 1 | ||
| 11 | VOE 469904 | Nipple | 1 | ||
| 12 | VOE 465857 | Трубка | 1 | ||
| 13 | VOE 471956 | Кольцо уплотнительное | 1 | ||
| 13 | VOE 471956 | Кольцо уплотнительное | 1 | ||
| 14 | VOE 466634 | Фильтр масляный | 1 | ||
| 14 | VOE 466634 | Фильтр масляный | 1 | ||
| 15 | VOE 13947625 | Plane gasket | 1 | ||
| 15 | VOE 13947625 | Plane gasket | 1 | ||
| 16 | VOE 11030597 | Nipple | 1 | ||
| 16 | VOE 11030597 | Nipple | 1 | ||
| 17 | VOE 471956 | Кольцо уплотнительное | 1 | ||
| 17 | VOE 471956 | Кольцо уплотнительное | 1 | ||
| 18 | VOE 11030617 | Трубка | 1 | ||
| 19 | VOE 11030616 | Трубка | 1 | ||
| 2 | VOE 13949656 | Кольцо уплотнительное (О-кольцо) | 1 | ||
| 2 | VOE 13949656 | Кольцо уплотнительное (О-кольцо) | 1 | ||
| 20 | VOE 11030594 | Картер (корпус) | 1 | ||
| 20 | VOE 11030594 | Картер (корпус) | 1 | ||
| 21 | VOE 13947622 | Plane gasket | 1 | ||
| 21 | VOE 13947622 | Plane gasket | 1 | ||
| 22 | VOE 13963948 | Nipple | 1 | ||
| 22 | VOE 13963948 | Nipple | 1 | ||
| 23 | VOE 13947627 | Plane gasket | 1 | ||
| 23 | VOE 13947627 | Plane gasket | 1 | ||
| 24 | VOE 13966145 | Пробка (заглушка) | 1 | ||
| 24 | VOE 13966145 | Пробка (заглушка) | 1 | ||
| 25 | VOE 466623 | Nipple | 1 | ||
| 25 | VOE 466623 | Nipple | 1 | ||
| 26 | VOE 11030605 | 11030605 | 1 | ||
| 27 | VOE 13955894 | Шайба | 1 | ||
| 27 | VOE 13955894 | Шайба | 1 | ||
| 28 | VOE 940132 | Винт шестигранник | 1 |
M8x35
|
|
| 28 | VOE 940132 | Винт шестигранник | 1 |
M8x35
|
|
| 3 | VOE 13949722 | Кольцо уплотнительное (О-кольцо) | 1 | ||
| 3 | VOE 13949722 | Кольцо уплотнительное (О-кольцо) | 1 | ||
| 4 | VOE 946329 | Flange screw | 1 |
M10x25
|
|
| 4 | VOE 946329 | Flange screw | 1 |
M10x25
|
|
| 6 | VOE 471601 | 471601 | 1 | ||
| 7 | VOE 13949656 | Кольцо уплотнительное (О-кольцо) | 1 | ||
| 7 | VOE 13949656 | Кольцо уплотнительное (О-кольцо) | 1 | ||
| 8 | VOE 946329 | Flange screw | 1 | ||
| 8 | VOE 946329 | Flange screw | 1 | ||
| 9 | VOE 3812509 | Casing | 1 |

