Oil bath air filter with fitting parts самосвала cочлененного Volvo Construction Equipment A40 VOLVO BM VOLVO BM A40 SER NO - 1151/- 60026
Oil bath air filter with fitting parts самосвала cочлененного Volvo Construction Equipment A40 VOLVO BM VOLVO BM A40 SER NO - 1151/- 60026 со списком деталей и комплектацией. Каждую деталь можно приобрести в наличии и под заказ с дотавкой по всей России
Код подсистемы:82633
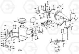
Наименование:Oil bath air filter with fitting parts
Версия:93060
Oil bath air filter with fitting parts A40 VOLVO BM VOLVO BM A40 SER NO - 1151/- 60026
| Поз. | Код | Наименование | Кол | Прим. | |
|---|---|---|---|---|---|
| 1 | VOE 11051525 | Brace | 1 | ||
| 11 | VOE 11051663 | Адаптер | 1 | ||
| 12 | VOE 13965595 | Blind rivet | 1 | ||
| 13 | VOE 11051520 | Brace | 1 | ||
| 14 | VOE 11051521 | Brace | 1 | ||
| 15 | VOE 13965186 | Болт | 1 | ||
| 15 | VOE 13965186 | Screw | 1 | ||
| 16 | VOE 13960143 | Шайба | 1 | ||
| 16 | VOE 13960143 | Шайба | 1 | ||
| 17 | VOE 13971098 | Flange nut | 1 | ||
| 17 | VOE 13971098 | Flange nut | 1 | ||
| 18 | VOE 11051522 | Elbow | 1 | ||
| 19 | VOE 946472 | Flange screw | 1 | ||
| 19 | VOE 946472 | Flange screw | 1 | ||
| 2 | VOE 13965185 | Screw | 1 | ||
| 2 | VOE 13965185 | Болт | 1 | ||
| 20 | VOE 13960143 | Шайба | 1 | ||
| 20 | VOE 13960143 | Шайба | 1 | ||
| 21 | VOE 13971098 | Flange nut | 1 | ||
| 21 | VOE 13971098 | Flange nut | 1 | ||
| 22 | VOE 11051585 | Anchorage | 1 | ||
| 23 | VOE 13946474 | Flange screw | 1 | ||
| 24 | VOE 13965194 | Screw | 1 | ||
| 24 | VOE 13965194 | Болт | 1 | ||
| 25 | VOE 13955897 | Шайба | 1 | ||
| 25 | VOE 13955897 | Шайба | 1 | ||
| 26 | VOE 4861316 | Spacer ring | 1 | ||
| 26 | VOE 4861316 | Spacer ring | 1 | ||
| 27 | VOE 11064060 | Втулка | 1 | ||
| 28 | VOE 11051586 | Шайба | 1 | ||
| 29 | VOE 946472 | Flange screw | 1 | ||
| 29 | VOE 946472 | Flange screw | 1 | ||
| 3 | VOE 4943026 | Spacer sleeve | 1 | ||
| 3 | VOE 4943026 | Spacer sleeve | 1 | ||
| 30 | VOE 13960143 | Шайба | 1 | ||
| 30 | VOE 13960143 | Шайба | 1 | ||
| 31 | VOE 11064211 | 11064211 | 1 | ||
| 32 | VOE 11051515 | Attachment | 1 | ||
| 33 | VOE 946472 | Flange screw | 1 | ||
| 33 | VOE 946472 | Flange screw | 1 | ||
| 34 | VOE 13960143 | Шайба | 1 | ||
| 34 | VOE 13960143 | Шайба | 1 | ||
| 35 | VOE 13971098 | Flange nut | 1 | ||
| 35 | VOE 13971098 | Flange nut | 1 | ||
| 37 | VOE 11051547 | Адаптер | 1 | ||
| 38 | VOE 943485 | Hose clamp | 1 | ||
| 38 | VOE 943485 | Hose clamp | 1 | ||
| 39 | VOE 11051613 | Зажим | 1 | ||
| 4 | VOE 13971098 | Flange nut | 1 | ||
| 4 | VOE 13971098 | Flange nut | 1 | ||
| 40 | VOE 11110260 | Крышка | 1 | ||
| 40 | VOE 11110260 | Крышка | 1 | ||
| 41 | VOE 11051577 | Brace | 1 | ||
| 42 | VOE 13965182 | Болт | 1 | ||
| 42 | VOE 13965182 | Screw | 1 | ||
| 43 | VOE 976944 | Шайба | 1 | ||
| 43 | VOE 976944 | Шайба | 1 | ||
| 44 | VOE 13945408 | Гайка | 1 | ||
| 44 | VOE 13945408 | Гайка | 1 | ||
| 45 | VOE 11051662 | Buffer | 1 | ||
| 46 | VOE 976944 | Шайба | 1 | ||
| 46 | VOE 976944 | Шайба | 1 | ||
| 47 | VOE 13945408 | Гайка | 1 | ||
| 47 | VOE 13945408 | Гайка | 1 | ||
| 48 | VOE 11051642 | Lock | 1 | ||
| 49 | VOE 956184 | Cross recessed sunk screw | 1 | ||
| 49 | VOE 956184 | Cross recessed sunk screw | 1 | ||
| 5 | VOE 11051540 | Опора | 1 | ||
| 50 | VOE 13945408 | Гайка | 1 | ||
| 50 | VOE 13945408 | Гайка | 1 | ||
| 51 | VOE 11051616 | Шайба | 1 | ||
| 52 | VOE 956060 | Cross recessed screw | 1 | ||
| 52 | VOE 956060 | Cross recessed screw | 1 | ||
| 53 | VOE 1542935 | Pressure drop indicator | 1 | ||
| 53 | VOE 1542935 | Pressure drop indicator | 1 | ||
| 6 | VOE 946441 | Flange screw | 1 | ||
| 6 | VOE 946441 | Flange screw | 1 | ||
| 7 | VOE 13965188 | Болт | 1 | ||
| 7 | VOE 13965188 | Screw | 1 | ||
| 8 | VOE 13960143 | Шайба | 1 | ||
| 8 | VOE 13960143 | Шайба | 1 | ||
| 9 | VOE 13971098 | Flange nut | 1 | ||
| 9 | VOE 13971098 | Flange nut | 1 |

