Tip valve самосвала cочлененного Volvo Construction Equipment A35C VOLVO BM VOLVO BM A35C SER NO - 4620,
Tip valve самосвала cочлененного Volvo Construction Equipment A35C VOLVO BM VOLVO BM A35C SER NO - 4620, со списком деталей и комплектацией. Каждую деталь можно приобрести в наличии и под заказ с дотавкой по всей России
Код подсистемы:12893
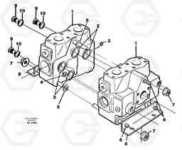
Наименование:Tip valve
Версия:
Tip valve A35C VOLVO BM VOLVO BM A35C SER NO - 4620,
| Поз. | Код | Наименование | Кол | Прим. | |
|---|---|---|---|---|---|
| VOE 11998606 | Gasket Kit | 1 | |||
| VOE 11998606 | Gasket Kit | 1 | |||
| VOE 11063347 | Tip Valve | 1 | |||
| 10 | VOE 14013067 | Sealing washer | 1 | ||
| 10 | VOE 14013067 | Sealing washer | 1 | ||
| 2 | VOE 13960173 | Кольцо уплотнительное (О-кольцо) | 1 | ||
| 2 | VOE 13960173 | Кольцо уплотнительное (О-кольцо) | 1 | ||
| 3 | VOE 925052 | Кольцо уплотнительное (О-кольцо) | 1 | ||
| 3 | VOE 925052 | Кольцо уплотнительное (О-кольцо) | 1 | ||
| 4 | VOE 944364 | Кольцо уплотнительное (О-кольцо) | 1 | ||
| 4 | VOE 944364 | Кольцо уплотнительное (О-кольцо) | 1 | ||
| 5 | VOE 11992379 | Вставка | 1 | ||
| 5 | VOE 11992379 | Вставка | 1 | ||
| 7 | VOE 13971072 | Hexagon Nut | 1 | ||
| 7 | VOE 13971072 | Hexagon Nut | 1 | ||
| 9 | VOE 944505 | Пробка (заглушка) | 1 | ||
| 9 | VOE 944505 | Пробка (заглушка) | 1 |

