Parking brake, electro -hydraulic погрузчика колесного Volvo Construction Equipment L120C S/N 11319-SWE, S/N 61677-USA, S/N 70075-BRA
Parking brake, electro -hydraulic погрузчика колесного Volvo Construction Equipment L120C S/N 11319-SWE, S/N 61677-USA, S/N 70075-BRA со списком деталей и комплектацией. Каждую деталь можно приобрести в наличии и под заказ с дотавкой по всей России
Код подсистемы:21326
Наименование:Parking brake, electro -hydraulic
Версия:
Parking brake, electro -hydraulic L120C S/N 11319-SWE, S/N 61677-USA, S/N 70075-BRA
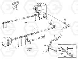
| Поз. | Код | Наименование | Кол | Прим. | |
|---|---|---|---|---|---|
| VOE 11109336 | Hose assembly | 1 |
SER NO - 12369
|
||
| VOE 11109337 | Hose assembly | 1 | |||
| VOE 11109337 | Hose assembly | 1 | |||
| VOE 192601 | Ball | 1 | |||
| VOE 192601 | Ball | 1 | |||
| VOE 11026970 | Compression Spring | 1 | |||
| VOE 11026970 | Compression Spring | 1 | |||
| VOE 11994564 | Гидроаккумулятор | 1 |
SER NO - 12369
|
||
| VOE 11994564 | Гидроаккумулятор | 1 |
SER NO - 12369
|
||
| VOE 11025647 | Peg | 1 | |||
| VOE 11025647 | Peg | 1 | |||
| 1 | VOE 4872213 | Гидроаккумулятор | 1 |
SER NO - 12376
|
|
| 1 | VOE 4872213 | Гидроаккумулятор | 1 |
SER NO - 12376
|
|
| 10 | VOE 13932839 | Hose assembly | 1 |
L=900
|
|
| 10 | VOE 13932839 | Hose assembly | 1 |
L=900
|
|
| 11 | VOE 4881644 | Nipple | 1 |
HT - 12982
|
|
| 11 | VOE 4881644 | Nipple | 1 |
HT - 12982
|
|
| 12 | VOE 11993537 | Кольцо уплотнительное (О-кольцо) | 1 | ||
| 12 | VOE 11993537 | Кольцо уплотнительное (О-кольцо) | 1 | ||
| 13 | VOE 931225 | Nipple | 1 | ||
| 13 | VOE 931225 | Nipple | 1 | ||
| 14 | VOE 13933664 | Hose assembly | 1 |
L=400
|
|
| 14 | VOE 13933664 | Hose assembly | 1 |
L=400
|
|
| 15 | VOE 4821862 | Tee | 1 | ||
| 16 | VOE 11026969 | Check valve | 1 |
SER NO - 12376
|
|
| 16 | VOE 11026969 | Клапан обратный | 1 |
SER NO - 12376
|
|
| 17 | VOE 11105182 | Check valve | 1 |
SER NO 12377 -
|
|
| 17 | VOE 11105182 | Клапан обратный | 1 |
SER NO 12377 -
|
|
| 18 | VOE 192601 | Ball | 1 | ||
| 18 | VOE 192601 | Ball | 1 | ||
| 19 | VOE 11025647 | Peg | 1 | ||
| 19 | VOE 11025647 | Peg | 1 | ||
| 2 | VOE 4872215 | Гайка | 1 |
SER NO - 12376
|
|
| 2 | VOE 4872215 | Гайка | 1 |
SER NO - 12376
|
|
| 20 | VOE 11019434 | Compression Spring | 1 | ||
| 20 | VOE 11019434 | Compression Spring | 1 | ||
| 21 | VOE 13951941 | Spring pin | 1 | ||
| 21 | VOE 13951941 | Spring pin | 1 | ||
| 22 | VOE 11104606 | Retaining Strap | 1 |
SER NO 10999 -
|
|
| 22 | VOE 11104606 | Retaining Strap | 1 |
SER NO 10999 -
|
|
| 3 | VOE 4881644 | Nipple | 1 |
SER NO - 12376
|
|
| 3 | VOE 4881644 | Nipple | 1 |
SER NO - 12376
|
|
| 4 | VOE 11993537 | Кольцо уплотнительное (О-кольцо) | 1 | ||
| 4 | VOE 11993537 | Кольцо уплотнительное (О-кольцо) | 1 | ||
| 5 | VOE 4821862 | Tee | 1 |
SER NO - 12376
|
|
| 6 | VOE 13932914 | Hose assembly | 1 |
L=750MM
|
|
| 6 | VOE 13932914 | Hose assembly | 1 |
L=750MM
|
|
| 7 | VOE 13933356 | Hose assembly | 1 |
L=600
|
|
| 7 | VOE 13933356 | Hose assembly | 1 |
L=600
|
|
| 9 | VOE 4881036 | Clutch | 1 |

