Operator seat Isri погрузчика колесного Volvo Construction Equipment L90C
Operator seat Isri погрузчика колесного Volvo Construction Equipment L90C со списком деталей и комплектацией. Каждую деталь можно приобрести в наличии и под заказ с дотавкой по всей России
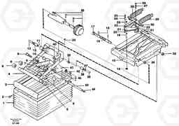
Код подсистемы:99099
Наименование:Operator seat Isri
Версия:33260 OPEN ROPS
Operator seat Isri L90C
| Поз. | Код | Наименование | Кол | Прим. | |
|---|---|---|---|---|---|
| 1 | VOE 12705152 | Bellows | 1 | ||
| 10 | VOE 12705158 | Втулка | 1 | ||
| 11 | VOE 12705164 | Shock absorber | 1 | ||
| 12 | VOE 12705165 | Втулка | 1 | ||
| 13 | VOE 12705162 | Палец | 1 | ||
| 14 | VOE 13966237 | Retaining ring | 1 | ||
| 14 | VOE 13966237 | Retaining ring | 1 | ||
| 15 | VOE 12705151 | Seat frame | 1 | ||
| 16 | VOE 12705175 | Вал | 1 | ||
| 17 | VOE 12705174 | Подшипник | 1 | ||
| 18 | VOE 1695668 | 1695668 | 1 | ||
| 19 | VOE 12705178 | Палец | 1 | ||
| 2 | VOE 4089768 | Gaiter | 1 | ||
| 20 | VOE 13966237 | Retaining ring | 1 | ||
| 20 | VOE 13966237 | Retaining ring | 1 | ||
| 21 | VOE 12705171 | Пластина | 1 | ||
| 22 | VOE 12705170 | Пластина | 1 | ||
| 23 | VOE 13966237 | Retaining ring | 1 | ||
| 23 | VOE 13966237 | Retaining ring | 1 | ||
| 24 | VOE 12705173 | Палец | 1 | ||
| 25 | VOE 13966237 | Retaining ring | 1 | ||
| 25 | VOE 13966237 | Retaining ring | 1 | ||
| 26 | VOE 12705180 | Пружина | 1 | ||
| 27 | VOE 12705176 | Палец | 1 | ||
| 28 | VOE 13966237 | Retaining ring | 1 | ||
| 28 | VOE 13966237 | Retaining ring | 1 | ||
| 29 | VOE 12705180 | Пружина | 1 | ||
| 3 | VOE 12705150 | Frame | 1 | ||
| 30 | VOE 12705181 | Вилка | 1 | ||
| 31 | VOE 12705179 | Тяга поворотная | 1 | ||
| 32 | VOE 13800322 | Гайка | 1 | ||
| 33 | VOE 12705166 | Втулка | 1 | ||
| 34 | VOE 12705168 | Втулка | 1 | ||
| 35 | VOE 12705256 | Knob | 1 | ||
| 36 | VOE 12705162 | Палец | 1 | ||
| 37 | VOE 12705163 | Lock ring | 1 | ||
| 38 | VOE 12705165 | Втулка | 1 | ||
| 39 | VOE 12705158 | Втулка | 1 | ||
| 4 | VOE 12705106 | Spring Suspension Unit | 1 | ||
| 40 | VOE 12705169 | Болт | 1 | ||
| 41 | VOE 12705159 | Lever | 1 | ||
| 42 | VOE 12705158 | Втулка | 1 | ||
| 43 | VOE 12705155 | Вал | 1 | ||
| 44 | VOE 951671 | Retaining ring | 1 | ||
| 44 | VOE 951671 | Retaining ring | 1 | ||
| 45 | VOE 12705153 | Rubber block | 1 | ||
| 5 | VOE 12705157 | Подшипник | 1 | ||
| 6 | VOE 12705157 | Подшипник | 1 | ||
| 7 | VOE 13800322 | Гайка | 1 | ||
| 8 | VOE 12705158 | Втулка | 1 | ||
| 9 | VOE 12705161 | Болт | 1 |

