Forward / reverse switch at hydraulic controls погрузчика колесного Volvo Construction Equipment L90C
Forward / reverse switch at hydraulic controls погрузчика колесного Volvo Construction Equipment L90C со списком деталей и комплектацией. Каждую деталь можно приобрести в наличии и под заказ с дотавкой по всей России
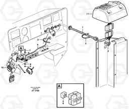
Код подсистемы:99446
Наименование:Forward / reverse switch at hydraulic controls
Версия:33275
Forward / reverse switch at hydraulic controls L90C
| Поз. | Код | Наименование | Кол | Прим. | |
|---|---|---|---|---|---|
| VOE 20374662 | Реле | 1 |
RE8, CAB 36024 -
|
||
| VOE 20374662 | Реле | 1 |
RE9, CAB 36024 -
|
||
| VOE 4940327 | Диод | 1 | |||
| VOE 4940327 | Диод | 1 | |||
| 1 | VOE 11040514 | 11040514 | 1 | ||
| 10 | VOE 4803258 | Diode unit | 1 |
DI5-DI6
|
|
| 10 | VOE 4803258 | Diode unit | 1 |
DI5-DI6
|
|
| 2 | VOE 11147868 | Plastic nut | 1 | ||
| 2 | VOE 11147868 | Plastic nut | 1 | ||
| 3 | VOE 4881440 | Cable tie | 1 | ||
| 3 | VOE 4881440 | Cable tie | 1 | ||
| 4 | VOE 11040578 | 11040578 | 1 | ||
| 5 | VOE 4786690 | Реле | 1 |
RE8, CAB - 36023
|
|
| 5 | VOE 4786690 | Реле | 1 |
RE8, CAB - 36023
|
|
| 6 | VOE 4786690 | Реле | 1 |
RE9, CAB - 36023
|
|
| 6 | VOE 4786690 | Реле | 1 |
RE9, CAB - 36023
|
|
| 7 | VOE 13980220 | Болт | 1 | ||
| 7 | VOE 13980220 | Винт шестигранник (торцевой ключ) | 1 | ||
| 8 | VOE 955891 | Шайба | 1 | ||
| 8 | VOE 955891 | Шайба | 1 | ||
| 9 | VOE 13963103 | Lock nut | 1 | ||
| 9 | VOE 13963103 | Lock nut | 1 |

