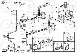
Hydraulic brake-system Tractor самосвала cочлененного Volvo Construction Equipment A20C SER NO 3052-
Hydraulic brake-system Tractor самосвала cочлененного Volvo Construction Equipment A20C SER NO 3052- со списком деталей и комплектацией. Каждую деталь можно приобрести в наличии и под заказ с дотавкой по всей России
Код подсистемы:73867
Наименование:Hydraulic brake-system Tractor
Версия:SER NO 3101 -
Hydraulic brake-system Tractor A20C SER NO 3052-
| Поз. | Код | Наименование | Кол | Прим. | |
|---|---|---|---|---|---|
| VOE 11996160 | Крышка | 1 | |||
| VOE 11996160 | Cover | 1 | |||
| 10 | VOE 13960143 | Шайба | 1 | ||
| 10 | VOE 13960143 | Шайба | 1 | ||
| 11 | VOE 941269 | Пробка (заглушка) | 1 | ||
| 11 | VOE 941269 | Пробка (заглушка) | 1 | ||
| 12 | VOE 11063436 | Brake pipe | 1 | ||
| 13 | VOE 931265 | Nipple | 1 | ||
| 14 | VOE 11063437 | Brake pipe | 1 |
LH FORW
|
|
| 15 | VOE 11063438 | Brake pipe | 1 | ||
| 16 | VOE 11063439 | Brake pipe | 1 |
RH FORW
|
|
| 17 | VOE 11063440 | Brake pipe | 1 |
LH REAR
|
|
| 18 | VOE 11063441 | Brake pipe | 1 | ||
| 19 | VOE 11063442 | Brake pipe | 1 |
RH REAR
|
|
| 2 | VOE 4954027 | Шланг | 1 |
L=1850
|
|
| 20 | VOE 11043053 | Nipple | 1 | ||
| 21 | VOE 4931579 | Кольцо уплотнительное (О-кольцо) | 1 | ||
| 21 | VOE 4931579 | Кольцо уплотнительное (О-кольцо) | 1 | ||
| 22 | VOE 4941475 | Rubber block | 1 | ||
| 22 | VOE 4941475 | Rubber block | 1 | ||
| 23 | VOE 11064467 | Кронштейн | 1 | ||
| 24 | VOE 13970967 | Винт шестигранник | 1 | ||
| 24 | VOE 13970967 | Винт шестигранник | 1 | ||
| 25 | VOE 13955897 | Шайба | 1 | ||
| 25 | VOE 13955897 | Шайба | 1 | ||
| 26 | VOE 11063646 | T-nipple | 1 | ||
| 27 | VOE 13965177 | Screw | 1 | ||
| 27 | VOE 13965177 | Болт | 1 | ||
| 28 | VOE 960139 | Шайба | 1 | ||
| 28 | VOE 960139 | Шайба | 1 | ||
| 29 | VOE 13949278 | Flange lock nut | 1 | ||
| 29 | VOE 13949278 | Flange lock nut | 1 | ||
| 3 | VOE 4954027 | Шланг | 1 |
L=2100
|
|
| 30 | VOE 4821292 | Cable tie | 1 | ||
| 30 | VOE 4821292 | Cable tie | 1 | ||
| 31 | VOE 13969011 | Прокладка | 1 | ||
| 31 | VOE 13969011 | Прокладка | 1 | ||
| 32 | VOE 11063456 | Nipple | 1 | ||
| 33 | VOE 11063629 | Hose connection | 1 | ||
| 33 | VOE 11063629 | Hose connection | 1 | ||
| 34 | VOE 13947627 | Plane gasket | 1 | ||
| 34 | VOE 13947627 | Plane gasket | 1 | ||
| 4 | VOE 943469 | Hose clamp | 1 | ||
| 5 | VOE 4872244 | Reservoir | 1 | ||
| 6 | VOE 11052487 | 11052487 | 1 | ||
| 7 | VOE 13946934 | Болт | 1 | ||
| 7 | VOE 13946934 | Болт | 1 | ||
| 8 | VOE 13949278 | Flange lock nut | 1 | ||
| 8 | VOE 13949278 | Flange lock nut | 1 | ||
| 9 | VOE 13965185 | Screw | 1 | ||
| 9 | VOE 13965185 | Болт | 1 |

