Overhung tailgate самосвала cочлененного Volvo Construction Equipment A25C
Overhung tailgate самосвала cочлененного Volvo Construction Equipment A25C со списком деталей и комплектацией. Каждую деталь можно приобрести в наличии и под заказ с дотавкой по всей России
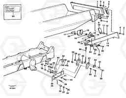
Код подсистемы:30266
Наименование:Overhung tailgate
Версия:93075
Overhung tailgate A25C
| Поз. | Код | Наименование | Кол | Прим. | |
|---|---|---|---|---|---|
| VOE 13955390 | Болт | 1 |
SER NO 11007 -
|
||
| VOE 13955390 | Болт | 1 |
SER NO 11007 -
|
||
| VOE 11060185 | Tailgate | 1 |
SER NO 11007 -
|
||
| VOE 965195 | Flange screw | 1 |
SER NO 11007 -
|
||
| VOE 965195 | Flange screw | 1 |
SER NO 11007 -
|
||
| 1 | VOE 11052406 | Tailgate | 1 |
SER NO - 11006
|
|
| 10 | VOE 11052341 | Anchorage | 1 |
RH
|
|
| 11 | VOE 11052308 | Buffer | 1 | ||
| 12 | VOE 13965194 | Screw | 1 | ||
| 12 | VOE 13965194 | Болт | 1 | ||
| 13 | VOE 11060172 | Рукоять | 1 |
LH
|
|
| 14 | VOE 11060173 | Рукоять | 1 |
RH
|
|
| 15 | VOE 11059405 | 11059405 | 1 | ||
| 16 | VOE 11059399 | Bearing housing | 1 | ||
| 17 | VOE 11052435 | 11052435 | 1 | ||
| 18 | VOE 356313 | Link bearing | 1 | ||
| 18 | VOE 356313 | Link bearing | 1 | ||
| 19 | VOE 11055748 | Шайба | 1 | ||
| 2 | VOE 955393 | Винт шестигранник | 1 | ||
| 2 | VOE 955393 | Винт шестигранник | 1 | ||
| 20 | VOE 13959262 | Винт шестигранник (торцевой ключ) | 1 | ||
| 20 | VOE 13959262 | Allen Hd Screw | 1 | ||
| 21 | VOE 955368 | Винт шестигранник | 1 | ||
| 21 | VOE 955368 | Винт шестигранник | 1 | ||
| 22 | VOE 4860948 | Шайба | 1 | ||
| 22 | VOE 4860948 | Шайба | 1 | ||
| 23 | VOE 13968904 | Flange nut | 1 | ||
| 23 | VOE 13968904 | Flange nut | 1 | ||
| 24 | VOE 11195651 | Bearing spindle | 1 | ||
| 25 | VOE 965195 | Flange screw | 1 | ||
| 25 | VOE 965195 | Flange screw | 1 | ||
| 26 | VOE 11056239 | Cable | 1 | ||
| 27 | VOE 11052430 | Lug | 1 | ||
| 28 | VOE 13965196 | Болт | 1 | ||
| 28 | VOE 13965196 | Болт | 1 | ||
| 29 | VOE 13971096 | Flange nut | 1 | ||
| 29 | VOE 13971096 | Flange nut | 1 | ||
| 3 | VOE 955786 | Hexagon nut | 1 | ||
| 3 | VOE 955786 | Hexagon nut | 1 | ||
| 30 | VOE 4861316 | Spacer ring | 1 | ||
| 30 | VOE 4861316 | Spacer ring | 1 | ||
| 31 | VOE 955372 | Винт шестигранник | 1 | ||
| 31 | VOE 955372 | Винт шестигранник | 1 | ||
| 32 | VOE 13968904 | Flange nut | 1 | ||
| 32 | VOE 13968904 | Flange nut | 1 | ||
| 33 | VOE 13955900 | Шайба | 1 | ||
| 33 | VOE 13955900 | Шайба | 1 | ||
| 34 | VOE 11052424 | 11052424 | 1 |
LH
|
|
| 35 | VOE 11052425 | 11052425 | 1 |
RH
|
|
| 36 | VOE 955393 | Винт шестигранник | 1 |
SER NO - 11006
|
|
| 36 | VOE 955393 | Винт шестигранник | 1 |
SER NO - 11006
|
|
| 37 | VOE 955903 | Шайба | 1 | ||
| 37 | VOE 955903 | Шайба | 1 | ||
| 38 | VOE 4940078 | Трубка | 1 | ||
| 39 | VOE 13955374 | Болт | 1 | ||
| 39 | VOE 13955374 | Болт | 1 | ||
| 4 | VOE 955903 | Шайба | 1 | ||
| 4 | VOE 955903 | Шайба | 1 | ||
| 40 | VOE 955393 | Винт шестигранник | 1 | ||
| 40 | VOE 955393 | Винт шестигранник | 1 | ||
| 41 | VOE 955903 | Шайба | 1 | ||
| 41 | VOE 955903 | Шайба | 1 | ||
| 42 | VOE 955786 | Hexagon nut | 1 | ||
| 42 | VOE 955786 | Hexagon nut | 1 | ||
| 43 | VOE 11050605 | 11050605 | 1 | ||
| 44 | VOE 11060866 | Опора | 1 | ||
| 45 | VOE 955372 | Винт шестигранник | 1 | ||
| 45 | VOE 955372 | Винт шестигранник | 1 | ||
| 46 | VOE 13955900 | Шайба | 1 | ||
| 46 | VOE 13955900 | Шайба | 1 | ||
| 47 | VOE 11056378 | Sleeve | 1 | ||
| 47 | VOE 11056378 | Втулка (распорная) | 1 | ||
| 48 | VOE 13968904 | Flange nut | 1 | ||
| 48 | VOE 13968904 | Flange nut | 1 | ||
| 49 | VOE 11056376 | 11056376 | 1 |
SER NO - 11101
|
|
| 5 | VOE 11052361 | 11052361 | 1 |
THICK=3MM
|
|
| 50 | VOE 11058236 | Decal | 1 | ||
| 50 | VOE 11058236 | Decal | 1 | ||
| 51 | VOE 914167 | Lubricating nipple | 1 | ||
| 51 | VOE 914167 | Lubricating nipple | 1 | ||
| 52 | VOE 11060194 | Вставка | 1 |
8MM, SER NO 11007 -
|
|
| 53 | VOE 13965186 | Болт | 1 |
SER NO 11102 -
|
|
| 53 | VOE 13965186 | Screw | 1 |
SER NO 11102 -
|
|
| 54 | VOE 13971098 | Flange nut | 1 |
SER NO 11102 -
|
|
| 54 | VOE 13971098 | Flange nut | 1 |
SER NO 11102 -
|
|
| 6 | VOE 11052362 | 11052362 | 1 |
THICK=6MM
|
|
| 7 | VOE 11050593 | Rubber cushion | 1 | ||
| 8 | VOE 13965194 | Screw | 1 |
SER NO - 11006
|
|
| 8 | VOE 13965194 | Болт | 1 |
SER NO - 11006
|
|
| 9 | VOE 11052340 | Anchorage | 1 |
LH
|

