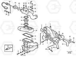
Water pump with fitting parts погрузчика колесного Volvo Construction Equipment L220D SER NO 1001-
    Water pump with fitting parts погрузчика колесного Volvo Construction Equipment L220D SER NO 1001- со списком деталей и комплектацией. Каждую деталь можно приобрести в наличии и под заказ с дотавкой по всей России
Код подсистемы:27835
            Наименование:Water pump with fitting parts
            Версия:
        Water pump with fitting parts L220D SER NO 1001-
        | Поз. | Код | Наименование | Кол | Прим. | |
|---|---|---|---|---|---|
| VOE 13940097 | Шайба | 1 | 
                                                                     
                                            
                                            (940097)                                         
                                     | 
                            ||
| VOE 13940097 | Шайба | 1 | 
                                                                     
                                            
                                            (940097)                                         
                                     | 
                            ||
| VOE 955540 | Болт | 1 | 
                                                                     
                                            
                                            L = 70 MM                                         
                                     | 
                            ||
| VOE 955540 | Винт шестигранник | 1 | 
                                                                     
                                            
                                            L = 70 MM                                         
                                     | 
                            ||
| VOE 955541 | Винт шестигранник | 1 | 
                                                                     
                                            
                                            L = 76 MM                                         
                                     | 
                            ||
| VOE 955541 | Винт шестигранник | 1 | 
                                                                     
                                            
                                            L = 76 MM                                         
                                     | 
                            ||
| 1 | VOE 11031373 | Водяной насос | 1 | ||
| 1 | VOE 11031373 | Водяной насос | 1 | ||
| 10 | VOE 1161277 | Sealant | 1 | 
                                                                     
                                            
                                            20g                                         
                                     | 
                            |
| 10 | VOE 1161277 | Sealant | 1 | 
                                                                     
                                            
                                            20g                                         
                                     | 
                            |
| 11 | VOE 955535 | Винт шестигранник | 1 | 
                                                                     
                                            
                                            L = 32 MM                                         
                                     | 
                            |
| 11 | VOE 955535 | Винт шестигранник | 1 | 
                                                                     
                                            
                                            L = 32 MM                                         
                                     | 
                            |
| 12 | VOE 13942336 | Шайба пружинная | 1 | 
                                                                     
                                            
                                            (942336)                                         
                                     | 
                            |
| 12 | VOE 13942336 | Шайба пружинная | 1 | 
                                                                     
                                            
                                            (942336)                                         
                                     | 
                            |
| 13 | VOE 13951973 | Spring Pin | 1 | 
                                                                     
                                            
                                            (951973)                                         
                                     | 
                            |
| 13 | VOE 13951973 | Spring Pin | 1 | 
                                                                     
                                            
                                            (951973)                                         
                                     | 
                            |
| 14 | VOE 423352 | Прокладка | 1 | ||
| 14 | VOE 423352 | Прокладка | 1 | ||
| 15 | VOE 470548 | Thermostat Housing | 1 | ||
| 15 | VOE 470548 | Thermostat Housing | 1 | ||
| 16 | VOE 8149182 | Термостат | 1 | ||
| 16 | VOE 8149182 | Термостат | 1 | ||
| 17 | VOE 1544710 | Кольцо уплотнительное | 1 | ||
| 17 | VOE 1544710 | Кольцо уплотнительное | 1 | ||
| 18 | VOE 11000236 | Кольцо уплотнительное | 1 | ||
| 18 | VOE 11000236 | Кольцо уплотнительное | 1 | ||
| 19 | VOE 470554 | Thermostat Housing | 1 | ||
| 19 | VOE 470554 | Thermostat Housing | 1 | ||
| 2 | VOE 479979 | Пробка (заглушка) | 1 | ||
| 20 | VOE 180761 | Пробка (заглушка) | 1 | ||
| 20 | VOE 180761 | Пробка (заглушка) | 1 | ||
| 21 | VOE 7011996 | Прокладка | 1 | ||
| 21 | VOE 7011996 | Прокладка | 1 | ||
| 22 | VOE 959798 | Болт | 1 | ||
| 22 | VOE 959798 | Винт шестигранник | 1 | ||
| 23 | VOE 13940097 | Шайба | 1 | 
                                                                     
                                            
                                            (940097)                                         
                                     | 
                            |
| 23 | VOE 13940097 | Шайба | 1 | 
                                                                     
                                            
                                            (940097)                                         
                                     | 
                            |
| 24 | VOE 11031653 | Фланец | 1 | ||
| 24 | VOE 11031653 | Фланец | 1 | ||
| 25 | VOE 469477 | Кольцо уплотнительное | 1 | ||
| 25 | VOE 469477 | Кольцо уплотнительное | 1 | ||
| 26 | VOE 955524 | Винт шестигранник | 1 | ||
| 26 | VOE 955524 | Винт шестигранник | 1 | ||
| 27 | VOE 13941907 | Шайба пружинная | 1 | 
                                                                     
                                            
                                            (941907)                                         
                                     | 
                            |
| 27 | VOE 13941907 | Шайба | 1 | 
                                                                     
                                            
                                            (941907)                                         
                                     | 
                            |
| 28 | VOE 11039193 | Temp Sensor | 1 | 
                                                                     
                                            
                                            SE205                                         
                                     | 
                            |
| 28 | VOE 11039193 | Temp Sensor | 1 | 
                                                                     
                                            
                                            SE205                                         
                                     | 
                            |
| 29 | VOE 479977 | Пробка (заглушка) | 1 | ||
| 3 | VOE 925257 | Кольцо уплотнительное (О-кольцо) | 1 | ||
| 3 | VOE 925257 | Кольцо уплотнительное (О-кольцо) | 1 | ||
| 30 | VOE 479954 | Nipple | 1 | ||
| 30 | VOE 479954 | Nipple | 1 | ||
| 31 | VOE 942758 | Nipple | 1 | ||
| 31 | VOE 942758 | Nipple | 1 | ||
| 32 | VOE 11030745 | Tube End | 1 | ||
| 33 | VOE 11030751 | Кольцо уплотнительное | 1 | ||
| 33 | VOE 11030751 | Кольцо уплотнительное | 1 | ||
| 34 | VOE 11030747 | Стопорная шайба (кольцо) | 1 | ||
| 34 | VOE 11030747 | Стопорная шайба (кольцо) | 1 | ||
| 35 | VOE 13946934 | Болт | 1 | 
                                                                     
                                            
                                            (946934)                                         
                                     | 
                            |
| 35 | VOE 13946934 | Болт | 1 | 
                                                                     
                                            
                                            (946934)                                         
                                     | 
                            |
| 36 | VOE 11110062 | Connecting Pipe | 1 | ||
| 37 | VOE 925092 | Кольцо уплотнительное (О-кольцо) | 1 | ||
| 37 | VOE 925092 | Кольцо уплотнительное (О-кольцо) | 1 | ||
| 38 | VOE 13940135 | Болт | 1 | 
                                                                     
                                            
                                            (940135)                                         
                                     | 
                            |
| 38 | VOE 13940135 | Болт | 1 | 
                                                                     
                                            
                                            (940135)                                         
                                     | 
                            |
| 39 | VOE 13941907 | Шайба пружинная | 1 | 
                                                                     
                                            
                                            (941907)                                         
                                     | 
                            |
| 39 | VOE 13941907 | Шайба | 1 | 
                                                                     
                                            
                                            (941907)                                         
                                     | 
                            |
| 4 | VOE 1664473 | Кольцо уплотнительное (О-кольцо) | 1 | ||
| 4 | VOE 1664473 | Кольцо уплотнительное (О-кольцо) | 1 | ||
| 5 | VOE 955542 | Винт шестигранник | 1 | 
                                                                     
                                            
                                            L = 83 MM                                         
                                     | 
                            |
| 5 | VOE 955542 | Болт | 1 | 
                                                                     
                                            
                                            L = 83 MM                                         
                                     | 
                            |
| 6 | VOE 955535 | Винт шестигранник | 1 | 
                                                                     
                                            
                                            L = 32 MM                                         
                                     | 
                            |
| 6 | VOE 955535 | Винт шестигранник | 1 | 
                                                                     
                                            
                                            L = 32 MM                                         
                                     | 
                            |
| 7 | VOE 13942336 | Шайба пружинная | 1 | 
                                                                     
                                            
                                            (942336)                                         
                                     | 
                            |
| 7 | VOE 13942336 | Шайба пружинная | 1 | 
                                                                     
                                            
                                            (942336)                                         
                                     | 
                            |
| 8 | VOE 13940097 | Шайба | 1 | 
                                                                     
                                            
                                            (940097)                                         
                                     | 
                            |
| 8 | VOE 13940097 | Шайба | 1 | 
                                                                     
                                            
                                            (940097)                                         
                                     | 
                            |
| 9 | VOE 8193577 | Thermostat Housing | 1 | ||
| 9 | VOE 8193577 | Thermostat Housing | 1 | 

