Valve, circuit body and return valve погрузчика колесного Volvo Construction Equipment L50D
Valve, circuit body and return valve погрузчика колесного Volvo Construction Equipment L50D со списком деталей и комплектацией. Каждую деталь можно приобрести в наличии и под заказ с дотавкой по всей России
Код подсистемы:84648
Наименование:Valve, circuit body and return valve
Версия:80214
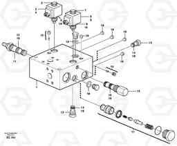
Valve, circuit body and return valve L50D
| Поз. | Код | Наименование | Кол | Прим. | |
|---|---|---|---|---|---|
| 1 | VOE 11148257 | Клапан | 1 | ||
| 1 | VOE 11148257 | Клапан | 1 | ||
| 10 | VOE 11706059 | Restrictor | 1 |
CT3, CT10
|
|
| 11 | VOE 11706070 | Клапан | 1 |
CT8
|
|
| 11 | VOE 11706070 | Valve | 1 |
CT8
|
|
| 12 | VOE 11706071 | Sealing kit | 1 | ||
| 12 | VOE 11706071 | Sealing kit | 1 | ||
| 13 | VOE 11714080 | Non-return valve | 1 |
CT5, CT6
|
|
| 13 | VOE 11714080 | Клапан обратный | 1 |
CT5, CT6
|
|
| 14 | VOE 11706067 | Sealing kit | 1 | ||
| 14 | VOE 11706067 | Sealing kit | 1 | ||
| 15 | VOE 11706068 | Регулятор давления | 1 |
CT7
|
|
| 15 | VOE 11706068 | Pressure regulator | 1 |
CT7
|
|
| 16 | VOE 11706069 | Sealing kit | 1 | ||
| 17 | VOE 11706072 | Клапан | 1 |
CT9
|
|
| 17 | VOE 11706072 | Клапан | 1 |
CT9
|
|
| 18 | VOE 11706788 | Sealing kit | 1 | ||
| 18 | VOE 11706788 | Sealing kit | 1 | ||
| 2 | VOE 11705917 | Solenoid valve kit | 1 |
CT1, MA910
|
|
| 2 | VOE 11705917 | Solenoid valve kit | 1 |
CT1, MA910
|
|
| 3 | VOE 11706062 | Nut set | 1 | ||
| 3 | VOE 11706062 | Nut set | 1 | ||
| 4 | VOE 11714081 | Соленоид (электромагнитная катушка) | 1 | ||
| 4 | VOE 11714081 | Соленоид (электромагнитная катушка) | 1 | ||
| 5 | VOE 11706064 | Sealing kit | 1 | ||
| 5 | VOE 11706064 | Sealing kit | 1 | ||
| 6 | VOE 11705918 | Solenoid valve kit | 1 |
CT4, MA911
|
|
| 6 | VOE 11705918 | Solenoid valve kit | 1 |
CT4, MA911
|
|
| 7 | VOE 11706065 | Nut set | 1 | ||
| 7 | VOE 11706065 | Nut set | 1 | ||
| 8 | VOE 11714081 | Соленоид (электромагнитная катушка) | 1 | ||
| 8 | VOE 11714081 | Соленоид (электромагнитная катушка) | 1 | ||
| 9 | VOE 11706064 | Sealing kit | 1 | ||
| 9 | VOE 11706064 | Sealing kit | 1 |

